EasyManua.ls Logo

Sharp AL-2040 - Page 68

Sharp AL-2040
220 pages
Print Icon
To Next Page IconTo Next Page
To Next Page IconTo Next Page
To Previous Page IconTo Previous Page
To Previous Page IconTo Previous Page
Loading...
AL-2030/2040CS/2050CS DISASSEMBLY AND ASSEMBLY 8 - 13
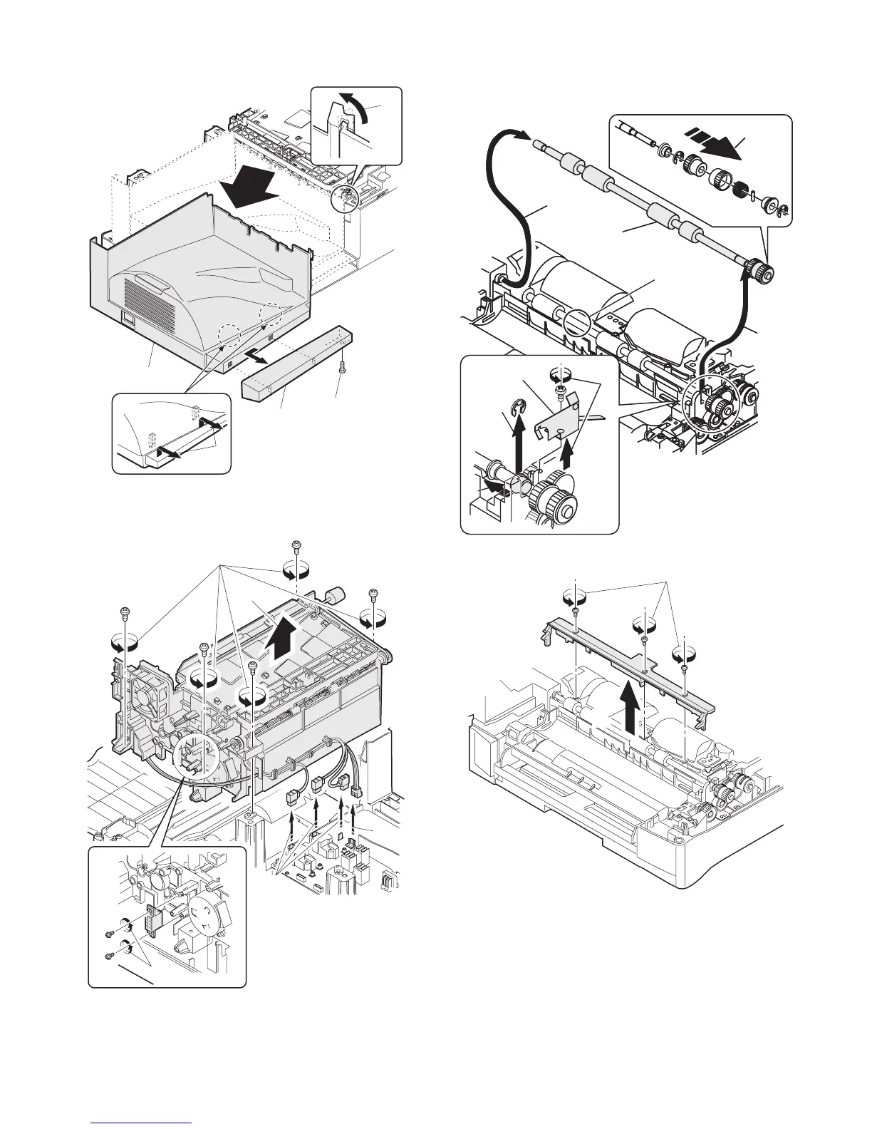
31) Remove the screw, slide the left cabinet to the left to detach it.
Remove each pawl, and remove the paper exit tray.
32) Remove two screws and remove the fusing connector.
33) Remove five screws and the connector, and lift the intermediate
frame unit to remove.
34) Remove the screw and the E-ring, and remove the PS semi-cir-
cular earth plate and the PS roller unit.
35) Remove the E-ring and remove the spring clutch from the PS
roller unit.
36) Remove three screws and remove the TC front paper guide.
5)
1)
2)
3)
4)
2)
2)
3)
4)
1)
5)
4)
4)
1)
2)
3)
PS roller unit
PS semi-circuler
earth plate
5)
4)
4)
1)
2)
3)
PS semi-circular
earth plate
Use grease of
Floil FG40H
only to apply to
this section.
1)
2)

Table of Contents

Other manuals for Sharp AL-2040

Related product manuals