EasyManua.ls Logo

Sharp AY-M09AE - Page 8

Sharp AY-M09AE
40 pages
Print Icon
To Next Page IconTo Next Page
To Next Page IconTo Next Page
To Previous Page IconTo Previous Page
To Previous Page IconTo Previous Page
Loading...
8
AY-M09AE
AE-M18AE
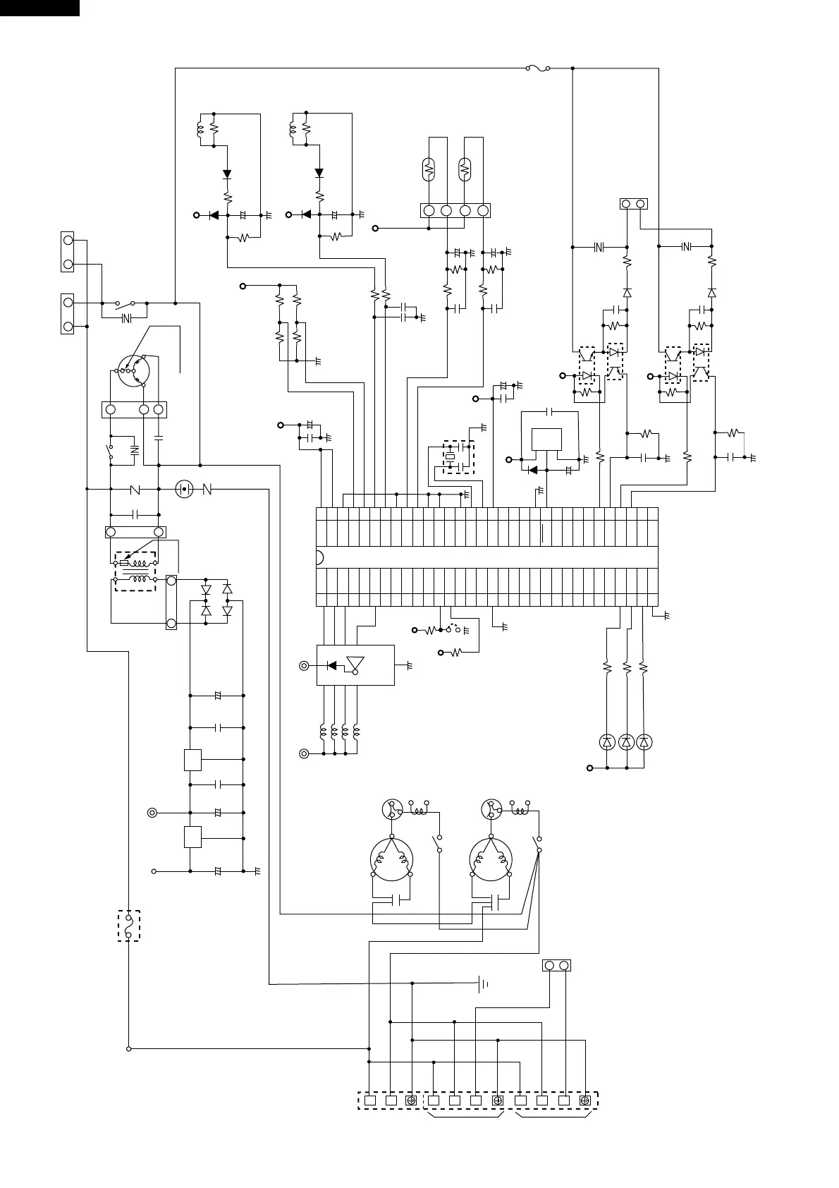
Figure L-2. Electronic Control Circuit Diagram for AE-M18AE

Related product manuals