EasyManua.ls Logo

Sharp AY-M09AE - Microcomputer Control System

Sharp AY-M09AE
40 pages
Print Icon
To Next Page IconTo Next Page
To Next Page IconTo Next Page
To Previous Page IconTo Previous Page
To Previous Page IconTo Previous Page
Loading...
7
AY-M09AE
AE-M18AE
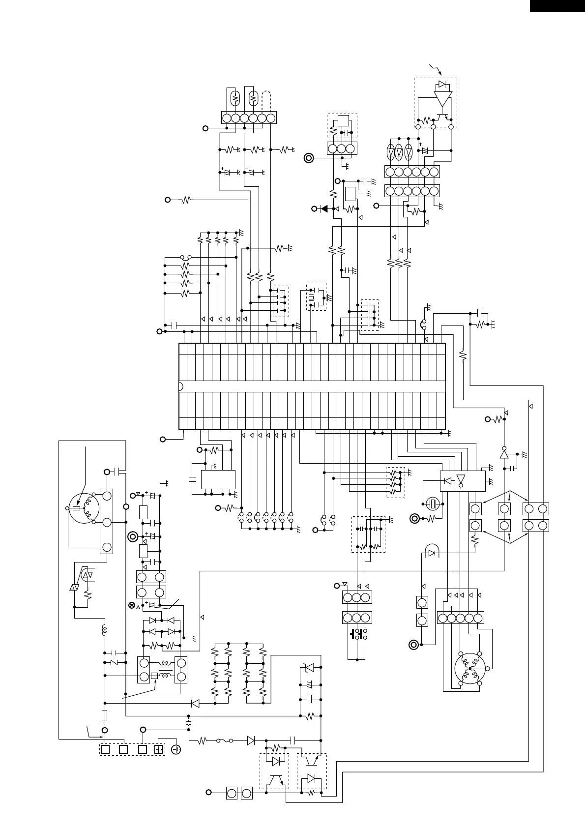
Figure L-1. Electronic Control Circuit Diagram for AY-M09AE
MICROCOMPUTER
CONTROL SYSTEM
33
1
3
2
6
5
4
1
3
2
6
5
4
3
2
1
6
5
4
3
2
1
1
2
3
4
5
3
2
1
3
2
1
2 2
6 BCN2
BCN1
R35
100k
R37
3.3k
C13
250V
0.01µ
0.047µ
D7
TC
1A
115˚C
R50
1W 
2.7k
(C6)
Y/G
F
E
BROWN
RED
BL
CN2
THERMAL 
FUSE
C14 C15
ZD1
100µ
50V50V
PC2
PC1
4
5
2
1
5
4
2
1
R36
56k
6
1
3
15
2
7
1
3
L
N
S
1
3
5
1
2
3
4
8
7
6
5
IC6
5 5
7 7
8
8
FAN MOTOR
RPM SIGNAL
50Hz
220-240V
TERMINAL
BOARD 1
WPE
3A 250V
5V
1/2W
5.1k x 12
R45
R3
22k
R47
TRANS-
FORMER
R49
D6
CN2
R44R46R48
R43R41R39
R42R40R38
(PREHEAT)
WIRELESS
RPM
(DEICE A)
(DEICE B)
(DEICE B)
(FILTER)
(DEICE A)
SWEAT
OFF WIDTH
POWER
MEMORY
(JP1) ON
(JP2) NORMAL
JP3 1 PLUSE
(JP5)
(JP4)
(JP6) OFF
(JP7) 3 min.
JP8 OFF
(JP9) ON
R32
10k
R4
3.3k
C17 25V 0.1µ
IN
OUT
GND
IN
OUT
C6
BL
B
A
C5
C4C3
50V
0.1µ
BCN1
D1
D
V
SS
D4
R2
22k
C1
250VAC
0.1µ
L
6
G
D3
D2
(A170)
C2 2200µ
36V
BCN2
47µ
25V
0.1µ
50V
100µ
10V
GND
5V
5V
CN1
12V
IC2 IC3
NR
R1
1W 390
TRIAC
T2 T1
FAN MOTOR
THERMAL FUSE
FAN 
MOTOR
CAPACITOR
400V 1µ
NC
NC
NC
NC
NC
NC
NC
NC
NC
AUX
TEST RUN
LOUVER 
MOTOR
SW201
CN201 CN7
CN3
BCN1
BCN1
R6
1
2
R5
2.7k
PT
470 1/2W
BCN2
BCN2
SW202
5V
5V
12V
12V
1
1
2 3
4 5
5 4 3 2
1
9
6
5
4
3
2
7
9
Q1
1
2
3
C8
16V
0.01µ
R7
10k
16
BZ
IC4
11
12
13
14
15
10
5V
RCM
10k
10k: 1000pF x 2
RA1
10k x 4
R34
C12
1000p
50V
R33
4.7k
470
OUT IN
JP10
(FILTER)
DRY ON
1000p x 4
R51 680
680
330
R13
R14
LED 102 (YELLOW) TIMER LED
RECEIVER UNIT
LED 101 (RED) OPERATION LED
LED 103 (RED) BUSY LED
CN6 CN101
CN5
D5
PST591D
C9
0.1µ
50V
C101
33µ
10V
1.2k
R25
R27
4.7k
R15
10k
R26
R23
33k
R24
680
4.7k
12V
5V
5V
5V
5V
5V
5V
15.0k(F)R8
32.4k(F)
107k(F)
78.7k(F)
R9
R11
JP15
R10
RA2
22k(F) x 6
2
3
FAN H
C7
0.1µ
50V
FAN M
FAN L
MODEL A
MODEL B
4
5
6
1
1001
0110
0011
(11111)
R16
10k
R20
240k
R20 10k
10k
10k
CA1
CA2
3
2
1
4
5
R21
R22
1000p x 4
8.0M
OSC
3
2
1
4 5
C10
10µ
16V
R17
15k
(F)
C11
10µ
16V
R18
15k
(F)
R19
10k
CN4
PIPE TEMP.
TH2 15k (25˚C)
ROOM TEMP.
TH2 15k (25˚C)
TEST
5V
IC5
4 4
5V
1 64P20 AV
2 63P21 AV
3 62P22 AN17
4 61P23 AN16
5 60P24 AN15
6 59P25 AN14
7 58P26 AN13
8 57P27 AN12
9 56P30 AN11
10 55P31 AN10
11 54P32 AV
12 53P33 P04
13 52P34 XT2
14 51P35 IC
15 50BUZ X1
16 49P37
µPD78012
X2
17 48V
18 47P40 P03
19 46P41 INTP2
20 45P42 INTP1
21 44P43 INTP0
22 43P44 /RESET
23 42P45 P67
24 41P46 P66
25 40P47 P65
26 39P50 P64
27 38P51 P63
28 37P52 P62
29 36P53 P61
30 35P54 P60
31 34P55 P57
SS
VSS
P56
REF
DD
SS
DD
32
+
V

Related product manuals