EasyManua.ls Logo

Sharp CD-BA1500H - RADIO AUTOMATIC STATION PROGRAMMING (ASPM); ASPM Station Scanning and Storage

Sharp CD-BA1500H
52 pages
Print Icon
To Next Page IconTo Next Page
To Next Page IconTo Next Page
To Previous Page IconTo Previous Page
To Previous Page IconTo Previous Page
Loading...
– 29 –
CD-BA1500H
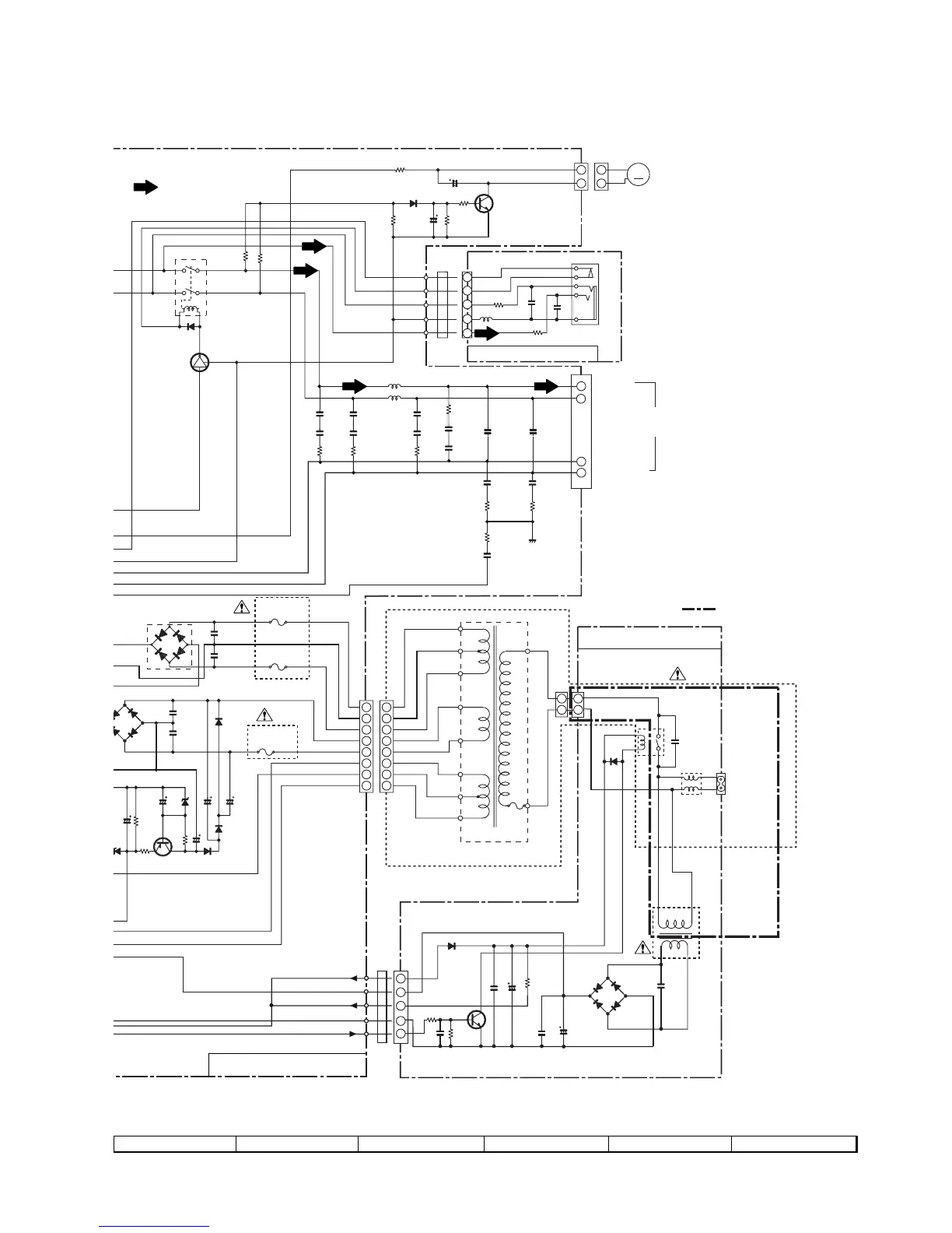
Figure 29 SCHEMATIC DIAGRAM (6/10)
7
8 9 10 11 12
+B
–B
-28V
-33V
-28V
4.9V
4.4V
TF
130 °C
4
3
2
1
1
R1_OUT
L1_OUT
SP_R Ch_GND
SP_L Ch_GND
SP_R Ch
SP_L Ch
5
6
7
8
1
2
3
4
5
6
7
8
1
2
3
1
2
1
2
4
GND
UN_SW_5V
SW-5V
1
22
1
M
0.2V
0V
2
1
3
5
5
+
+
+B
+B
MAIN PWB-A1(2/3)
+B
FM SIGNAL
HEADPHONES PWB-A3
AC_RLY_CONT
FW871
5
1
2
3
4
POWER PWB-F
When Servising, pay attention as the
area enclosed by this line( ) is
directly connection with AC main voltage.
5
1
CNS871
JK951
HEADPHONES
SO901
SPEAKER
TERMINALS
C871
0.0047
CNP801
PT801
MAIN POWER TRANSFORMER
CNP802
F803
T2A L 250V
D807
1N4004S
C808
100/50
D808
1N4004S
D876
DS1SS133
C810
220/50
C809
100/50
D806
1N4004S
R804
2.2K
ZD801
DZ300BSB
Q801
KTA1274 Y
R806
10
R875
47K
R874
220
R876
1K
R805
47K
C811
47/50
C812
100/50
S
D804
1N4004S
D802
1N4004S
S
C806
0.1
(ML)
C805
0.1
(ML)
F802
T4A L 250V
F801
T4A L 250V
D801
TS6B04GM
C
803
0
0/50
C
804
2
00/50
L
)
C921
0.022
C923
0.022
R921
6.8
C920
0.022
C926
0.022
R922
6.8
C924
0.022
C922
0.022
C929
0.001
C928
0.001
C952
220P
C951
220P
R923
6.8
C933
0.001
C932
0.001
R926
68
C934
0.001
R927
68
R925
68
C927
0.022
C925
0.022
R924
6.8
D951
DS1SS133
R953
4.7K
R954
4.7K
RL951
RELAY
Q951
KRC107 M
R973
15K
C972
10/50
D971
DS1SS133
R975
4.7(1/2W)
R972
68K
R971
1K
C971
47/50
Q971
KTC3203 Y
CNP971
CNS971
M901
FAN MOTOR
FW951
CNP951
R952
330(1/2W)
R951
330(1/2W)
L921
0.29µH
L920
0.29µH
C802
0.1(ML)
C801
0.1(ML)
L951
2.2mH
C876
0.001
C874
1000/6.3
C873
470/35
C875
0.022
C877
0.001
C872
0.047(ML)
RL871
SO801
AC INPUT
SOCKET
AC 230V/50Hz
D875
1N4004S
D874
1N4004S
D872
1N4004S
D873
1N4004S
PT871
SUB POWER
TRANSFORMER
D871
1N4004S
L801
Q873
KTC3199 GR

Other manuals for Sharp CD-BA1500H

Related product manuals