EasyManua.ls Logo

Sharp CD-BA2600 - Dubbing Cassette Tapes and Erasing Tapes

Sharp CD-BA2600
64 pages
Print Icon
To Next Page IconTo Next Page
To Next Page IconTo Next Page
To Previous Page IconTo Previous Page
To Previous Page IconTo Previous Page
Loading...
– 23 –
CD-BA250/CD-BA2600
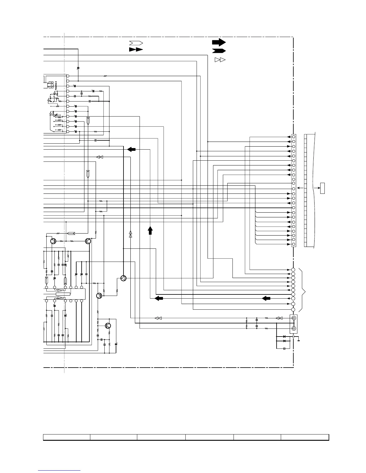
Figure 23 SCHEMATIC DIAGRAM (4/9)
7
8 9 10 11 12
22
23
24
25
26
27
28
29
30
31
9
10 11 12
131415161718
8
7
13
14
15
16
17
18
19
20
21
22
23
24
TUN_SM
DO
CE
A+10V
TUN_L
TUN_R
DI
CLK
REC_R
TO DISPLAY PWB
P27 12-C
CNS701
(D_GND)GND
(A_GND)GND
P_IN
TO TUNER SECTION
P28 1-G
–20dB
M_GND
SP_DET
UN_SW 5V
A_GND
SW_5V
D_GND
–15V
M_+12V
SP_RLY
VF2
–VF
VF1
SPA_SIG
SMUTE
REC/PLAY
T_T1/T2
T_BIAS
CLK
DI
TUN_SM
CE
DO
CHASSIS
R-CH
L-CH
1
1
4
2
3
9
10
11
12
13
14
15
16
17
18
19
20
21
22
23
24
24
8
7
6
5
D
NER
ECK
UX
CLK
VDD
VREF
ROUT
RBASS
RTRE
RIN
RSEL0
R4
R3
R2
R1
B
FACE
+
+
+
+
+
VCC
ALC
GND
ALC
RIPPLE
NOR/CRO2
+
+
Hich=CHROME
56K
56K
2
1
3
CD SIGNAL
VIDEO SIGNAL
RECORD SIGNAL
PLAYBACK SIGNAL
FM SIGNAL
+B
+B
+B +B
+B
+B
+B
+B
+B
+B
+B
-B
-B
+B
+B
R126
3.9K
6.8K
C124
270P
R132
100
C126
22/50
C132
47/25
C130
0.0033
C128
0.022
R130
1.5K
R134
10K
IC101
AN7345K
ECORD/
MP.
601
75341
ROCESSOR
C623
1/50
C625
0.0056
R609
1.2K
C621
1/50
C619
1/50
C617
1/50
C615
4.7/50
C613
1/50
C605
0.1
C611
0.0027
R607
3.9K
C607
0.1
C603
22/50
C609
1/50
R605
10K
R623
220K
R622
220K
R136
220K
Q108
KTC3199 GR
R138
10K
R137
220K
R139
10K
3.9K
C123
270P
.
C125
22/50
C127
0.022
R131
1.5K
R133
100
C129
0.0033
C131
47/25
R135
10K
C133
22/50
C134
220/10
C135
0.022
R158
220
Q109
KTA1266 GR
R140
47K
R142
82
R143
47K
R144
22K
C137
0.047
(ML)
C138
0.0082
(PP)
C139
0.039(ML)
L103
330µH
R145
4.7
Q111
KTC3203 Y
C693
0.001
D691
DS1SS133
D690
DS1SS133
JK690
VIDEO/AUX
IN
R690
6.8K
R691
6.8K
C691
390P
C690
390P
R692
33K
CNP701
FFC701
C601
220/16
R603
1K
R141
4.7K
Q110
KRC104 M
Q107
KTC3199 GR
C140
47/25
R693
33K

Other manuals for Sharp CD-BA2600

Related product manuals