EasyManua.ls Logo

Sharp CD-BK2100V - Block Diagram

Sharp CD-BK2100V
72 pages
Print Icon
To Next Page IconTo Next Page
To Next Page IconTo Next Page
To Previous Page IconTo Previous Page
To Previous Page IconTo Previous Page
Loading...
CD-BK2100V
– 16 –
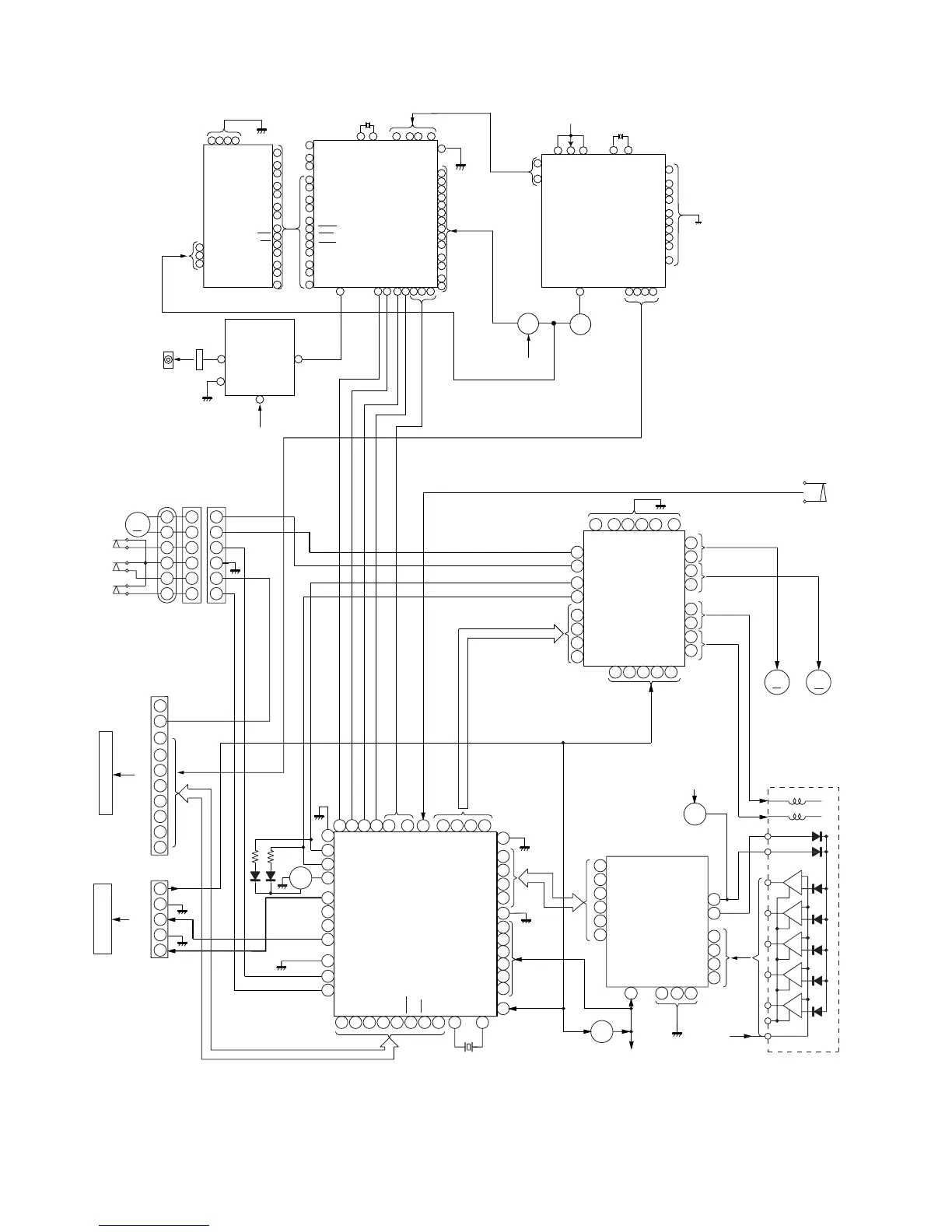
Figure 16 BLOCK DIAGRAM (1/4)
CNP12
CNP11
Q2
+3.3V
+5V
CONT5
CONT2
CONT3
CONT4
CONT7
CONT6
SLD0
SPD0
FD0
TD0
+5V
TO DISPLAY SECTION
CLAMP SW
CDINT
WRQ
CE
DO
CLK
DI
CD RES
GND
DRF
CNS4
BI4
CNP4
M2
SLED
MOTOR
M1
SPINDLE
MOTOR
M
M
TRACKING COIL
FOCUS COIL
PICKUP UNIT
TE
FE
RFEV
HFL
VVDD
ADAVDD
VDD
LVDD
RVDD
XVDD
VDD5V
RFEV
FE-
FE
TE-
TE
HFL
+3.3V
CONSTANT
VOLTAGE
+5V
Q1
Q3
LASER
DRIVER
LDD
PD
VCC3
VCC2
VCC4
VCC1
TIN2
TIN1
FIN2
FIN1
IC3
M63001FP
FOCUS/TRACKING/
SPIN/SLED DRIVER
IC1
LA9235M
SERVO AMP.
TO MAIN SECTION
(TO IC401)
R-CH
L-CH
AGND
DGND
+5V(+B5)
RCHO
RVSS
LVSS
LCHO
IC2
LC78636E
SERVO/SIGNAL
CONTROL
-
+
M
SW1
OPEN/
CLOSE
XL1
16.9344MHz
6
5
4
3
3
2
5
4
1
1
2
3
4
7
8
2
1
7
8
9
10
1
2
4
3
5
SW2
CLAMP
SW3
DISC
NUMBER
M3
T/T
UP/DOWN
MOTOR
6
1
2
4
3
5
6
1
2
4
3
5
6
75
76
45
53
46
47
48
32
31
30
40
65 66
67
68
69
70 71 72
CE
CL
DI
DO
INT
WRQ
RES
DEF
52
51
XOUT
XIN
73
5
18
36
44
49
50
7
3
14
15
16
19
23
242526
3359
5735545556
17
18
19
20
21
22
30 23 11 9
1
4
5
6
7
15
16
26
27
2
17
25
41
42
38
39
35 29 22 21 14 8
40
18
24 23 28
SW4
PICKUP IN
+3.3V
QV3
+B5
XV1
4.19MHz
7
XV2
27MHz
ICV1
MPEG CONTROLLER
IX0352AW
ICV2
D61012GC
MPEG DECODER
ICV3
SDM4260C
DRAM
~
~
~
~
~~
~
~
~~
~
~~
~~~
~
~
~~
~
~
MBUSY
MCK
MDO
MDI
X1
X2
PWR_MPEG
+B3
+B3
ICV4
NJM2267M
VIDEO
OPERATION
AMP.
CNPV3
JK671
VIDO OUT
HD7
HD0
AUDO
AUBCK
AULRCK
CDC2PO
CDLRCK
CDBCK
CDI
X1
X2
VOUT1
VDD,CKSEL,HSELX,
HSELA,AVDD
HD7
HD4
HD3
HD0
MA8
MA4
MA3
MA0
MRAS
MWE
MCAS
MD5
MD7
MD4
MD0
MD11
MD8
~
~~
MD15
MD12
VDD
DQ0
DQ3
DQ4
DQ7
DQ8
DQ11
DQ12
DQ15
WE
RAS
A0
A3
A4
A8
9
14
16
22
20
1918
40
10
24 35
64
1
15
17
23
25
36
44
51
63
75
76
83
84
92
18
257
10
14
38
2
1
6
20
5
7
86
1
7
2
6
35 32 33959798 99
42
45
10
13
14
16
19
22
26
31
34
36
39
21273545
~
~~
~~
48
49
52
53
54
56
58
62
65
68
70
73
13
57
41
15
17
25
33
42
45
50
~
~
QV2
~

Related product manuals