EasyManua.ls Logo

Sharp CD-BK2100V - Page 17

Sharp CD-BK2100V
72 pages
Print Icon
To Next Page IconTo Next Page
To Next Page IconTo Next Page
To Previous Page IconTo Previous Page
To Previous Page IconTo Previous Page
Loading...
– 17 –
CD-BK2100V
4
42 41
40 40
7 8
36
7
14
8922
35
9 12
32
31 15
13
23
1 2 3 4 5 6 7 8 9 10 11
22
ICK1
M65856SP
MIC AMP.
ICK2
M65847AFP1
KEY CONTROL
JK2
MIC2
DATA
MIC1IN
MICLOUT
MIC1VOLIN
MIC2IN
MIC2OUT
MIC2VOLIN
SDATA
SCK
STROBE
LPF1N
15
MIXOUT
CLDCK
LATCH
SOURCE OUT
ROUT
RIN
LIN
KEYCON IN
VCC
GND
LOUT
QK2
QK1
PINK1
CHASSIS
GND
JK1
MIC1
BIK1
CNSK1
1 2 3 4 5 6 7 8 9 10 11
OUT(L)
OUT(R)
IN(L)
GND(A)
IN(R)
GND(D)
DATA
CLOCK
LATCH
MIC IN
+10V(+B4)
QK3
VRK2
MIC2
VOLUME
VRK1
MIC1
VOLUME
TO MAIN SECTION
(TO IC601)
+B4
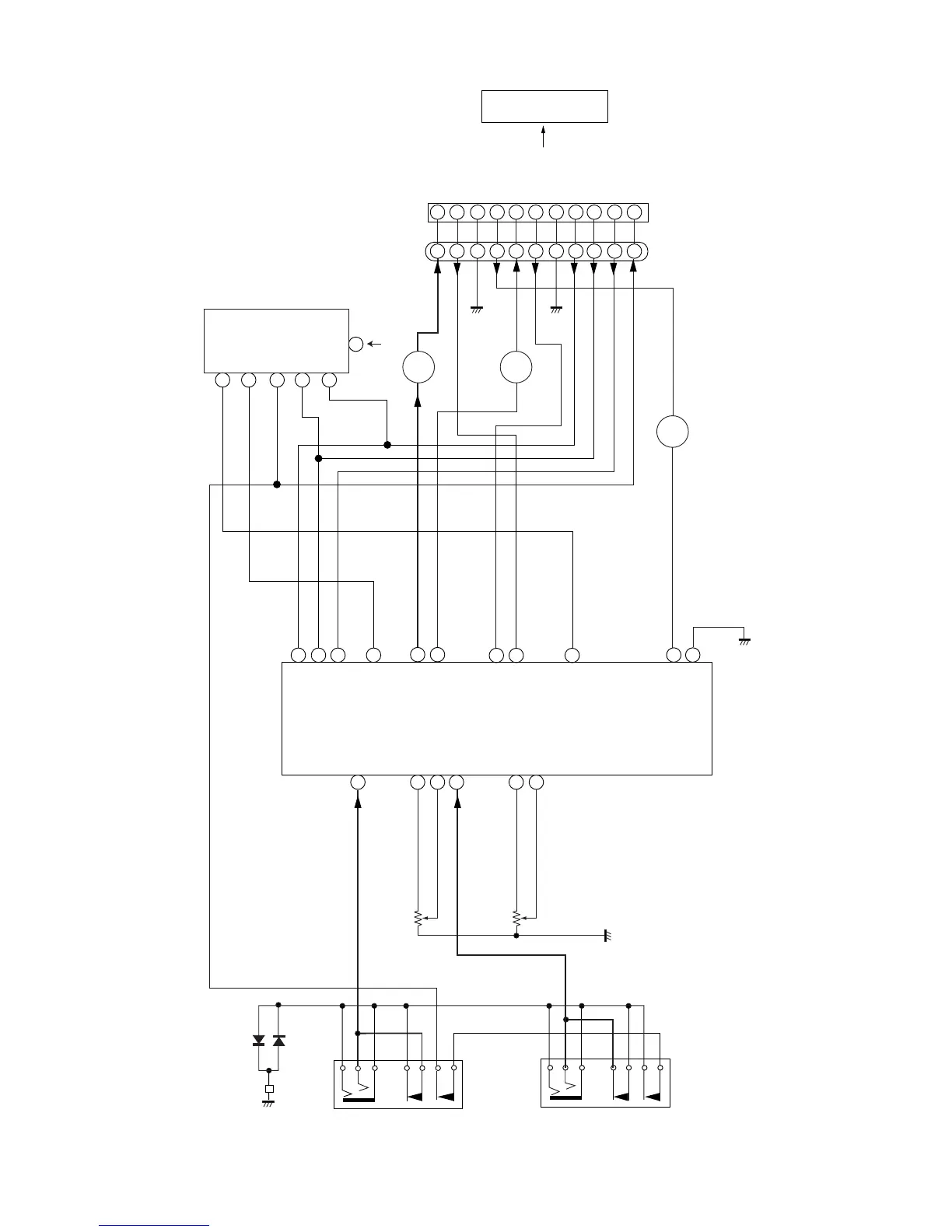
Figure 17 BLOCK DIAGRAM (2/4)

Related product manuals