EasyManua.ls Logo

Sharp CD-BK2100V - Page 18

Sharp CD-BK2100V
72 pages
Print Icon
To Next Page IconTo Next Page
To Next Page IconTo Next Page
To Previous Page IconTo Previous Page
To Previous Page IconTo Previous Page
Loading...
CD-BK2100V
– 18 –
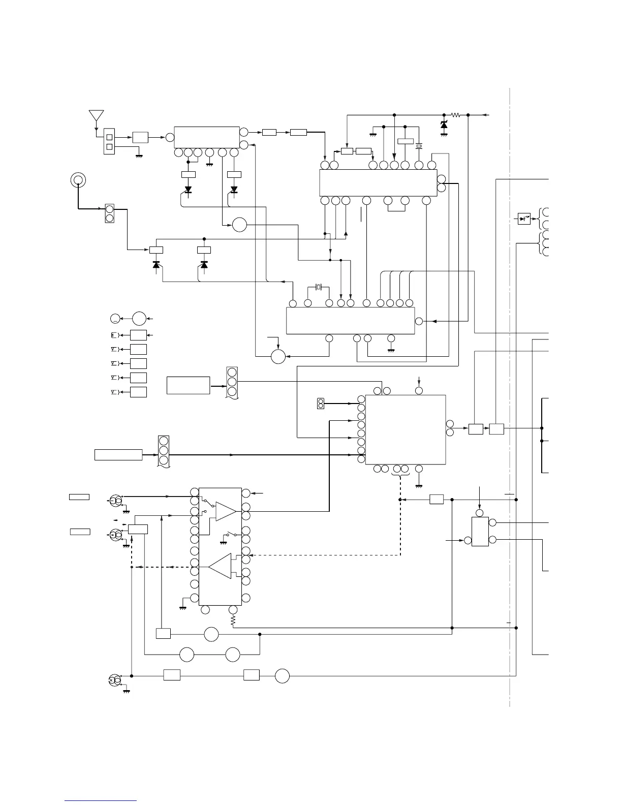
Figure 18 BLOCK DIAGRAM (3/4)
-B2
+B4
-20dB
ATT
SYSTEM
MUTE
Q605
Q606
Q603
Q604
DO
CL
DI
CE
MO/ST
+B4
SWITCHING
+B4
FM/AM
IC302
LC72131
PLL(TUNER)
FM/AM
OUT
+B4
IN
P
E
L
R
BIAS
T1/T2
REC
MUTING
Q121
Q122
AC BIAS
R
L
JK601
VIDEO IN
L
L
R
R
R
L
R
L
AUX
TAPE
TUNER
CD
P.B
CNS601
CNP601
FROM CD SECTION
CNP11
ERASE
HEAD
SWITCHING
SWITCHING
SWITCHING
BIAS
Q110
Q111
Q109
Q126
SWITCHING
Q124
BIAS
OSC
Q128
L104
Q107
Q108
REC PB HEAD
TAPE 2
PB HEAD
TAPE 1
L-CH
R-CH
L-CH
R-CH
IC601
LC75341
AUDIO PROCESSOR
H/N
P.B
+B4
R
R
R
L
L
L
REC
R
L
L NF
R NF
ALC
REC
T1/T2
T1/T2
NOR/
HIGH
REF
R REC
L REC
POP REDUCE
R NF
L NF
SWITCHING
Q103-
Q106
L(T2)
R(T2)
R(T1)
L(T1)
IC101
AN7345K
PLAYBACK AND RECORD
/PLAYBACK AMP.
R
L
FM/AM MPXIN
STEREO
AM RF IN
AM OSC IN
AM IN
FM IN
AM OSC OUT
FM +B
FM
VT
FM OSC
OSC
X352
4.5MHZ
AM BAND
COVERAGE
AM
TRACKING
T303 T306
Q302
X351
456kHz
MO/ST
VCO
FM
DET
VCC
GNDAM IF
CF351
IC303
LA1832S
FM IF DET./FM MPX./AM IF
AM MIX
CF352
T351
FM RF
OSC
FM
L312 T301
T302
IC301
TA7358AP
FM FRONT END
BF301
B.P.F
FM
ANTENNA
AM LOOP
ANTENNA
1
2
1
3
9
10
18
11
16
3
8
4
15
10
9
7
7
7
1
8
17
18
18
4
21
12
13
1
2
3
20
19
7
18
10
8
17
13
21
4
5
2
3
4
6
9
16
12
15
1
5
1
3
8
4
3
2
1
21
7
9
8
5
17
6
21
2
1
20
22
11
17
16
15
9
6
5
7
13
14
12
15
16
4
7
FM OSC
CF303
FM IF
Q360
OSC BUFF
4
24
23
14
14
23
24
P.B
REC
23
1
4
8
5
~
+B4
AM IF
SO302
VDD
+5V
R
L
OPE
AMP.
KIA4558P
IC561
IC562
IC563
VCC
Q708 +3B
+3B
M
Q704
Q705
IC701
54PIN
IC701
53PIN
IC701
56PIN
IC701
55PIN
MM1
TAPE
MOTOR
SOLM1,SOLM2
SOLENOID
SWM2
T2 PLAY
SWM1
T1 PLAY
SWM4
R. PLAY
SWM3
F. PLAY
MOTOR
DRIVER
1
2
FROM KARAOKE
SECTION
CNSK1
1
2
3

Related product manuals