EasyManua.ls Logo

Sharp CD-BK2100V - Page 19

Sharp CD-BK2100V
72 pages
Print Icon
To Next Page IconTo Next Page
To Next Page IconTo Next Page
To Previous Page IconTo Previous Page
To Previous Page IconTo Previous Page
Loading...
– 19 –
CD-BK2100V
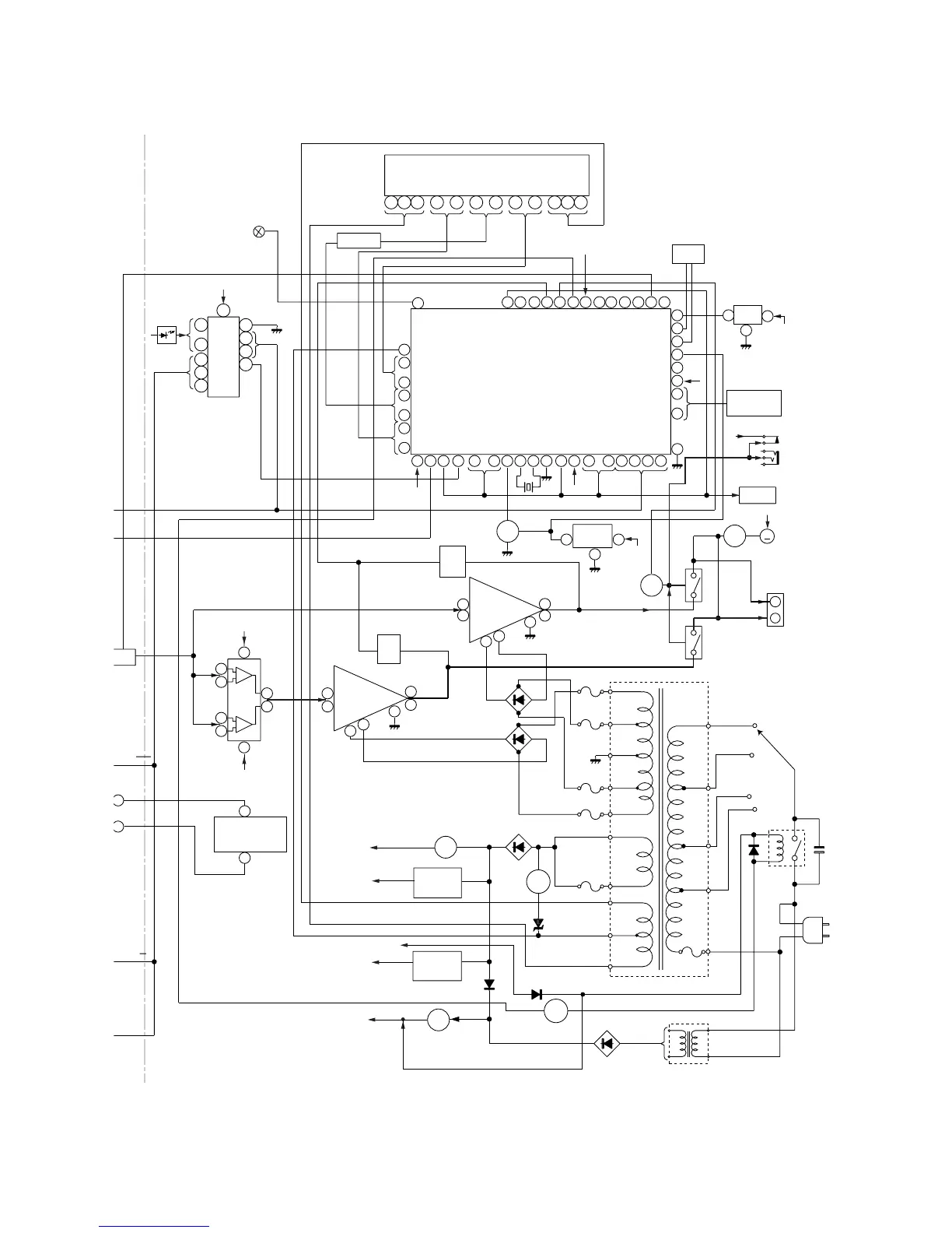
Figure 19 BLOCK DIAGRAM (4/4)
D801
RL801
VLOAD
+B7
SYS. STOP
RESET
IC703
KIA7042AP
RESET
Q709
Q910
+B5
M901
FAN MOTOR
M
SUB
WOOFER
MAIN
SO901
SPEAKER
TERMINAL
SW801
VOLTAGE
SELECTOR
RL902
230–240V
220V
127V
110V
RL901
Q909
+B7
+B7
+B7
+B7
+B3
+B7
VDD
VDD
VDD
+B6
LCK
CL
DI
Q801
+B4
-B2
R
R
L
L
Q901
Q902
Q903
Q904
L-OUT
R-OUT
R-OUT
L-OUT
SP. DET.
Q905
Q906
Q907
Q908
UNSWITCH 5V
CD+B
+5V
A10V
M10V
+B7
+B5
+B6
+B4
+B3
Q821
IC801
KIA7805P
VOLTAGE
REGULATOR
IC802
KIA7810AP
VOLTAGE
REGULATOR
Q823
SYSTEM
MUTE
Q605
Q606
CE
DI
CL
DO
+B4
XL701
4.1943MHz
IC903
KIA4558P
OPE AMP.
Q802
D812-D815
T802
POWER
TRANSFORMER
D804-D807
D803
D802
IC702
BU2092F
INPUT/OUTPUT
EXPANDER
F805
T2A L 250V
+Vcc
STK402-071
F801
T4A L 250V
F800
T4A L 250V
F803
T5A L 250V
F802
T5A L 250V
-Vcc
-Vcc
+Vcc
IC901
POWER AMP.
IC902
STK402-040
POWER AMP.
BIAS
T1/T2
REC
AVDD
KEY
SW701-SW716
SW722-SW735
TO CD
SECTION
Q701-Q703
Q710-Q712
AC POWER
SUPPLY CORD
IC701
IX0335AW
SYSTEM
MICROCOMPUTER
FL701
DISPLAY
1
3
2
7
4
6
1
8
2
3
5
18
85
80
33
31
1
2
3
45
12
3
5
7
13
9
10
15
16
17
20
21
24
23
24
25
86
91
92
79
39
38
36
34
1
15
10
7
13
9
8
10
1
15
8
9
13
7
12
13
4
2
1
3
7
1
27
28
3
6
2
151
20
53 56
57
58
T.F
CONSTANT
VOLTAGE
REGULATOR
~~
~~~
~
11
12
100
52 51
50
49
48
47
46
44
43
42
41 40
37
35
JK670
HEADPHONES
14
~~~
29
14
8
5
~
+B4
RESET
T801
POWER TRANSFORMER
AC 110/127/220/
230–240V
50/60Hz
R
L
+B1
VF2
VF1
-VF
CONSTANT
VOLTAGE
-B2
+B2
-B1
R
L
DRIVER
JOG701
JOG
RX701
REMOTE
SENSOR
10Hz
IC701
IX0335AW
SYSTEM
MICROCOMPUTER
63Hz
P
SW601
SPAN
SELECTOR
27

Related product manuals