EasyManua.ls Logo

Sharp CD-BK2100V - Page 26

Sharp CD-BK2100V
72 pages
Print Icon
To Next Page IconTo Next Page
To Next Page IconTo Next Page
To Previous Page IconTo Previous Page
To Previous Page IconTo Previous Page
Loading...
CD-BK2100V
– 26 –
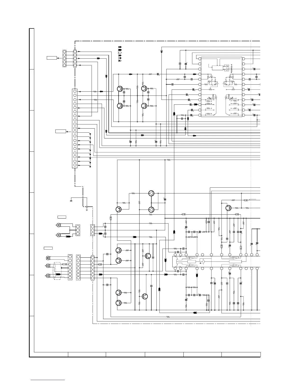
Figure 26 SCHEMATIC DIAGRAM (7/13)
A
B
C
D
E
F
G
H
1
23456
• NOTES ON SCHEMATIC DIAGRAM can be found on page 14.
24
23
22
21
20
19
18
17
16
15
14
13
12
11
10
9
8
7
6
5
4
3
2
1
24
23
22
21
20
19
18
17
16
15
14
13
12
11
10
9
8
7
6
5
4321
REC_R
0V
A_GND
L
AC_RLY CON
VF1
VF2
-VF
UN_SW 5V
M_+10V
+5V
SP_RLY
SP_DET
D_GND
-15V
A_+10V
CD_+B
CD_GND
M_GND
A_GND
A_GND
R_CH
L_CH
LUG101
CHASSIS
MECHA BASE
L
R
R
CD_GND
L-CH
A_GND
R-CH
T1_R
T1_L
A_GND
M_GND
ERASE
T2_R2
T2_R1
T2_L1
T2_L2
9.3V
8.6V
9.3V
0V
3.4V
3.4V
0V
0V
0V
0V
0.7V
0.7V
0V
0V
0V
0.7V
0V
0V
0V
0.7V
0V
0V
0V
0V
0V
0.7V
0.7V
3
4
2
1
5
CD
TUNER
DECK
AUX
DI
CE
VSS
LOUT
LBASS
LTR
LIN
L4
L3
L2
L1
CLK
VDD
VREF
ROUT
RBASS
RTRE
RIN
RSEL0
R4
R3
R2
R1
INTERFACE
CCB
+
-
+
-
+
-
+
-
+
-
+
-
+
-
+
-
LSEL0
Vcc
ALC
GND
ALC
RIPPLE
Nor/
CrO2
-
+
-
+
Hich=T1
+ +
-
-
Hich=CHROME
56K
112K
56K
112K
1
1
23
3
2
19
18
17
16
15
14
13
12
11
10
9
8
7
6
5
4
3
2
1
3
1
2
5
4
CD_+B
+B
+B
+B +B
+B
+B
+B
+B
+B
+B
–B
–B
–B
3
1
2
FM SIGNAL
PLAYBACK SIGNAL
RECORD SIGNAL
CD SIGNAL
AUDIO SIGNAL
VIDEO SIGNAL
TO CD VIDEO PWB
P23 12-D
CNP11
TO POWER SUPPLY
P30 1-D
CNS901
7
6
5
4
3
2
1
7
6
5
4
3
2
1
3
1
2
R-CH
L-CH
PLAYBACK
HEAD
TAPE1
RECORD/
PLAYBACK HEAD
TAPE2
R-CH
L-CH
ERASE
HEAD
1
2
3
4
5
6
7
R609
330
C636
0.001
C635
0.001
R621
2.2K
Q605
KTC3199 GR
R610
330
Q606
KTC3199 GR
R622
2.2K
R612
5.6K
Q604
KTC3199 GR
Q603
KTC3199 GR
R615
2.2K
C615
0.001
C616
0.001
R616
2.2K
R614
390
C618
22/25
R620
22K
R114
10K
R113
10K
R115
4.7K
Q109
KTA1266 GR
C102
560P
C101
560P
C106
180P
Q104
2SC1845 F
R104
2.2K
R106
3.3K
Q106
2SC1845 F
C105
180P
Q105
2SC1845 F
R105
3.3K
R103
2.2K
Q103
2SC1845 F
R107
47K
Q107
KTC3199 GR
R109
4.7K
C107
560P
R111
15K
R119
56
C115
100/25
C117
0.033
R121
100K
R123
3.9K
C119
560P
C121
1/50
C123
0.0022
C127
0.022
C128
3.3/50
R135
3.9K
R137
6.8K
C131
270P
R139
1.5K
C135
0.022
R141
100
C133
22/25
C141
47/25
R145
10K
C146
220/10
C145
22/25
C142
47/25
C136
0.022
C140
0.0033
C134
22/25
R146
10K
R142
100
R140
1.5K
R138
6.8K
C132
270P
R136
3.9K
R134
68K
R132
33K
C124
0.0022
R126
5.6K
R124
3.9K
C122
1/50
C120
560P
R122
100K
C118
0.033
C116
100/25
R120
56
C114
330P
R118
1K
C112
330P
R101
1K
R108
47K
C108
560P
Q108
KTC3199 GR
R110
4.7K
R102
1K
R112
15K
Q111
KRC104 M
C153
100/16
Q110
KRC104 M
Q110,Q11 ;SWITCHING
SWITCHING
Q103~Q108 ; SWITCHING
R155
150
C617
1/50
R619
22K
C641
0.0033
(ML)
R617
1.5K
C625
1/50
C623
1/50
C621
4.7/50
C619
1/50
C611
0.0027(ML)
R605
3.9K
C609
0.1
(ML)
C607
0.1
(ML)
C604
0.022
C606
100/16
A
C602
22/50
C608
0.1
(ML)
C610
0.1(ML)
C
6
0.00
2
C622
4.7/50
C624
1/50
C620
1/50
C626
1/50
C628
1/50
C630
1/50
R156
220K
R154
10K
R153
10K
Q122
KTC3199 GR
Q1
2
KTC31
9
IC101
AN7345K
IC101
AN7345K
PLAYBACK AND RECORD/
PLAYBACK AMP.
C113
330P
R117
1K
C111
330P
R611
5.6K
R613
390
R607
10K
C613
10/50
C139
0.0033
R131
33K
R125
5.6K
C627
1/50
C629
1/50
BI102
CNS102
BI601
CNS601
CNP901
CNP101

Related product manuals