EasyManua.ls Logo

Sharp CD-BK2100V - Page 30

Sharp CD-BK2100V
72 pages
Print Icon
To Next Page IconTo Next Page
To Next Page IconTo Next Page
To Previous Page IconTo Previous Page
To Previous Page IconTo Previous Page
Loading...
CD-BK2100V
– 30 –
A
B
C
D
E
F
G
H
1
23456
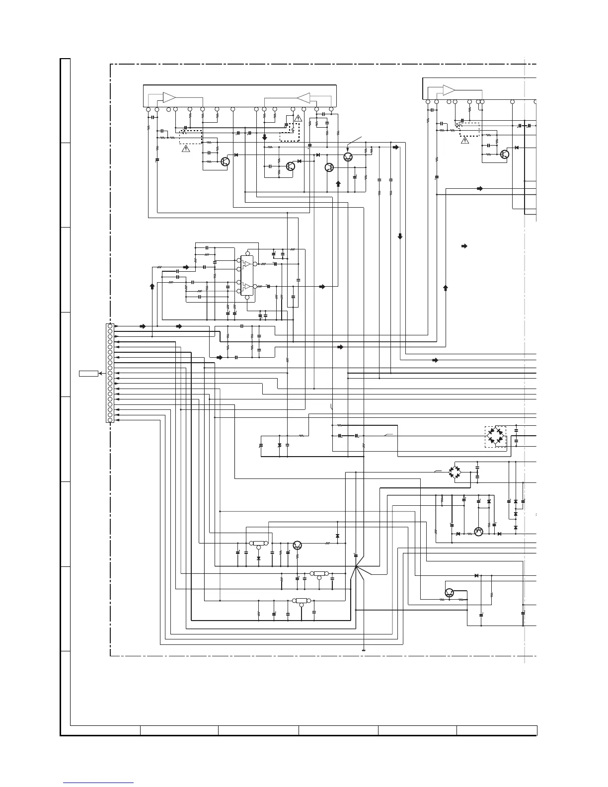
• NOTES ON SCHEMATIC DIAGRAM can be found on page 14.
Figure 30 SCHEMATIC DIAGRAM (11/13)
3
2
1
8
7
6
5
4
3
2
1
3
2 1
3
2
1
+B2
+B1
-B
AC_RLY CON
VF1
VF2
-VF
UN_SW 5V
M_10V
+5V (SW)
SP_RLY
SP_DET
M_GND
CD_GND
CD_+B
A_GND
A_+10V
D_GND
-15V
A_GND
R CH
L CH
L VOUT
D_GND
UN_SW_5V
9
8
7
6
5
4
3
2
1
15
14
13
12
11
10
9
8
7
6
3
2
1
-
Vcc
+Vcc
(2
C
+
-
Ch1
Out
Ch1
Ch1
Out
Out
Ch2
Ch2
Ch1
+Vcc
-Vcc
--
+
+
(2Ch)
-
-
+
+
1
1 2 3 4 5 6 7 8
9
2 3
4 5 6
7
8 9
10 11 12 13 14 15
19
18
17
16
15
14
13
12
11
9
8
6
7
5
4
3
2
1
10
+B
+B
+B
+B
+B
+B
+B
+B
+B
+B
+B
+B
+B
+B
+B
+B
+B
+B
–B
–B
–B
–B
FM SIGNAL
D81
1N40
0
D81
2
1N400
4
C818
470/35
R807
220
D811
1SS133
C819
1000/6.3
R817
47K
Q802
KTC3199 GR
R816
1K
C824
0.022
IC801
KIA7805P
C825
0.022
C826
47/25
R809
10K
R810
22K
C821
0.022
C822
0.022
C823
47/25
IC802
KIA7810A
R811
3.3(1/2W)
D817
1SS133
C820
3300/25
Q821
AN78L05
Q821
CONSTANT VOLTAGE
REGULATOR
Q823
KTC2026
Q823
CONSTANT VOLTAGE
R812
33
C827
22/25
R813
22K
C828
0.022
D816
1SS133
C829
0.022
C830
47/25
ZD803
MTZJ13C
R806
680(2W)
C815
0.022
C816
47/25
R805
22K
C813
3300/63
C814
3300/63
R819
22K
D804
1N4004S
D807
1N4004S
D806
1N4004S
D805
1N4004S
C806
0.047(ML)
C805
0.047(ML)
R803
12K
C812
100/35
ZD802
MTZJ6.2A
R802
10
Q801
KTA1274 Y
R801
2.2K
C810
47/50
C811
47/50
R804
47K
ZD801
MTZJ36C
C807
100/50
C809
220/63
D810
1N4004S
D818
1N4004S
D809
1N4004S
C808
100/5
0
D808
1N4004S
C803
0.047(ML
C804
0.047(ML
D803
TS6B04GM
CNS901
CNP901
C941
0.015(ML)
R973
100K
R975
68K
C943
0.001
R966
330
C944
0.001
R974
68K
C942
0.015
(ML)
R972
100K
C957
0.022
C956
47/50
C952
10/16
C951
10/16
R961
1.5K
C949
0.022
R963
4.7K
C945
0.15
R959
8.2K
C947
100P
R958
8.2K
R965
18K
R957
18K
C955
0.15
C954
0.15
C948
100P
C946
0.15
R964
18K
R962
4.7K
C950
0.022
R956
18K
IC903
KIA4558P
OPE AMP.
R969
1K
C959
2.2/50
R971
68K
R970
68K
C958
2.2/50
R968
1K
C953
47/25
C986
0.022
R967
330
C960
0.1(ML)
C961
0.1(ML)
C911
47/50
R916
6.8K
Q902
KTC3199 GR
R912
0.1(1W)
R914
1K
D902
1SS133
R911
0.1(1W)
C905
0.022
R915
6.8K
R913
1K
Q901
KTC3199 GR
D901
1SS133
D903
1SS133
Q904
KTC3199 GR
C914
47/50
R919
56K
C919
0.1
(ML)
R921
56K
R920
56K
R923
4.7
R922
4.7
C918
0.1
(ML)
R936
10K
Q906
KTC3199 GR
C921
10/50
C920
10/50
D905
1SS133
C924
0.022
R934
0.1(1W)
R924
100
C922
100/50
R926
22K
R932
1K
C931
1/50
R930
820
R928
56K
C928
15P
C926
220P
R976
1K
R917
1K
R909
1K
C909
15P
R903
56K
C908
47/50
R907
1K
R910
100
C904
100/50
R993
0.22(2W)
R995
0.22(2W)
C902
10/50
C901
10/50
R996
0.22
(2W)
R994
0.22
(2W)
R901
100
C903
100/50
R902
22K
R908
1K
R906
1K
R904
56K
C910
15P
C906
220P
R918
1K
IC901
STK402-071
POWER AMP.
C907
220P
IC902
STK402-040
POWER MAP.
C912
0.022
Q903
KTC3199GR
R938
1K
R960
1.5K
IC801,IC802: VOLTAGE REGULATOR
TO MAIN PWB
P26 1-C

Related product manuals