EasyManua.ls Logo

Sharp CD-BK2100V - Page 31

Sharp CD-BK2100V
72 pages
Print Icon
To Next Page IconTo Next Page
To Next Page IconTo Next Page
To Previous Page IconTo Previous Page
To Previous Page IconTo Previous Page
Loading...
– 31 –
CD-BK2100V
7
8 9 10 11 12
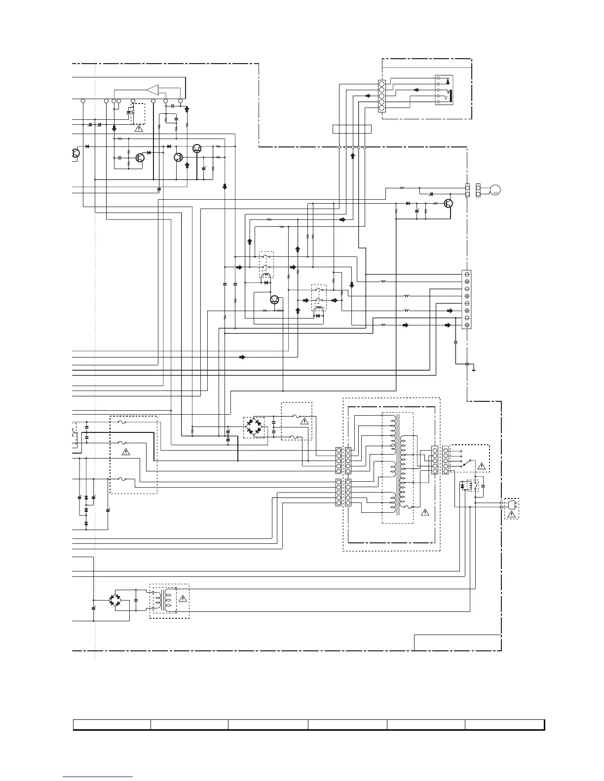
Figure 31 SCHEMATIC DIAGRAM (12/13)
127V
110V
220V
230-240V
SP_Lch_GND (LOW)
SP_Lch (LOW)
SP_Rch_GND (LOW)
SP_Rch (LOW)
SP_Rch_GND (HI)
SP_Lch (HI)
SP_Lch_GND (HI)
SP_Rch (HI)
TF801
3
1
2
5
4
1
2
3
4
5
15
14
13
12
11
10
9
8
M
1
22
1
55
4
4
2
1
3
5
4
2
1
3
3
2
1
-Vcc
+Vcc
(2Ch)
+
-
Ch2
Ch2
Out
8 9
151413121110
+B
+B
+B
+B
B
+B
+B
5
4
2
1
3
FW801
HEADPHONES PWB-A3
1
2
3
4
5
5
WT601
1
+B
+B
JK670
HEADPHONES
L
T802
POWER
TRANSFORMER
T801
POWER
TRANSFORMER
C817
0.047
(ML)
D815
1N4004S
D814
1N4004S
D813
1N4004S
D812
1N4004S
C818
470/35
7
0
CNP802
CNP804
CNP801
RL801
C831
0.0047
C
07
0
/50
8
09
0/63
D810
N
4004S
D818
1N4004S
D809
1N4004S
C808
100/50
D808
1N4004S
C834
100/63
F805
T2A L 250V
F801
T4A L 250V
C833
0.047
(ML)
C832
0.047
(ML)
F800
T4A L 250V
D802
TS6B04GM
F803
T5A L 250V
C801
2200/50
C802
2200/50
R820
22K
F802
T5A L 250V
C803
0.047(ML)
C804
0.047(ML)
R943
4.7
C935
0.1(ML)
R942
4.7
C936
0.1
(ML)
R979
1K
Q909
KTC3199 GR
D907
1SS133
R946
270
(1/2W)
R947
270
(1/2W)
RL901
RL902
D908
1SS133
R950
2.2K
R951
2.2K
L903
0.29µH
L902
0.29µH
L904
0.29µH
L905
0.29µH
C988
0.001
SO901
SPEAKER
TERMINAL
C938
10/50
R953
68K
R954
1K
Q910
KTC3203 Y
CNP803
CNS803
D909
1SS133
C937
47/50
R955
4.7(1/2W)
R952
15K
R949
2.2K
R948
2.2K
R944
270(1/2W)
R945
270(1/2W)
6
9 GR
C925
0.022
R935
10K
Q905
KTC3199 GR
Q908
KTC3199 GR
C932
47/50
R941
56K
R939
56K
R940
56K
Q907
KTC3199 GR
D906
1SS133
R977
1K
R931
1K
C929
15P
R927
56K
C930
1/50
R929
820
D904
1SS133
R933
0.1(1W)
R925
100
C923
100/50
C921
10/50
C920
10/50
D905
1SS133
C
902
4
02-040
ER MAP.
C927
220P
R
938
1K
R937
1K
R980
10K
D801
1SS133
SW801
VOLTAGE
SELECTOR
M901
FAN MOTOR
AC POWER
SUPPLY CORD
110/127/220/230-240V
50/60Hz
POWER PWB-B

Related product manuals