EasyManua.ls Logo

Sharp CD-C1831V - Page 19

Sharp CD-C1831V
72 pages
Print Icon
To Next Page IconTo Next Page
To Next Page IconTo Next Page
To Previous Page IconTo Previous Page
To Previous Page IconTo Previous Page
Loading...
– 19 –
CD-C1831V
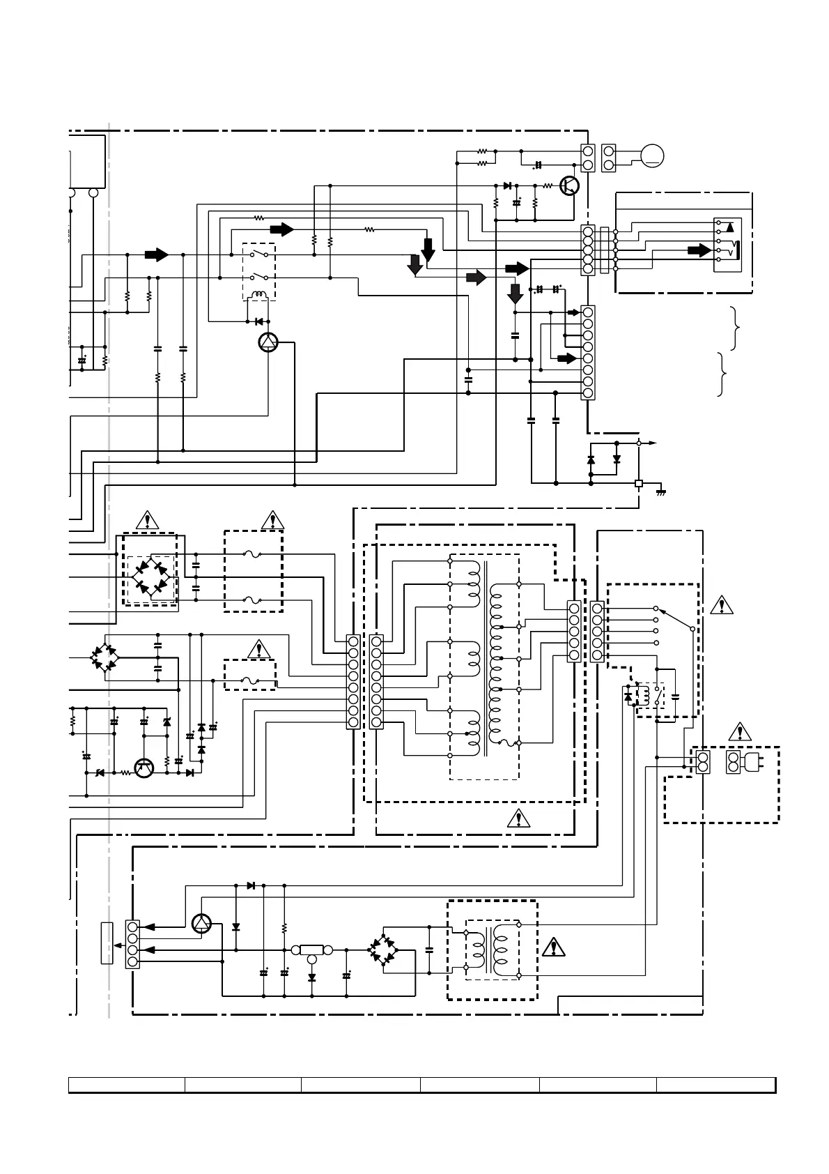
Figure 19 SCHEMATIC DIAGRAM (4/11)
7
8 9 10 11 12
FW801
C956
100/50
C954
100/50
C953
0.001
C952
0.001
C951
0.001
C950
0.001
Q908
KRC107 M
C937
0.1
(ML)
C936
0.1
(ML)
D802
1SS133
JK970
HEADPHONES
CNP802
R946
330(1/2W)
R937
4.7
R934
4.7
R961
15K
D960
1SS133
C960
10/50
R963
1K
Q906
2SC3331
RL901
R936
56K
C938
47/50
WTM801
D810
1SS133
D813
1SS133
D812
1SS133
D811
1SS133
C809
0.047(ML)
C924
15P
C813
220/50
C806
0.22
C805
0.22
D803
N
4004S
D806
1N4004S
D805
1N4004S
D804
N4004S
ZD802
MTZJ30B
C804
47/50
Q801
KTA1274 Y
R806
2.2K
D807
1N4004S
D808
1N4004S
D809
1N4004S
C812 220/50
C811 220/50
RL801
SW801
VOLTAGE SELCTOR
110V
230-240V
127V
220V
C961
47/50
CNP804
R960
22
R967
150
4
15
D907
1SS133
R938
56K
R939
56K
R949
330(1/2W)
R941
4.7K
R942
4.7K
D961
1SS133
D962
1SS133
Q960
2SC3331
+
+
+
+
C802
100/35
ZD801
MTZJ6.2A
C803
47/50
R802
47
1
2
CNP801
T802
C801
0.1
M
M901
FAN MOTOR
1
2
3
4
3
4
5
5
T801
POWER TRANSFORMER
C810
470/25
Q803
AN78L05
1
D816
1SS133
2
3
C814
10/16
R808
220
C815
1000/6.3
D815
1SS133
D818
1SS133
Q802
KRC107 M
CNP806
R962
68K
8
01
2
K
SO801
AC
INPUT
F802
T4A L 250V
F803
T4A L 250V
1
2
3
16
OHMS/CH
6
OHMS/CH
+B
+B
+B
+B
+B
CNS804
1
5
SURROUND SPEAKER L-CH
SURROUND SPEAKER R-CH
SURROUND SPEAKER L-CH GND
SURROUND SPEAKER R-CH GND
FRONT SPEAKER L-CH
FRONT SPEAKER R-CH
FRONT SPEAKER L-CH GND
FRONT SPEAKER R-CH GND
CNS801
T.F
F805
T2A L 250V
–B
POWER TRANSFORMER
3
2
1
D_GND
UN_SW_5V
AC _RLY_CON
+5V
+B
CNS806
P21 12 - E
TO DISPLAY PWB
+B
AC POWER
SUPPLY CORD
AC 110/127/220
230-240V
50/60Hz
POWER PWB-A2
HEADPHONES PWB-A5
8
7
6
5
4
3
2
1
8
7
6
5
4
2
1
3
4
3
2
1
5
4
3
2
1
2
11
2
D801
TS6B04GM
CNS802
C808
0.22
C807
0.22
SO901
SPEAKER
TERMINAL
VOLTAGE
REGULATOR
TO TAPE MECHANISM
CHASSIS

Related product manuals