EasyManua.ls Logo

Sharp CD-M10000 - Page 18

Sharp CD-M10000
68 pages
Print Icon
To Next Page IconTo Next Page
To Next Page IconTo Next Page
To Previous Page IconTo Previous Page
To Previous Page IconTo Previous Page
Loading...
CD-M10000W/CP-M10000
– 18 –
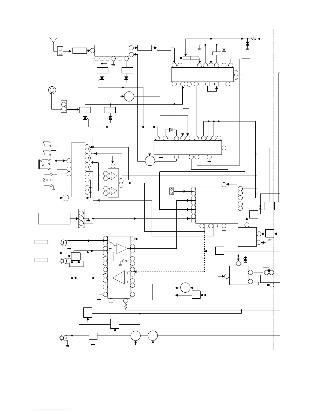
Figure 18 BLOCK DIAGRAM (2/3)
24
MOTOR
DRIVER
Q708
SOLENOID
DRIVER
Q704
Q705
+B8
28
IC860
KIA4558P
OPE AMP.
8
1
3
Q864
Q865
+
B
Q862
Q863
R-CH
L-CH
R
L
R
L
R
L
R
L
L R
JK601
VIDEO/AUX
FM
+B
+B9
CL
+B9
AM IF
OSC BUFF
AM LOOP
ANTENNA
FM IF
FM
OSC
B.P.F
SO301
FM ANTENNA
TERMINAL
CNS11
–20dB
ATT
Q103-
Q106
–B5
+B9
IC701(2/2)
IX0460AW
IC703,IC704
KIA4558P
OPE AMP.
Q121
Q122
Q603
Q604
Q6
0
Q6
0
10.7 MHz
450 kHz
RE
C
CLK
CE
DI
SY
S
M
U
DO
DI
CE
MO/ST
CONSTANT
VOLTAGE
+B9
FM/AM
IC303
LC72131
PLL(TUNER)
FM/AM
OUT
L
R
BIAS
T1/T2
MUTING
P.B.
REC
AC BIAS
TAPE
TUNER
CD
MIC
PB
FROM CD
SERVO SECTION
CNP7
ERASE
HEAD
SWITCHING
SWITCHING
BIAS
Q109
Q110
Q126
SWITCHING
Q124
OSC
BIAS
Q128
L104
Q107
Q108
Q111
RECORD
PLAYBACK
HEAD
TAPE 2
PLAYBACK
HEAD
TAPE 1
L-CH
R-CH
L-CH
R-CH
IC601
LC75341
AUDIO PROCESSOR
H/N
P.B
+B9
R
L
REC
R
L
L NF
R NF
ALC
REC
T1/T2
T1/T2
NOR/
CRO2
REF
R REC
L REC
POP REDUCE
R NF
L NF
SWITCHING
L(T2)
R(T2)
R(T1)
L(T1)
IC101
AN7345K
PLAYBACK AND
RECORD/PLAYBACK AMP.
R
L
PHASE(FM/AM)
MPX IN
STEREO
AM RF IN
AM OSC IN
FM/AM
Q360
VT
OSC
X352
4.5 MHZ
AM BAND
COVERAGE
AM TRACKING
T303
T306
Q302
X351
456 kHz
MO/ST
MPX
VCO
FM
DET
VCCGNDAM IF
IN
CF351
IC302
LA1832S
FM IF DET./
FM MPX./
AM IF
AM
MIX
OUT
CF352
T351
FM
RF
OSC
FM
L312 T301
CF303
T302
IC301
TA7358AP
FM FRONT END
BF301
7
8
4
1
30
29
3
1
CNP301
JK1
MIC
2
1
2
1
24
2
23
3
22
6
9
16
14
12
15 19
10
17
18
8
7
20
5
21
13
4
3
4
578
9
6
2
1
12 4598 1713
14
15
1216182123
20 1 22 15 16 11
17
2110
16
10
15
11
14
12
13
7
3
79
9
7 18 8 17 3
1
23
2
24
21
4
456
L
R
ICK1
M65856SP
MIC AMP.
ICK2
KIA4558P
OPE AMP.
LATCH
MIC IN
VRK1
MIC
VOLUME
CLOCK
DATA
L OUT
R OUT
L IN
R IN
VCC
MCLKCONT
VACL
+B9
+B9
9
8
1
5
6
2
3
7
12
13
23
2
QK1
32
31
35
36
42
41
40
L
R
+B9 +B9
TAPE
MECHANISM
ASS'Y
L R
FM
ANTENNA
+B9
+B9
+B9
3
ZD351
5.1V
ZD701
6.2V

Related product manuals