EasyManua.ls Logo

Sharp CD-PC3500 - Page 18

Sharp CD-PC3500
68 pages
Print Icon
To Next Page IconTo Next Page
To Next Page IconTo Next Page
To Previous Page IconTo Previous Page
To Previous Page IconTo Previous Page
Loading...
CD-PC3500
– 18 –
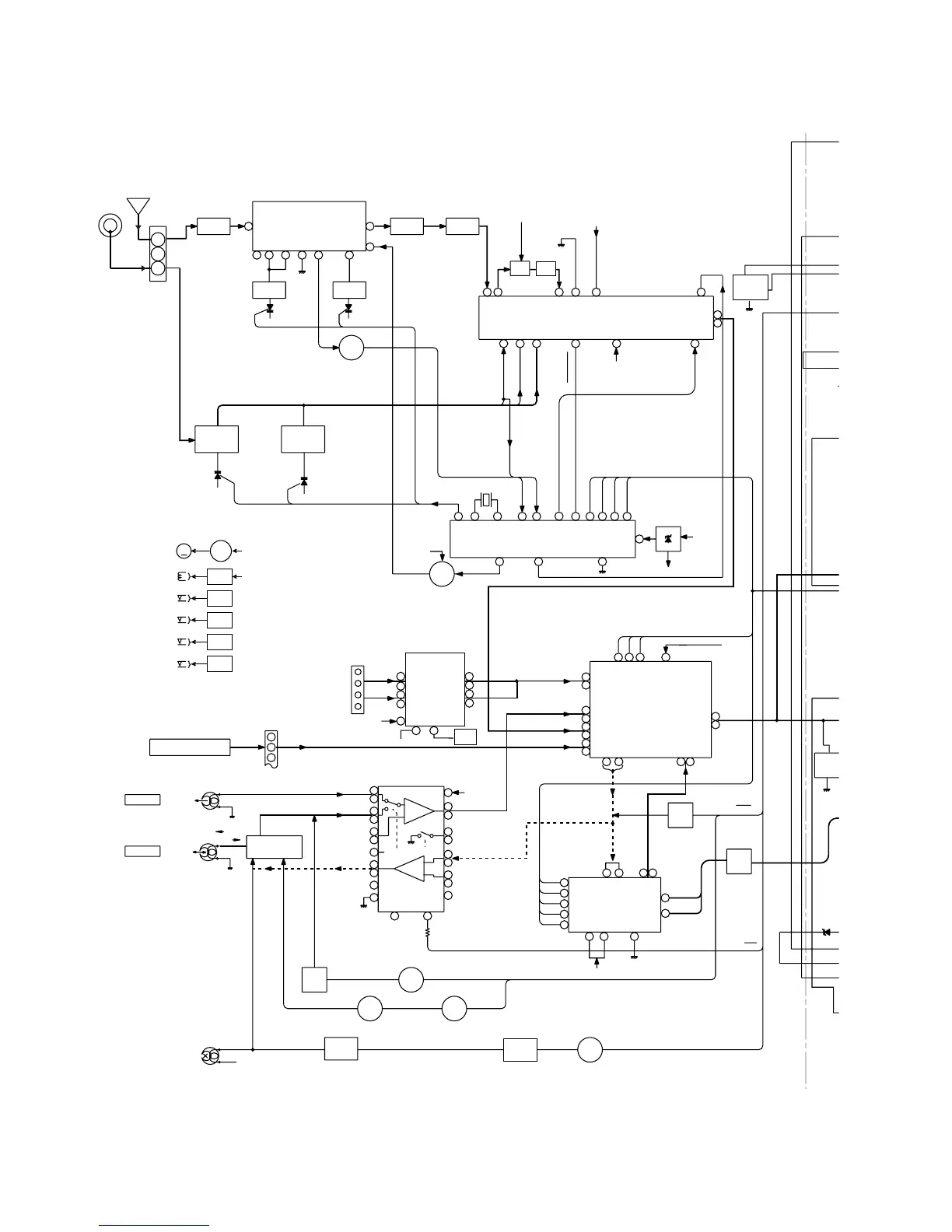
Figure 18 BLOCK DIAGRAM (2/3)
VOLUME
JOB
VR701
FM
ANTENNA
AM LOOP
ANTENNA
1
2
3
CNP301
Q706 +4B
+4B
M
Q704
Q705
IC701
54PIN
IC701
53PIN
IC701
56PIN
IC701
55PIN
MM1
TAPE
MOTOR
SOLM1,SOLM2
SOLENOID
SWM2
T2 PLAY
SWM1
T1 PLAY
SWM4
R. PLAY
SWM3
F. PLAY
MOTOR
DRIVER
4
5
9
21
16
21
1 2
24
23
15
20
1
22
15
14
15
12
7 9
11
3
9
4
5
6
10
GND AM IF
FM IN
IC302
LC72131
PLL (TUNER)
OSC
AM IF
AM MIX
AM IN
AM OSC IN
AM RF IN
X352
4.5MHz
FMOSC
AM TRACKING
AM OSC
T351
+B9
+B9
+B9
IC303
LA1832
FM/AM IF MPX.
L
R
STEREO
AM OSC IN
VT
DO
DI
CL
CE
1
24
2
23
3
4
4
21
5
20
6
7
17
8
9
16
10
14
12
13
18
H/N
T1/T2
R-CH
L-CH
L-CH
R-CH
P.B
REC
TAPE 2
TAPE 1
L NF
L(T1)
R(T1)
L(T2)
R(T2)
R NF
L
R
POP REDUCE
L REC
R REC
L
R
REC
P.B.
REC
ALC
NOR/
HIGH
T1/T2
REF
L NF
R NF
PB HEAD
REC/PB HEAD
SWITCHING
Q103~Q106
AC BIAS
IC101
AN7345K
PLAYBACK AND RECORD
/PLAYBACK AMP.
PB
ERASE
HEAD
SWITCHING
BAIS
Q126
Q124
Q128
L104
Q111
Q110
Q109
Q107
Q108
Q403
Q404
SWITCHING SWITCHING
SWITCHING
+B5
1
2
3
CNS401
FROM CD SECTION
CNP11
17
+B5
+B9
+B5
+B5
+B5
VOLTAGE
REGURATER
9
1
3
8
87
10
14
2
9
4
11
16
10
15
11
14
12
13
8
17
18
7
1
2
75
74
34
21 69 25
38
35
37
36
3
IC401
LC75341M
AUDIO PROCESSOR
IC201
BU4066BH
SWITCHING
L
R
L
R
L
R
L
R
L
R
L
L
R
R
TUNER
L
R
VIDEO
TAPE
CD
BAIS
T1/T2
REC
MUTING
Q503
Q504
+B5
21
4
9
Q401
Q402
Q501
Q502
ZD801
9
1
2 3 4
5
7
8
6
Q302
FM IF IN
FM IF
FM RF
FM
OSC
T302
FM OSC
FM B.P.F
IC301
TA7358AP
FM FRONT END
T301
L312
OSC BUFF
BF301
7
FM
Q360
FM +B
VOLTAGE
REGULATOR
CF303
FM+B MO/ST
FM/AM
BIAS
OCS
15 19
24 1 2
23
MONO/ST
JK201
VIDEO IN
T331 T306
CF352
TAPE
MECHANIS
M
+B7
IC501
M62464FP
DOLBY PRO LOGIC
DECORD
CL
DI
CE

Related product manuals