EasyManua.ls Logo

Sharp CD-PC3500 - Schematic Diagram; Wiring Side of P.w.board

Sharp CD-PC3500
68 pages
Print Icon
To Next Page IconTo Next Page
To Next Page IconTo Next Page
To Previous Page IconTo Previous Page
To Previous Page IconTo Previous Page
Loading...
CD-PC3500
– 20 –
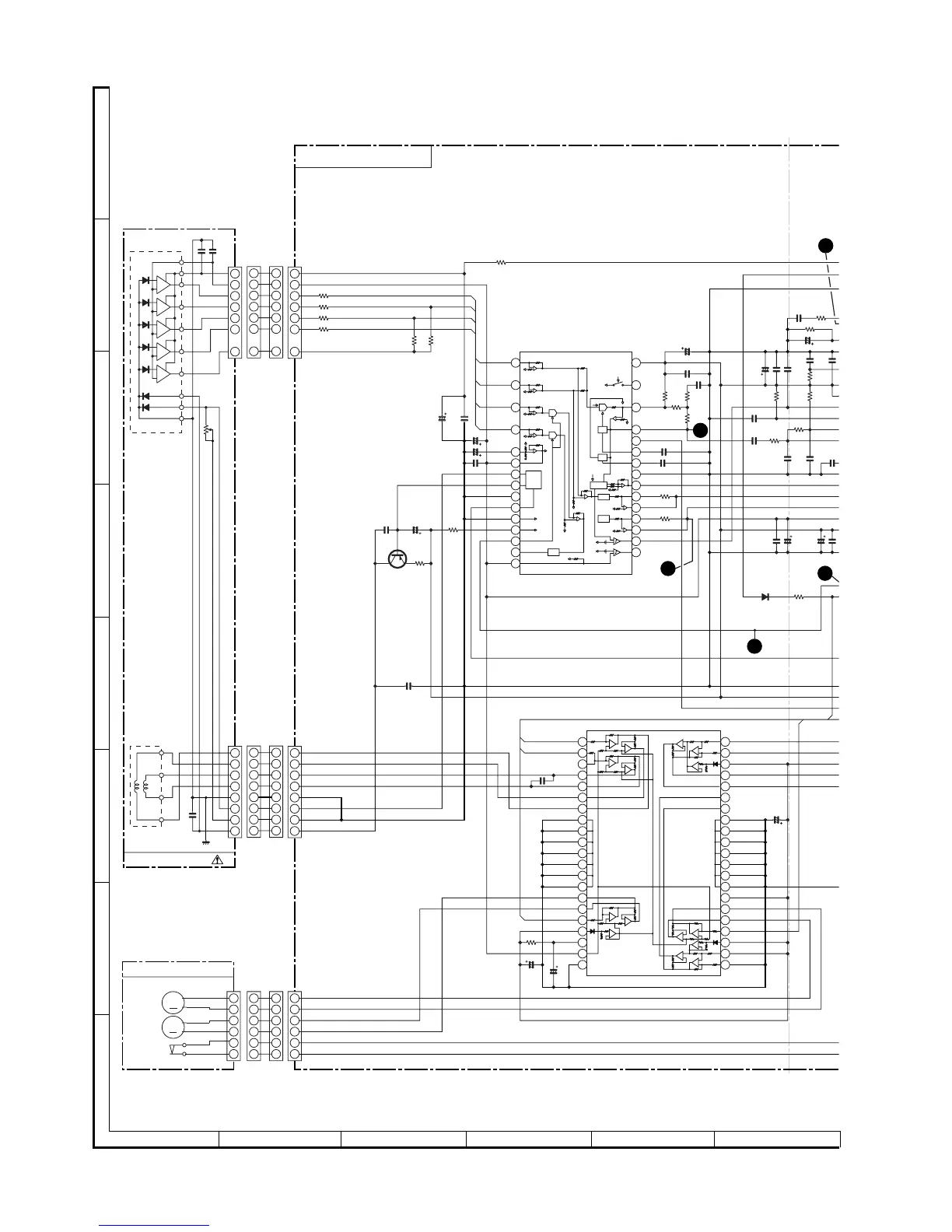
Figure 20 SCHEMATIC DIAGRAM (1/12)
A
B
C
D
E
F
G
H
1
23456
• NOTES ON SCHEMATIC DIAGRAM can be found on page 16.
42
41
40
39
38
37
36
LOADING M-
VCC4
LD_M+
LD_M-
LOADING M+
35
34
33
32
31
30
29
28
27
26
25
24
23
22
SPDO
VCC3
VCC2(SPN)
SP-
SP+
SPO
GND
+B
EFBL
PH
TDO
FDO
NC
TEST
HFL
TE
TE-
FE
FE-
RFEV
BH
PH
RF
RF-
RFSW
VCC
30
29
28
27
26
25
24
23
22
21
20
19
18
17
16
REF
ODRV
AGCON
ODRV
REF
REF
REF
REF
REF
REF
REF
REF
REF
REF
REF
REF
REF
REF
AGCON
ODRV
APC
LPF
DH
PH
LPF
LPF
PH/BH
LDON
EFBL
FIN1
FIN2
REF1
TIN2
TIN1
AGON
LDD
TEST0
GND
VREF
TES1
15
14
13
12
11
10
9
8
7
6
5
4
3
2
1
FIN2
FIN1
TIN2
TIN1
+B
+B
2
5
3
1
7
6
4
4
3
2
1
7
6
5
CD SERVO PWB-C
5
1
3
7
6
4
2
4
3
2
1
7
6
5
Vcc
C
Vref
F
B
E
A
LD
VR
PD
GND
FO-
FO+
TR+
TR-
5
2
1
2
3
4
5
6
7
88
3
6
7
1
4
TR-
TR+
FO+
FO-
GND
PD
VR
LD
ACTUATOR
FO+
FO-
TR-
TR+
1
2
3
4
5
6
7
88
3
6
7
1
4
5
2
PICKUP UNIT
GND(D)
PUIN
SP+
SP-
SL+
SL-
3
2
5
1
4
6
2
3
5
1
4
6
3
6
1
4
5
22
3
5
1
4
6
CD MOTOR PWB-D
21
20
19
18
17
16
15
14
13
12
11
10
9
8
7
6
5
4
3
2
1
SLDO
FDO
TDO
MUTE
Vref
STANDBY
VCC1
SL-
SL+
GND
TR+
TR-
FO-
FO+
FO
FD
TO
+B
+B
+
+
+
+
+
+
+
+
+
-
-
-
-
-
-
-
-
-
-
-
-
-
-
-
+
+
+B
+B
+B
+B
+
-
-
+
M
M
+
+
+
+
R54 68K
R53 68K
R52 68K
R51 68K
CNP1
R56
68K
R55
68K
C6
100/10
C54
47/10
C55
0.01
C51
47/10
C53
0.001
R25
10K
C7
10/16
C8
0.1
R47
3.3
Q3
KTA1266GR
LASER DRIVER
R50
47
C14
0.33
C13
0.01
R42
120K
R3
100K
R4
10K
C11
0.47/6.3
R6
27K
R7
6.8K
R5
39K
C12
0.1
C18
3P
(CH)
C19
100/10
R8
330
R10
27K
C26
0.047
C22
100P
R80
1M
R79
1.5M
C24
2.2/50
C21
0.1
C23
0.047
R12
680
R
1
R11
12K
R
6
0
C27
0.1
C17
0.0047
R15
10K
C20
0.1
C42
68P
C25
0.1
C41
100/10
C28
47/10
C82
0.022
R
4
1
K
C
0
D93
DS1SS133
R43
220K
C47
100/16
C49
100/16
C50
100/16
C46
0.022
IC3
M63001FP
FOCUS/TRACKING/
SPIN/SLED DRIVER
R48
6.8K
C52
0.01
CNP2
CNP3
CNS3A
CNS3B
M1
SPINDLE
MOTOR
M2
SLED
MOTOR
SW4
PICKUP IN
IC1
LA9235M
SERVO AMP.
CNS1A
CNS1B
CNS2A
CNS2B
CNP3A
13
2
5
8
4

Related product manuals