EasyManua.ls Logo

Sharp CD-PC3500 - Page 22

Sharp CD-PC3500
68 pages
Print Icon
To Next Page IconTo Next Page
To Next Page IconTo Next Page
To Previous Page IconTo Previous Page
To Previous Page IconTo Previous Page
Loading...
CD-PC3500
– 22 –
A
B
C
D
E
F
G
H
1
23456
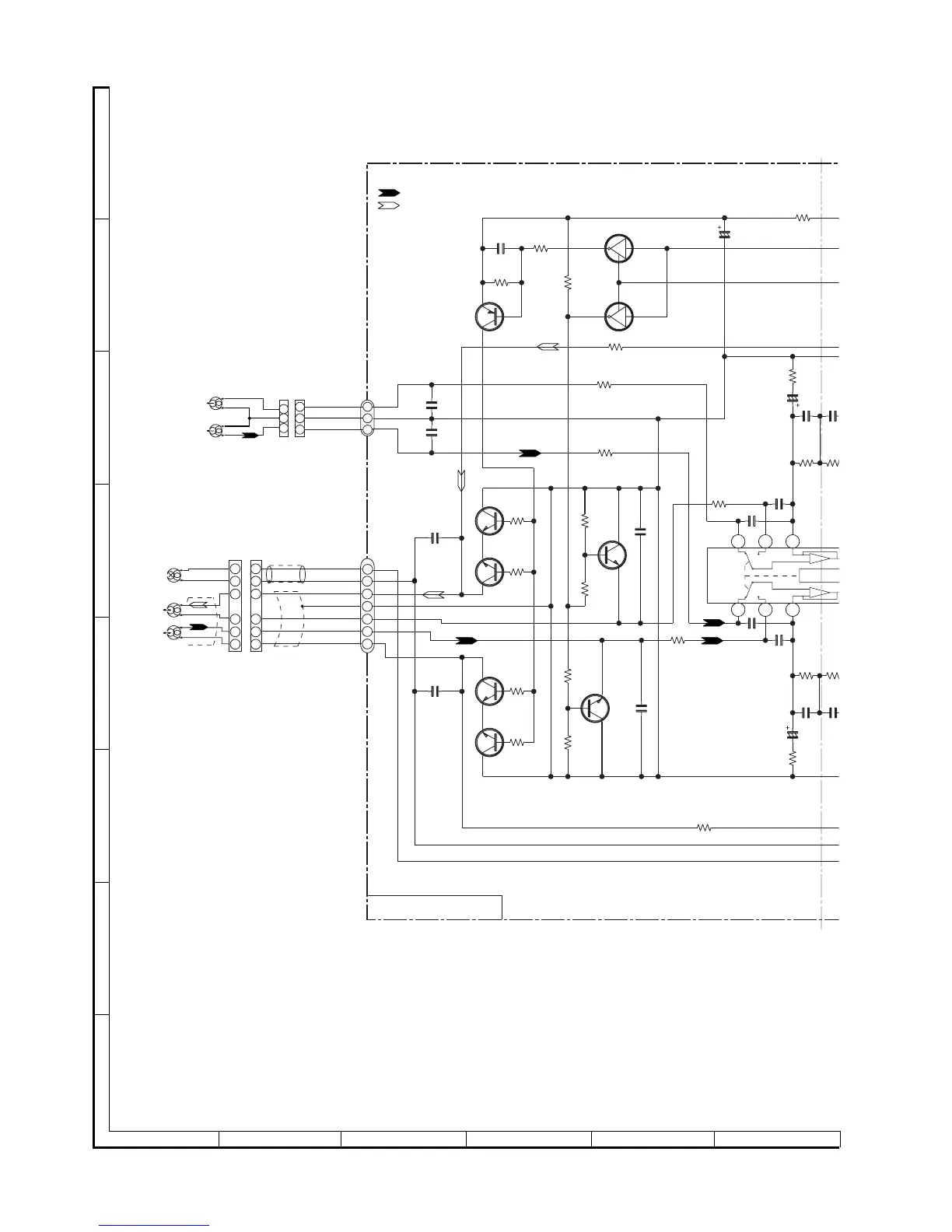
• NOTES ON SCHEMATIC DIAGRAM can be found on page 16.
Figure 22 SCHEMATIC DIAGRAM (3/12)
24
23
22
3 2
1
112K
112K
+
Hich=T1
+
-
-
A_GND
TAPE1_R
TAPE1_L
TAPE2_L2
TAPE2_L1
TAPE2_R1
TAPE2_R2
ERASE
M_GND
A_GND
1
2
3
2
1
3
3
2
1
PLAYBACK SIGNAL
RECORD SIGNAL
MAIN PWB-A1(1/3)
C11
9
560
P
C121
47/25
R119
56
C115
100/25
C117
0.033/25
R121
100K
R12
3
3.9K
IC101
AN7345K
PLAYBACK AND
RECORD/
PLAYBACK AMP.
C113
330P
C111
330P
R117
1K
C114
330P
C112
330P
R118
1K
C12
0
560
P
R122
100K
C118
0.033/25
R120
56
C116
100/25
R174
150
C153
100/16
Q110
KRC104 M
R115
4.7K
Q111
KRC104 M
R112
15K
R102
1K
R101
1K
C108
1000P
R108
47K
Q108
KTC3199 GR
R110
4.7K
C107
1000P
Q107
KTC3199 GR
R107
47K
R109
4.7K
R111
15K
Q103
SC1845 F
R103
2.2K
R105
3.3K
C105
180P
Q105
SC1845 F
R106
3.3K
Q106
SC1845 F
C106
180P
R104
2.2K
Q104
SC1845 F
C101
1000P
Q109
KTA1266 GR
C102
1000P
R114
10K
R113
10K
C109
0.047
ERASE
HEAD
TAPE2
RECORD/
PLAYBACK HEAD
TAPE1
PLAYBACK HEAD
R-CH
L-CH
R-CH
L-CH
7
6
5
3
2
1
4
6
5
3
2
1
4
6
5
3
2
1
4
3
1
2
3
1
2
BI101
CNS101
BI102
CNS102

Related product manuals