EasyManua.ls Logo

Sharp CD-PC3500 - Page 23

Sharp CD-PC3500
68 pages
Print Icon
To Next Page IconTo Next Page
To Next Page IconTo Next Page
To Previous Page IconTo Previous Page
To Previous Page IconTo Previous Page
Loading...
– 23 –
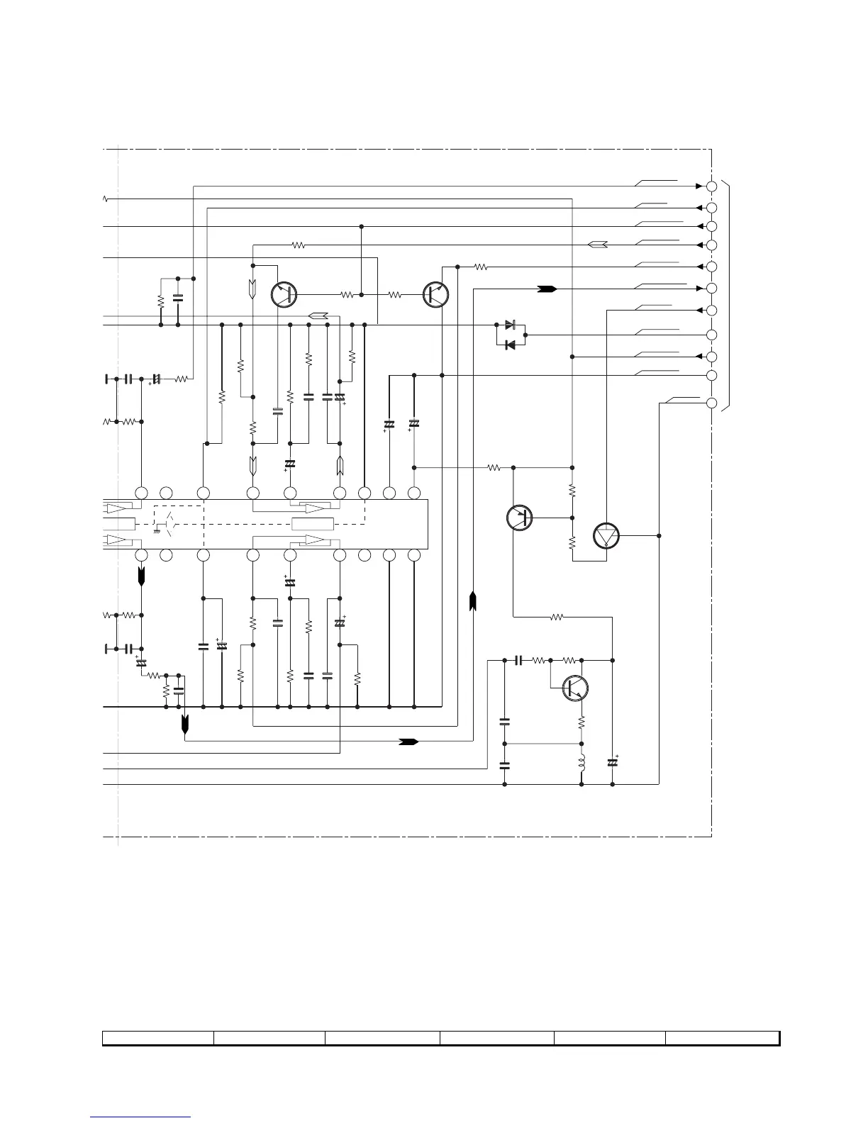
CD-PC3500
Figure 23 SCHEMATIC DIAGRAM (4/12)
7
8 9 10 11 12
21
20
19
18
17
16
15
14
13
12
11
10
9
8
7
6
5
4
112K 56K
112K
56K
Hich=CHROME
-
-
+ +
Hich=T1
+
-
+
-
Nor/CrO2
RIPPLE
ALC
GND
ALC
Vcc
D_GND
TAPE_R
T1/T2
REC_MUTE
M_GND
A_GND
A_10V
BIAS
TAPE_L
REC_R
REC_L
TO MAIN PWB
P25 10- A
2
1
3
11
13
14
15
16
12
17
18
19
20
21
C152
47/25
Q128
KTC3203 Y
R168
4.7
L104
330uH
R167
47K
R160
82(1/2W)
R166
22K
C154
0.047
C150
8200P
C151
0.039
Q126
KRC104 M
R164
4.7K
R162
47K
Q124
KTA1266 GR
R158
220
D101
1SS133
D102
1SS133
C146
220/10
C145
22/25
R181
220K
Q121
KTC3199 GR
R153
10K
R154
10K
Q122
KTC3199 GR
R182
220K
R146
10K
C142
47/25
C140
3300P
C136
0.022
R142
100
R140
1.5K
C132
270P
R136
3.9K
R134
68K
C134
22/25
C133
22/25
C141
47/25
R141
100
C131
270P
R137
6.8K
C135
0.022
R145
10K
C139
3300P
R139
1.5K
R135
3.9K
C128
3.3/50
C123
0.022
R131
33K
R125
5.6K
C127
0.022
C119
560P
C121
47/25
R
119
5
6
1
21
0
0K
R123
3.9K
R124
3.9K
R126
5.6K
C120
560P
1
22
0
0K
1
20
5
6
C124
0.022
R132
33K
7
4
0
C122
47/25
R138
6.8K

Related product manuals