EasyManua.ls Logo

Sharp CD-PC3500 - Page 24

Sharp CD-PC3500
68 pages
Print Icon
To Next Page IconTo Next Page
To Next Page IconTo Next Page
To Previous Page IconTo Previous Page
To Previous Page IconTo Previous Page
Loading...
CD-PC3500
– 24 –
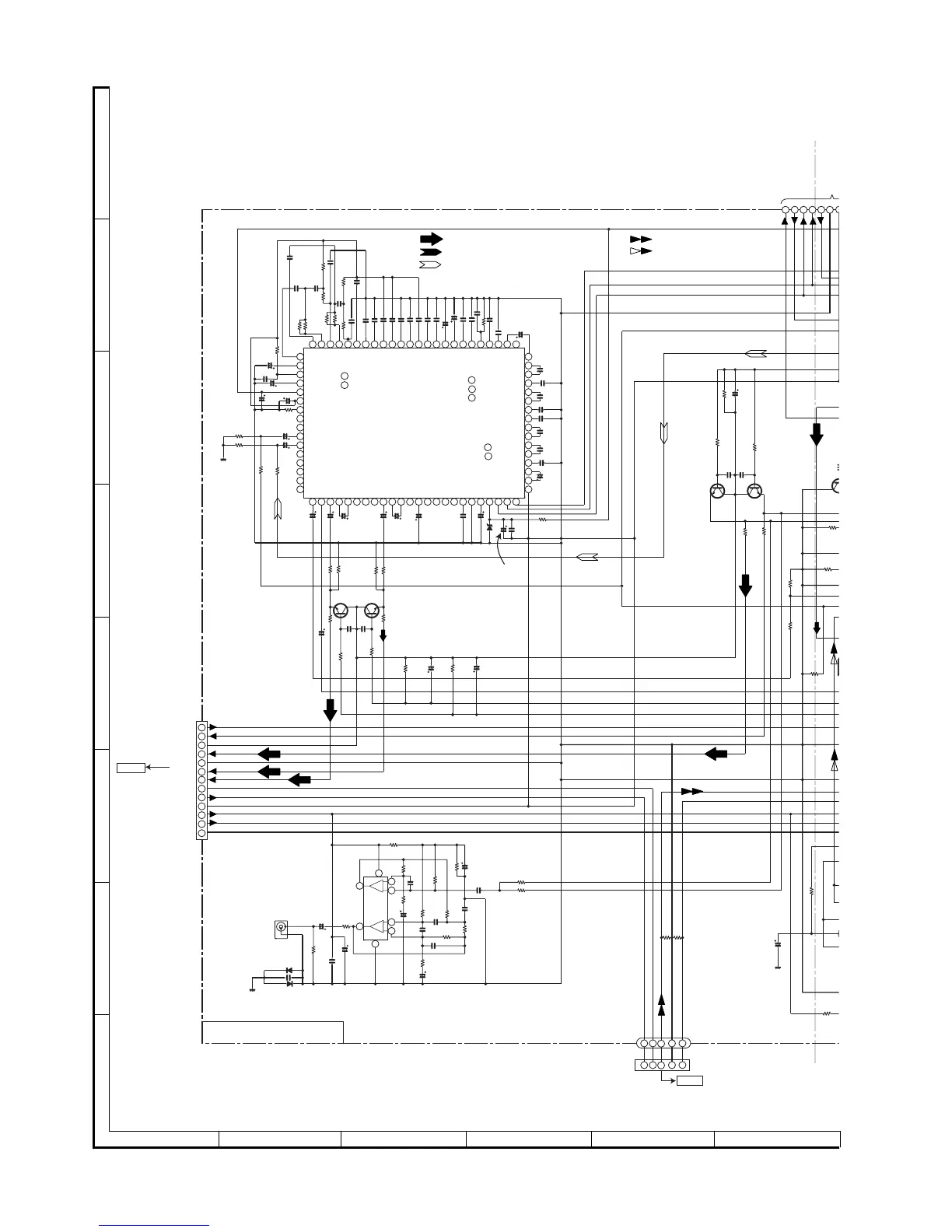
Figure 24 SCHEMATIC DIAGRAM (5/12)
A
B
C
D
E
F
G
H
1
23456
• NOTES ON SCHEMATIC DIAGRAM can be found on page 16.
80
79
78
77
76
75
74
73
72
71
70
69
68
67
66
65
65
64
63
62
61
60
59
58
57
56
55
54
53
52
51
50
49
48
47
46
45
44
43
43
42
42
41
41
40
39
38
37
36
35
34
33
32
31
30
29
28
27
26
26
25
25
24
23
22
21
20
19
18
17
16
15
14
13
12
11
10
9
8
7
6
5
4
3
2
1
8
7
6
5
4
3
2
1
-
+
+
-
RTIN
LTIN
IREF1
VREF1
AVCC
NGC1
NGC2
NGC3
66
ABR
ABL
RBPF1
RBPF2
LBPF1
LBPF2
RLC6
RLC8
RLC3
RLC7
RLC4
RLC1
RLC2
RLC5
PSC4
PSC1
PSC5
PSC2
PSC6
PSC3
DBC3
DBC2
DBC1
BNR IN
ECHOOUT
DVOLOUT
LPF2OUT
LPF2IN1
LPF2IN1
DAINTOUT
DAINTIN
DACONT
ADCONT
ADINTOUT
ADINTIN
LPF1OUT
LPF1IN2
LPF1IN1
DIN
DIN
DVSS
REQ
SCK
DATA
DVDD
MICIN
AGND
CMC
SRVOLOUT
SRVOLIN
SROUT
SLOUT
SLVOLIN
SLVOLOUT
PSRIN
PSLIN
SOUT
COUT
CVOLIN
CVOLOUT
ROUT
LOUT
A_GND
CD_GND
M10V
A10V
+B
+B
+B
+B
+B
+B
+B
–B
+B
+B
–B
+B
+B
A_GND
TUN_SM
CLK
DI
DO
CE
S MUTE
C MUTE
SR MUTE
REAR
CENTER
FRONT L
FRONT R
CD GND
5v
CHASIS
A_GND
CENTER
REAR
A_GND
TO
CD SERVO PWB
P21 12-D
CD(+5V)
FRONT_L
FRONT_R
TO POWER
PWB
P30 1-E
TO TUNER
S
P27 11
-
M_GND
CD_L
-15V
CD_R
D_DGN
2
5
3
4
1
11
4
10
6
3
5
9
8
2
1
7
12
13
7
654321
CNP805
2
5
3
4
1
FM SIGNAL
PLAYBACK SIGNAL
RECORD SIGNAL
CD SIGNAL
VIDEO SIGNAL
MAIN PWB-A1(2/3)
R2
2
10
Q
4
KTC
1
R219
100K
C212
47/25
C4
0
2.2/
2
R526
47K
C4
0.
R404
3.9K
C42
4
1/5
0
R409
3.9K
R414
3.9K
R412
3.9K
Q401
KTC3199 GR
Q504
KTC3199 GR
R524
2.2K
C554
0.001
C553
0.001
Q503
KTC3199 GR
R523
2.2K
C423
2.2/25
R401
22K
R221
1K
R220
1K
BI401
CNS401
CNP11
C558
10/16
R537
1.5K
C562
0.082
R536
6.8K
C566
0.15
C560
100P
C563
47/16
R539
12K
R532
27K
C561
0.15
R544
220K
R543
220K
C564
0.047
C565
47/16
R540
100K
R542
100K
C559
100P
R534
3.9K
R531
100K
IC502
KIA4558P
OPE AMP.
R541
1K
C555
47/50
C556
0.022
R538
100K
C557
2.2/50
D502
DS1SS133
D501
DS1SS133
C570
100P
JK501
SUB WOOFER
OUTPUT
R533
15K
C568
22/50
R546
22K
C569
22/50
R545
22K
R519
2.2K
R530
330
Q502
C3199 GR
C552
0.001
C551
0.001
Q501
C3199 GR
R513
330
R516
2.2K
R518
47K
R517
47K
R522
47K
R529
47K
C501
10/50
C502
10/50
C503
10/50
C505
10/50
C506
10/50
C507
10/50
C508
0.1
C510
0.1
C509
1/50
C567
1/50
ZD502
DZ5.1BSB
R501
470
C511
1/50
C512
0.0047
C513
0.001
C514
0.1
C515
0.22
C516
0.22
C517
0.1
C518
0.0047
C519
0.001
C520
1/50
C521
0.0056
C522
0.047
R512
330K
C523
0.68
C524
0.22
C525
0.22
C526
0.47/50
C527
0.47/50
C528
0.22
C529
0.22
C530
0.1
C531
0.047
C532
0.1
C533
0.1
C534
0.1
C535
0.022
C536
0.022
C538
680P
C537
0.1
C539
0.01
R510
47K
R509
150K
R508
150K
R507
150K
C540
0.01
R511
150K
C542
0.01
R506
47K
R505
150K
R504
150K
R503
100K
C544
47/50
C545
0.0068
C546
4.7/50
C547
10/50
C548
100/50
R502
100K
C550
10/50
C549
10/50
R417
100K
R418
8.2K
R420
1K
R419
1K
C504
10/50
IC501
M62464AFP
DOLBY PRO LOGIC
DECORDER
C543
0.01
C541
680P
CNP501
R535
27K
R520
330
R521
330
2

Related product manuals