EasyManua.ls Logo

Sharp CD-PC3500 - Page 26

Sharp CD-PC3500
68 pages
Print Icon
To Next Page IconTo Next Page
To Next Page IconTo Next Page
To Previous Page IconTo Previous Page
To Previous Page IconTo Previous Page
Loading...
CD-PC3500
– 26 –
A
B
C
D
E
F
G
H
1
23456
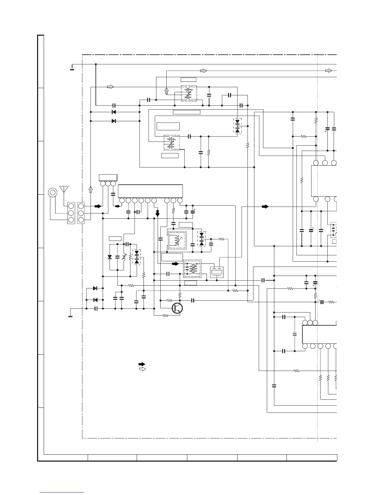
• NOTES ON SCHEMATIC DIAGRAM can be found on page 16.
Figure 26 SCHEMATIC DIAGRAM (7/12)
24
23
22
3
21
321
22
21
20
1
5
4
321
9
8
7
6
5
4 3 2 1
VSS
AOUT
CL
DI
CE
X IN
REG
AM OSC IN
FM AFC
AM OSC OUT
AM MIX OUT
FM IF IN
FM
AM
1
2
1
2
3
3
OUT
+B
+B
+B
AM TRACKING fL
AM ANT.
AM BAND
COVERAGE fL
FM BAND
COVERAGE fL
AM OSC.
FM RF
FM IF
FM OSC
D301 1SS133
C338 0.001
D302 1SS133
C323
0.022
T303
C330
27P
(UJ)
C331
0.047
C332
0.022
VD301
SVC348S/-1T
C335
560P(CH)
R323
68K
R336
5.6K
C334
27P
(UJ)
T306
BF301
B.P.F.
IC301
TA7358AP
FM FRONTEND
C303
10P
C304
0.01
C305
4.7P(CH)
R302
10
C306
0.022
C307
10/16
C324
3.9P(UJ)
C311
18P
C310
15P(CH)
VD303
KDV147B/-1T
R309
10K
C313
22P(CH)
T302
1
3
2
T301
C312
0.022
CF303
FM IF
VD302
KDV147B/-1T
C309
0.001
C308
4.7P
(CH)
D305 1SS133
L312
R311 100K
R313
33K
R314
22(1/6W)
C317
0.001
C316
0.022
C315
0.0047
C314
0.0047
C301
0.001
D303
1SS133
D304
1SS133
CNP301
R316
4.7K
C318
100P
Q302
KTC3194 Y
R327
47
R325
47K
R322
680
C375
100P
C384
0.001
R375
68
R374 1K
R373 1K
C382
15P(CH)
X352
4.5MHz
C381
12P(CH)
R372 1K
R380
1.5K
C393
1/50
C
1
R381
10K
C3
9
0.0
0
C394
47/16
R382
150 (1/4)
C397
0.022
IC302
LC72131
PLL (TUNER)
T
C351 0.022
C350 0.022
C361 0.022
C362 3.3/50
R358
5.6K
R365
5.6
C342
0.022
R351 5.6K
C352 47/16
A
M
FM SIGNAL
AM SIGNAL
OSC BUFFER

Related product manuals