EasyManua.ls Logo

Sharp DX-361HM - Page 17

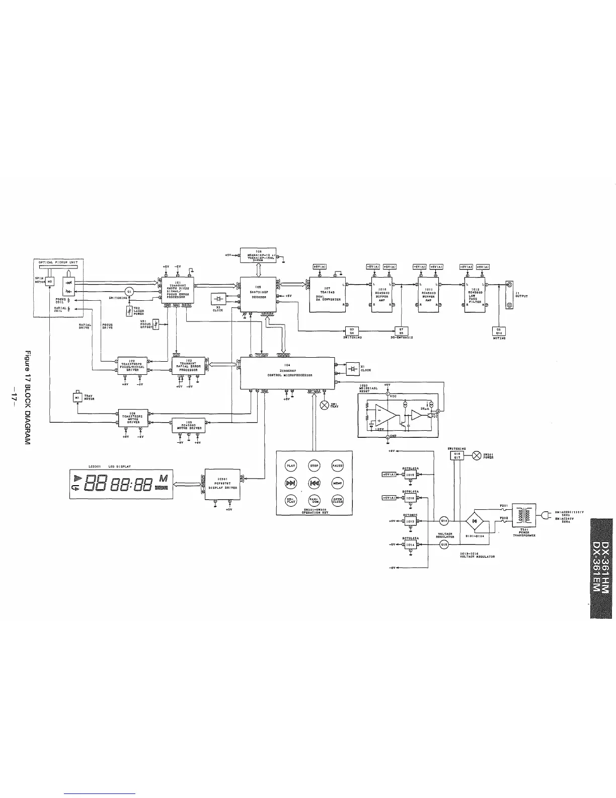
Sharp DX-361HM
66 pages
Print Icon
To Next Page IconTo Next Page
To Next Page IconTo Next Page
To Previous Page IconTo Previous Page
To Previous Page IconTo Previous Page
Loading...
"
OUTPUT
MUTING
vee
Xl
CLOCK
IC20
M5t95tASL
RESeT
f:J.y
lOT
TDA1S43
DUAl.
DA CONVBRTER
:Z:C99698P
CONTROL lollCROPROCESSOR
L1
-,v
RA['lIA,L
DRIVE
I---~----~-~~~-------~-----~~-----~
!
O~PTJCAL
PJOKU'
UN'T
i
I i
i
:
:
SPIN
!
iMOTO M2
rE:r
:~~
!
I
i
l l
__
~~~!.:_~
i
-...J
OJ
r
o
o
A
o
5>
o
~
S
"
cO'
t:
....
Cll
....
-...J
I
HM:A,C220
C1tOlV
SOH:
EM:AC240V
SOH:
]II[
T20t
POWER
TRANSFORMeR
5'11'201
POWER
0101-0104
ICI3-IC\6
VOLTAOP. REGUL....TOR
-5V
RC79L05A
RC78L05A
.5V
.'v
....
_
8 8 8
8
S 8
@ @
(COlOESNE
PLAY DOM
.5V
I
5"'301-5"309
OPERATION
KEY
LCD301
LCD
DISPLAY
-~-~
M
L'LBBB
BID
c;:
OLl
: 0 lIllllillll

Related product manuals