EasyManua.ls Logo

Sharp DX-361HM - Page 59

Sharp DX-361HM
66 pages
Print Icon
To Next Page IconTo Next Page
To Next Page IconTo Next Page
To Previous Page IconTo Previous Page
To Previous Page IconTo Previous Page
Loading...
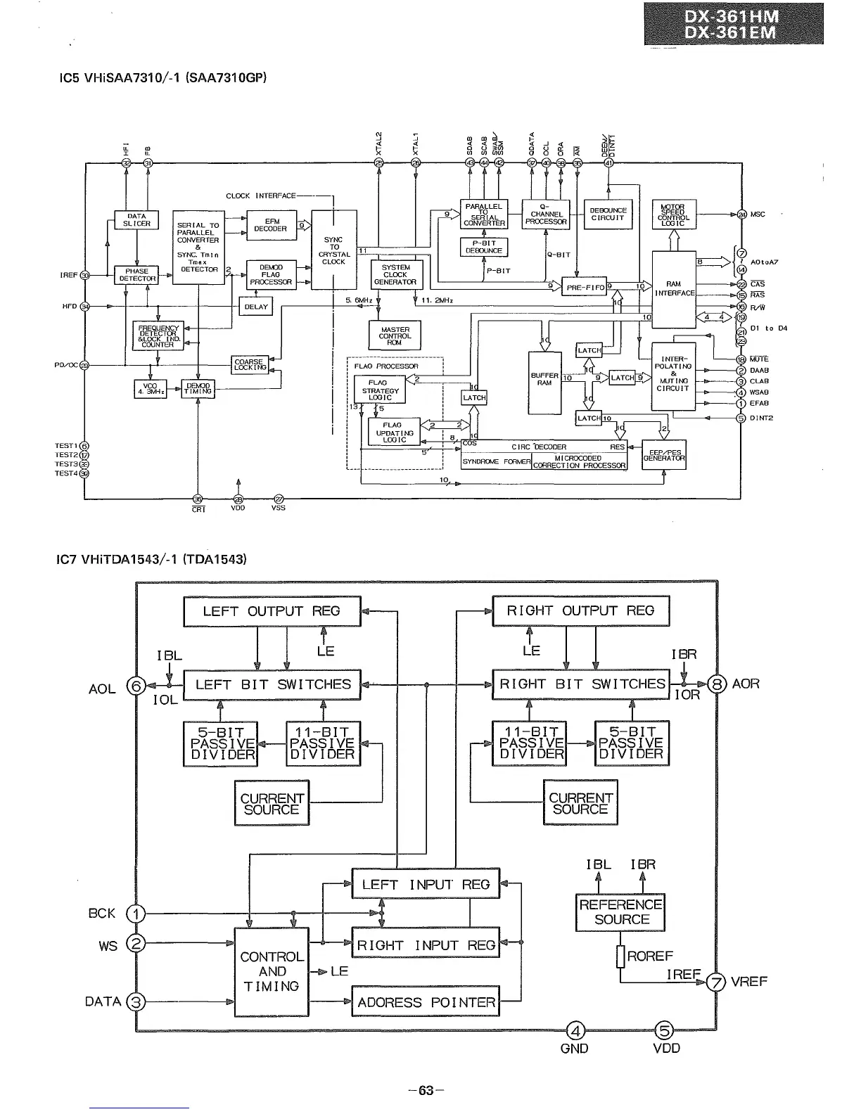
IC5 VHiSAA731
0/-1
(SAA7310GP)
01
to
04
m m
~
C'i
;j
~m
Ul (J) UlU}
M
10
vss
LL
I
VOO
HFO
C3<V---o--t--'-t----t---H
PO/oc(2;}----"--r----t---1
IC7
VHiTDA
1543/-1
(TDA1543)
AOl
BCK
WS
DATA
lEFT
OUTPUT
REG
~
--1
RIGHT
OUTPUT
REG
IBl
~E
~E
IBR
6'
~
lEFT
BIT
SWITCHES
r
~I
RIGHT
BIT
SWITCHES
lOR
8
~
IOl
'
f
t
t
5-BIT
11-BIT
11-BIT
5-BIT
PASSIVE
Fa-
PASSIVE
~-
r-Il'
PASSIVE
!--Ill
PASSIVE
DIVIDER
DIVIDER
DIVIDER
DIVIDER
CURRENT
CURRENT
SOURCE
SOURCE
Ifl
IfR
rl
lEFT
INPUT
REG
~
1"
1/1
r
REFERENCE\
w
-w
SOURCE
?
I
INPUT
REG~
CONTROL
IRIGHT
JROREF
AND
~lE
1REF1
Cf
TIMING
cl
ADORESS
POINTERI-
4 5
AOR
VREF
GND
VDD
-63-

Related product manuals