EasyManua.ls Logo

Sharp GF-4646 - Page 10

Sharp GF-4646
16 pages
Print Icon
To Next Page IconTo Next Page
To Next Page IconTo Next Page
To Previous Page IconTo Previous Page
To Previous Page IconTo Previous Page
Loading...
7
8
9
10
I
11
12
A
/
I
I
I
-1
I
I
I
I
INPUT
1
I
I
t
-(
I
I
I
4
i-cn
L
OUTP
:N
i
8
56
1.5.
I
C
1
D
i
I/\/I
.,I
E
F
2
i
G
X945AK
PPLE
FILTER
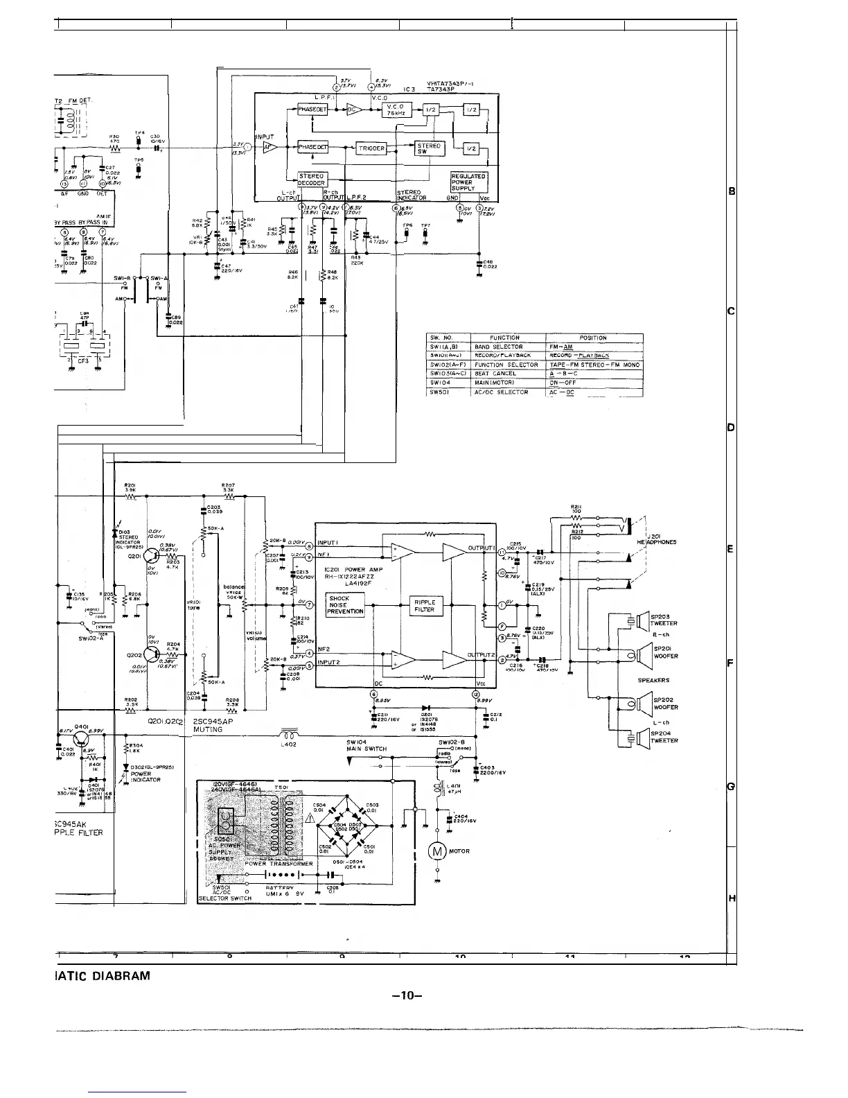
IATIC DIABRAM

Related product manuals