EasyManua.ls Logo

Sharp GX-CH170X - Page 22

Sharp GX-CH170X
52 pages
Print Icon
To Next Page IconTo Next Page
To Next Page IconTo Next Page
To Previous Page IconTo Previous Page
To Previous Page IconTo Previous Page
Loading...
GX-CH170X/CH170Z
A
B
C
D
E
F
G
H
1
2
34 5
6
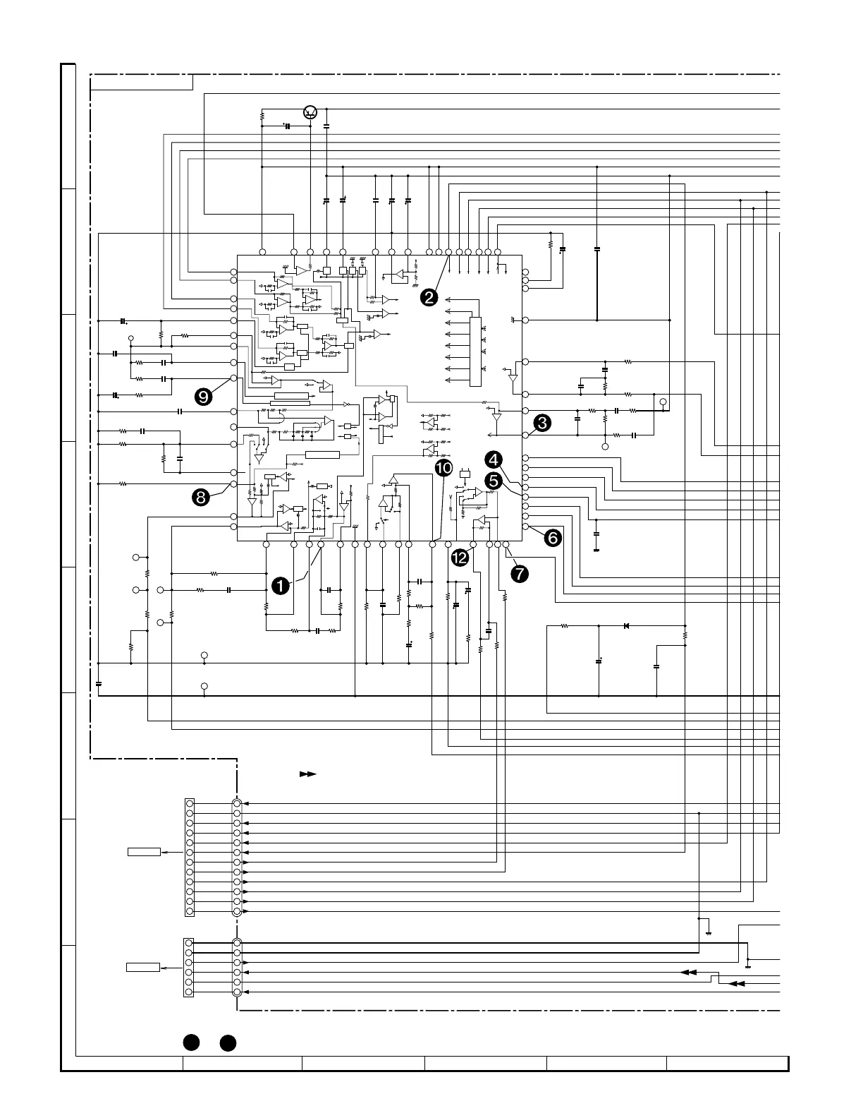
The numbers 1 to 12 are waveform numbers shown in page 35.
Figure 22 SCHEMATIC DIAGRAM (1/7)
– 22 –
C805
0.033
C808
0.068
R805
6.8K
R804
2.2K
C806
0.033
R806
100
C807
0.1/50
C811
0.1
Q805
KTA1266 GR
C840
0.33/50
C849
0.022
C839
1/50
C838
0.01
C837
10/16
C835
0.1/50
R842
22
C848
1/50
R811
3.3K
R809
27K
R807
1K
C809
0.047
C810
180P
R808
12K
R802
100K
C804
0.001
R810
82K
D802
1SS133
R849
100K
C821
1/50
C851
0.022
R839
22K
R828
1K
R840
22K
R829
1K
R824
10K
R819
39K
C820
0.0033
R830
1K
R831
1K
R820
10K
C818
1/50
C815
0.0047
R827
220K
R826
220K
R814
10K
R815
47K
C812
330P
R817
82K
C814
0.01
R816
1.5K
R821
56K
R822
6.8K
C816
0.001
C817
0.47/50
R823
1.2K
R825
1.2K
C819
47/10
C803
0.1/50
R803
15K
C813
0.1
R812
15K
R813
33K
C833
0.001
R838
33K
R837
47K
R832
56K
C834
0.033
R836
47K
R833
5.6K
R834
1K
C832
27P
C831
0.0027
R835
470
C830
2.2P
C850
0.1
C845
4.7/50
R871
4.7K
+B
1
BI852
2
3
4
5
6
7
8
9
1
CNS852
2
3
4
5
6
7
8
9
10
11
12
10
11
12
+B
1
BI851
2
3
4
5
6
1
CNS851
2
3
4
5
6
C822
220P
TE
GND
VREF
HF
LASER DRIVER
CD SERVO PWB-D
SL(–)
SL(+)
CQCK
RES
CO IN
RWC
DRF
SQOUT
WRQ
PU IN
DIGITAL GND
5V
PUIN
WRQ
SQOUT
DRF
SL–
SL+
RWC
CQCK
COIN
RES
CNP852
TO DISPLAY PWB
A
DIGITAL GND
R-CH
AUDIO GND
DIGTAL +7.4V
L-CH
CNP851
TO MAIN PWB
CD SIGNAL
CD-GND
CD 5V
P28 8-G
P28 1-E
IC801
LA9240M
SERVO AMP.
+
+
DRF
TGL1
+
REF
REF
+
+
TO
REF
+
+
+
+
+
+
RF
2FREQ
LASER
8/12CM
FOSTA
TOSTA
FSTA
SLOF
REF
REF
DEF
+
HFL
+
+
REF
+
+
+
REF
OR
REF
+
+
+
REF
REF
+
REF
JP
FEBAL
CLK
P-ON RES
LATCH
SLOF
SLOF
+
JP+
JP–
CV–
GEN
FSC
JP–
SL+
SL–
SLD
SLEO
AGND
FD–
FE
FE–
JP+
TGL
TOFF
TES
HFL
SLOF
CV–
CV+
RFSM
RFS–
SLC
DGND
SLI
PHI
FIN2
FIN1
E
F
TB
TE–
TE
TES1
SCI
TH
TA
TO
TD
TD–
SP
FA
FA–
FD
SPO
SP–
SPG
JP
SPI
TBC
NC
SLOF
REF
TO
CV+
REF
SPOF
REF
+
+
+
+–
+
FOF
GEN
REF
FSC
REF
+
GEN
WCOMP
+
SHOCK; WCOMP
HIST. COMP
REF
BAL
REF
VCR
VCR
VCR
VCR
RF
BHI
LDO
LDS
VCC1
REF
REF
FE1
LF2
VR
REFI
VCC
VCC2
FSS
DRF
CE
DAT
CL
CLK
+
DEF
THLD
+
DAT
CL
CE
REF
REF
S.Q.R
PSTR
VCC
GL
THD
THDL
REF
REF
JP
5
6
8
1
2
3
4
10
11
12
13
14
15
16
7
9
1817 19 2320 21 22 24 25 26 27 30 31 3228 29
45
44
43
42
41
40
39
37
38
36
35
34
33
48
47
46
4950515253545556575859
6061626364

Related product manuals