EasyManua.ls Logo

Sharp HT-CN500DVA - Page 13

Sharp HT-CN500DVA
25 pages
Print Icon
To Next Page IconTo Next Page
To Next Page IconTo Next Page
To Previous Page IconTo Previous Page
To Previous Page IconTo Previous Page
Loading...
– 13 –
HT-CN400DVW/HT-CN400DVA/HT-CN500DVW/HT-CN500DVA
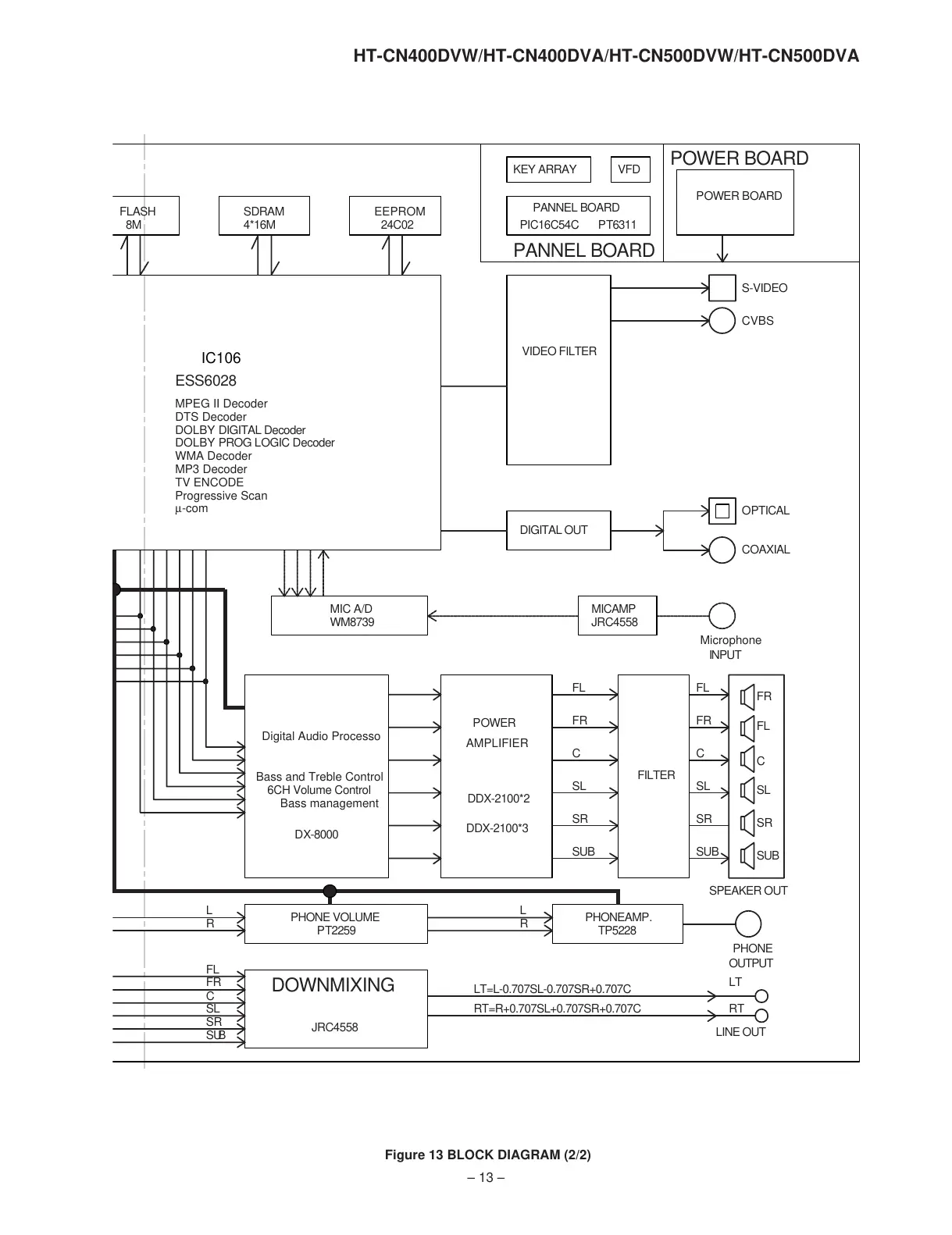
Figure 13 BLOCK DIAGRAM (2/2)
ESS6028
VIDEO FILTER
PANNEL BOARD
PT6311
Digital Audio Processo
DX-8000
FILTER
FR
C
FL
SL
SR
DTS Decoder
µ-com
PHONE
PIC16C54C
TV ENCODE
DDX-2100*3
LT=L-0.707SL-0.707SR+0.707C
RT=R+0.707SL+0.707SR+0.707C
LINE OUT
LT
RT
PHONE VOLUME
PT2259
DDX-2100*2
CVBS
S-VIDEO
FR
FL
C
SL
SR
SPEAKER OUT
OUTPUT
POWER BOARD
KEY ARRAY VFD
MPEG II Decoder
DOLBY DIGITAL Decoder
DOLBY PROG LOGIC Decoder
MP3 Decoder
WMA Decoder
Progressive Scan
DIGITAL OUT
OPTICAL
COAXIAL
FL
FR
C
SL
SR
SUB
L
R
DOWNMIXING
JRC4558
PHONEAMP.
TP5228
L
R
POWER
AMPLIFIER
SUB
SUB
FR
FL
C
SL
SR
SUB
Bass management
6CH Volume Control
Bass and Treble Control
EEPROMSDRAM
4*16M 24C02
FLASH
8M
PANNEL BOARD
POWER BOARD
Microphone
MIC A/D
WM8739
INPUT
MICAMP
JRC4558
IC106
All manuals and user guides at all-guides.com

Related product manuals