EasyManua.ls Logo

Sharp HT-CN500DVA - Page 18

Sharp HT-CN500DVA
25 pages
Print Icon
To Next Page IconTo Next Page
To Next Page IconTo Next Page
To Previous Page IconTo Previous Page
To Previous Page IconTo Previous Page
Loading...
– 18 –
HT-CN400DVW/HT-CN400DVA/HT-CN500DVW/HT-CN500DVA
A
B
C
D
E
F
G
H
1
23456
• NOTES ON SCHEMATIC DIAGRAM can be found on page 32.
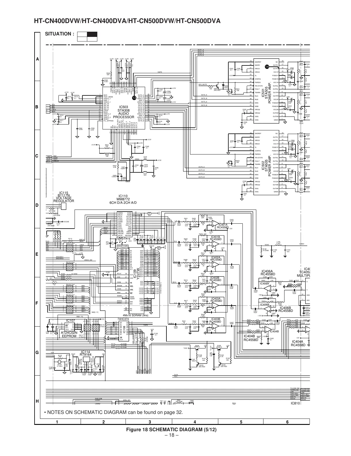
Figure 18 SCHEMATIC DIAGRAM (5/12)
SITUATION :
MA[0..11]
1 8
2 7
3 6
4 5
1 8
2 7
3 6
4 5
7
1
15
16
17
18
19
20
21
22
23
24
25
26
27
28
VCC
+
+
+
+
+
25
26
+
+
+
+
C140
C141
XL101
R115
C142
C
138
C139
IC107
RA118
RA117
R119
R120
R121
RA104
R112
1
19
R161
R160
R163
R162
RA102
RA101
R111
R110
R107
R106
R174
R108
R104
C137
IC115
B1117N
VOLTAGE
REGULATOR
7
R145
R146
IC110
WM8772
6CH D/A 2CH A/D
C151
C152
FB115
FB114
C153
C154
C155
C156
C157
C158
C159
C160
C161
C401
R401
R402
C407 C408
R403
R404
C409
IC401A
C432
C410
IC114
RT9164
FB102
FB101
C1001
C1005
C1003 C1002 C1000
C1004
C199
C1006
IC108
R122
R123
R124
R125
C143
C100
IC109
Y3VTW
FB116
C144
C145
C146
C147
C148
C149
C150
C402
R405
C411
R406
C412
R408
C413
R407
C414
IC401B
C433
R411
R412
R410
C417
C416C415
R409
C403
C418
IC402A
C434
IC402B
R415
R416
R414
C421
C420C419
R413
C404
C422
C435
R419
R420
R418
C425
C424C423
R417
C405
IC403A
C426
C436
IC403B
R423
R424
R422
C429
C428C427
R421
C406
C430
C437
R138
Q104
R137
Q103
C197
R140
Q106
R139
Q105
C198
C180 C181
R130
C458
R427
R428
R429
R425
R426
R491
+12V
IC404B
IC404B
C443
R430
C438
33K
47PF
C439
C463
R464
C460
R463
IC406B
IC406B
C461
C462
R462
R461
IC406A
IC406A
C459
C456
C457
R460
R459
100K
100K
IC4
0
TC405
2
MULTIP
L
C453
C455
R431
R434
R432
R433
R492
C440
R435
IC404A
C513C512
C599
C591
C510
C511
R503
R502
C544
C545
C600
C602
C601
R527
C543
C546
L515
L514
C603
C521
C520
C592
C593
C519
C518
IC503
STA308
AUDIO
PROCESSOR
C590
R526
C514
C516
C517
C515
R618
C634
Q605
C522
R501
C523
C526
C525
C528
IC501
STA505
POWER AMP.
IC502
STA505
POWER AMP.
L505
C534
C596
C568
C531
R517
R518
R507
L504
C536
L507
L506
R515
C533
C535
R516
R506
C595
C567
C530
C563
C548
C550
C547
R504
C549
C551
C569
C552
C564
L519
L518
R519
C554
C556
R520
C597
R508
C570
C553
R509
C598
C557
L516
L517
R521
C555
R522
IC810
R894
R891
C865
EXCEPT FOR
HT-CN400DVA
22PF
22PF
27 MHz
56K
0.001
CLK
1
2
3
4
1
2
3
4 MA4
MA5
MA6
MA7
MA8
MA9
MA10
MA118
7
6
5
8
7
6
5
10x4
10x4
RA106
RA105
0UF
0.1
5
6
7
8
B5V
S0
S1
S2
GNDSDA
SCL
WC
VCC
AT24C02N
EEPROM
1
2
3
4
DB[0..15]
4.7Kx4
VCC
4.7Kx4
33 OHM
33 OHM
33 OHM
10x4
MA0
MA1
MA2
MA318
27
36
45
10
300
33 OHM
18
27
36
45
33x4
VIDEO_SW
ENCODE1
ENCODE2
1
2
3
4
8
7
6
5
LRCK
SD0
SD1
SD2
M
CLK
T
BCK
T
WS
T
SD0
T
SD1
T
SD2
33x4
AMCLK
BICK
4.7K
4.7K
4.7K
4.7K
270 OHM
0.1
VCC33E
1
2
3
120 OHM
150 OHM
1
2
3
4
5
6
7
8
10
11
12
13
14
9
DOUT
72CLK
72CE
72DA
MODE
MCLK
BCLK
LRCK
DVDD
DGND
DIN1
DIN2
DOUT
ML/I2S
MC/IWL
MD/DM
MUTE
DIN3
REFADC
VREFN
VREFP
VMID
AINR
AINL
VOUT1L
OUT1R
OUT2L
OUT2R
OUT3L
OUT3R
AGND
AVDD
10UF
0.1
600
VCC
600
VCC
10UF
0.1
10UF
0.1
10UF
0.1
0.1
0.1
0.1
L-A
10UF
1K
4.7K
0.01 0.01
1K
22K
150P
2
1
4
3
-12V
RC4558D
10UF
0.1
+5V_1
1
2
3
100 OHM
VC33
VCC
100 OHM
0.1
10UF
10UF 10UF 10UF
0.1
0.1
0.1
+5V
3
4
7
8
13
14
17
18
1
11LCS1#
D0
D3
D1
D4
D2
D0 Q0
D1 Q1
D2 Q2
D3 Q3
D4 Q4
D5 Q5
D6 Q6
D7 Q7
OE
CLK
74HC374
2
5
6
9
12
15
16
19
SW1_VIDEO
33 OHM
33 OHM
33 OHM
33 OHM
0.1
TUPO
CKE
CS0#
RAS0#
CAS# 17
18
19
37
38RCLK
DQMX
BANK0
BANK1
WE#
15
16
39
20
21
36
40
DQML
WE
CAS
RAS
CS
NC
CKE
CLK
DQMH
NC
BA0
BA1
4Mx16 SDRAM (9ns)
VCC
DQ0
DQ1
VSSQ
DQ2
DQ3
VCCQ
DQ4
DQ5
VSSQ
DQ6
DQ7
VCCQ
VCC
VSS
VCCQ
DQ8
DQ9
VSSQ
DQ10
DQ11
VCCQ
DQ12
DQ13
VSSQ
DQ14
DQ15
VSS
VCC
VSS
A11
A10
A0
A1
A2
A3
A4
A5
A6
A7
A8
A9
MA0
MA1
MA2
MA3
MA6
MA4
MA7
MA5
MA11
MA9
MA10
MA8
35
22
23
24
25
26
29
30
31
32
33
34
2
4
5
7
8
10
11
13
42
44
45
47
48
50
51
53
DB0
DB1
DB2
DB3
DB4
DB5
DB6
DB7
DB8
DB9
DB10
DB11
DB12
DB13
DB14
DB15
1
3
9
14
43
49
27
VCC33
600
VC33
C144-C150(0.1)
6
12
28
46
52
41
54
R-A 6
5
10UF
1K
0.01
4.7K
0.01
22K
150P
1K
8
7
+12V
0.1
RC4558D
10UF
SL-A
1K
22K
4.7K
150P
0.010.01
1K
10UF
2
4
3
1
0.1
4RC558D
10UF
SR-A
6
5
8
RC4558D
1K
22K
4.7K
150P
0.010.01
1K
10UF
0.1
10UF
6
7
5
8
RC4558D
1K
5.6K
4.7K
332
0.010.01
1K
10UF
0.1
1K
22K
4.7K
150P
0.010.01
1K
10UF
2
4
3
RC4558D
0.1
10UF
10UF
C-A
SUB-A
TU5V
+5V
4.7K
2SA812
10K
100UF
2SC1623
TU12V
+12V
4.7K
2SA812
10K
2SC1623
100UF
SYR
RDS-DATA
TU-CE
TU-DI
TU-CL
YU-DO
SDB
TU5V
TU12V
TU-L
TU-R
470 470
75 OHM
VDAC
L105
2.4µF
CVBS1
47PF
6
5360K
360K
56K
47K
68K
68K
8
7
RC4558D
0.1
10UF
0.1
6
7
5
8
15K
47PF
12K
RC4558D
+12V
10UF
0.1
2
1
4
3
RC4558D
-12V
10UF
15K
12K
10UF
10UF
13
3
7
16
VEE
X
Y
VDD
100UF
100UF
4
7
2
4
3
RC4558D
47K
68K
68K
68K
-12V
68K
0
1
2
C
K
C
K
SD2
SD1
SD0
LRCK
BICK
+3.3V
+2.5V
0.10.1
47PF
0.001
+3.3V
+2.5V
0.1
0.1
AUX1
AUX0
A
MCLK
RST
AMCLK
RST
AUX0
AUX1
10K
10K
+3.3V
18
19
17
28
20
27
22
21
23
25
26
32
31
30
29
24
9
8
13
15
7
16
6
11
10
12
14
4
5
3
1
2
VDD3.3_1
SDI_12
SDI_34
GND_2
RESET
SDI_56
MVO
PLL_BYPASS
SDI_78
BICKI
LRCKI
VDD3.3_2
VDD2.5_2
TEST_MODE
GND_1
VDD2.5_1
SDA
SCL
SA
VDD3.3_3
XTI
GND_3
VDDA_PLL
PLL_FILTER
GNDA_PLL
CKOUT
VDD2.5_3
OUT7_A
OUT7_B
OUT8_A
OUT8_B
VDD3.3_PLL
0.1
0.1
+2.5V
+3.3V
0.0012
100PF
100PF
3.3K
GNDA
VDDA
0.1
0.1
600
600
22UF
+2.5V
GND_5
VDD2.5_5
OUT2_B
OUT2_A
OUT1_B
OUT1_A
GND_7
VDD2.5_7
EAPD
LRCKO
SDO_12
SDO_34
SDO_56
BICKO
GND_6
VDD3.3_6
PWDN
VDD2.5_4
VDD2.5_6
SDO_78
VDD3.3_7
OUT3_A
OUT3_B
OUT4_A
OUT4_B
OUT5_A
OUT5_B
OUT6_A
OUT6_B
VDD3.3_5
VDD3.3_4
GND_4
45
46
47
48
37
43
42
41
40
39
38
34
33
44
35
36
2.2UF
2.2UF
0.1
0.1
+3.3V
+2.5V
+2.5V
0.1
0.1
+3.3V
OUT2_A
OUT2_B
OUT3_A
OUT3_B
0.001
49
50
60
61
51
56
57
58
62
55
53
52
64
54
63
59
47K
0.1
0.1
0.1
0.1
+2.5V +2.5V +3.3V+3.3V+3.3V
EAPD
OUT1_A
OUT1_B
OUT6_A
OUT6_B
SPK_MUTE
10K
22UF
2SC1623
0.1
10K
0.1
+3.3V
0.1
19
20
21
22
23
24
25
26
27
28
29
30
31
32
33
0.1
34
35
36
0.1
GNDREF
GNDR1
VREG1
VREG1
VL
CONFIG
PWRDN
TRI-STATE
FAULT
TWARN
INLA
INLB
INRA
INRB
VREG2
VREG2
VSIG
VSIG GNDS
OUTNR
OUTNR
VCC2N
PGND2N
PGND2P
VCC2P
OUTPR
OUTPR
OUTNL
OUTNL
VCC1N
PGND1N
PGND1P
VCC1P
OUTPL
OUTPL
NC
18
1
2
3
4
5
6
7
8
9
10
11
12
13
14
15
16
17
30uH
1
1UF
0.1
+28V
30uH
1
30uH
30uH
1
1
1UF
0.1
0.001
+28V
19
20
21
22
23
+3.3V
0.1
0.1
24
0.1
10K
27
28
29
30
31
32
0.1
0.1
33
34
35
36
GNDREF
GNDR1
VREG1
VREG1
VL
CONFIG
PWRDN
TRI-STATE
FAULT
TWARN
INLA
INLB
INRA
INRB
VREG2
VREG2
VSIG
VSIG GNDS
OUTNR
OUTNR
VCC2N
PGND2N
PGND2P
VCC2P
OUTPR
OUTPR
OUTNL
OUTNL
VCC1N
PGND1N
PGND1P
VCC1P
OUTPL
OUTPL
NC
18
13
14
15
16
17
12
+28V
1UF
0.1
0.001
30uH
1
1
30uH
10
11
8
9
4
5
6
7
+28V
1UF
0.1
30uH
1
30uH
1
1
2
3
OUT4_A
OUT5_A
OUT5_B
OUT4_B
68K
OSCIN
DMUTE
TRAY-FWD
TRAY-REV
LSW
TOPEN-SW
TCLOSE-SW
OSCIN
DMUTE
TOPEN-SW
TCLOSE-SW
LSW
TRAY-REV
TRAY-FWD
330 OHM
10PF
T15
T13
2
5
3
0
4
WRQ_INTLDON1
LDON2
DVD-CDB
13
14
All manuals and user guides at all-guides.com

Related product manuals