EasyManua.ls Logo

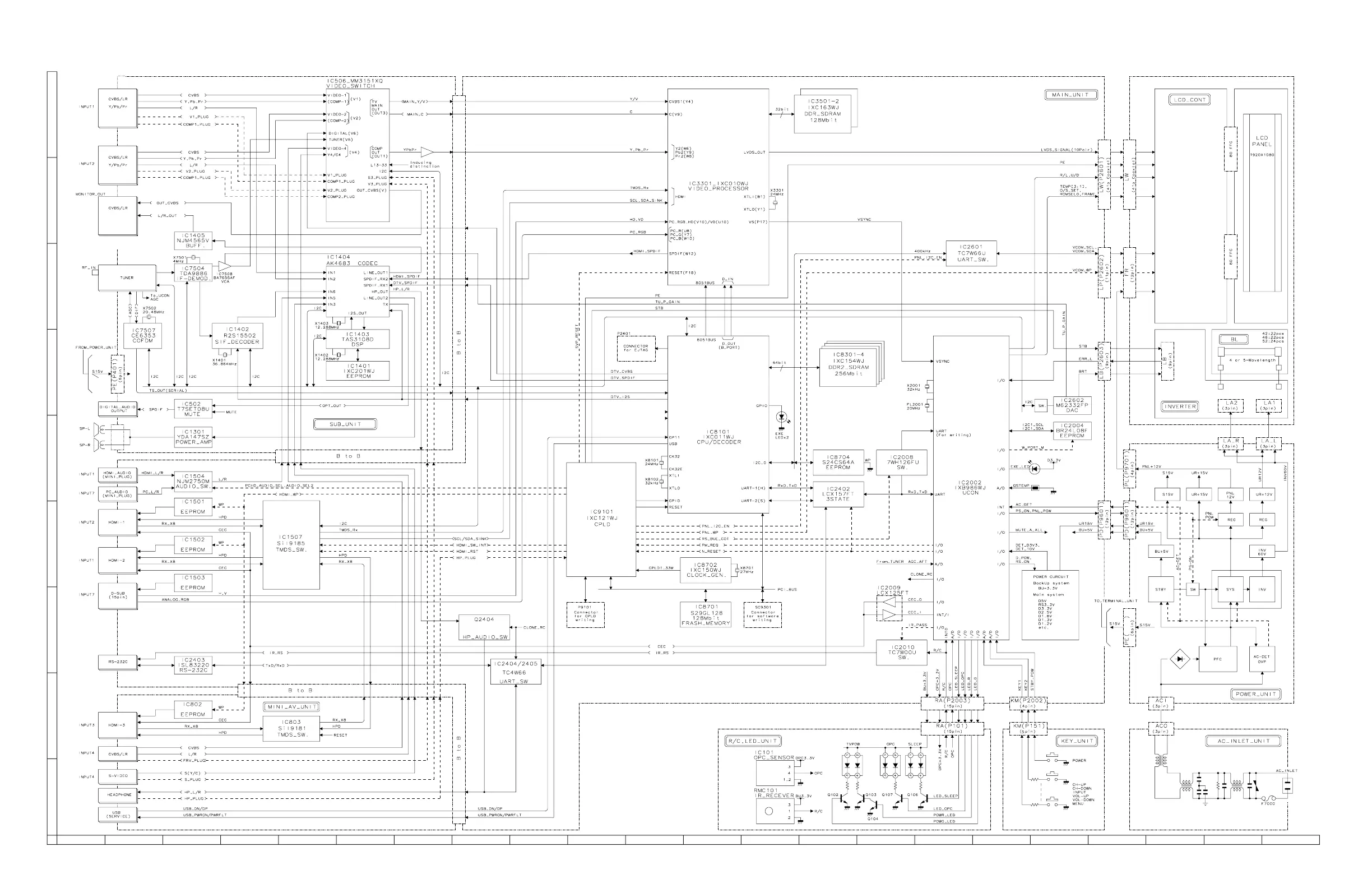
Sharp LC-42D85X - System Block Diagram

Sharp LC-42D85X
150 pages
Print Icon
To Next Page IconTo Next Page
To Next Page IconTo Next Page
To Previous Page IconTo Previous Page
To Previous Page IconTo Previous Page
Loading...
LC-42/46/52D85X
7 – 2
[2] SYSTEM BLOCK DIAGRAM
A
C
B
D
E
F
G
I
H
12345678910111213141516171819
20 21 22
T35DT13K
T35DT13K
CS35D32G
T7L2,,,,.2Z
Q512
T35DT13K

Related product manuals