EasyManua.ls Logo

Sharp LC-42D85X - KEY Unit

Sharp LC-42D85X
150 pages
Print Icon
To Next Page IconTo Next Page
To Next Page IconTo Next Page
To Previous Page IconTo Previous Page
To Previous Page IconTo Previous Page
Loading...
LC-42/46/52D85X
9 – 4
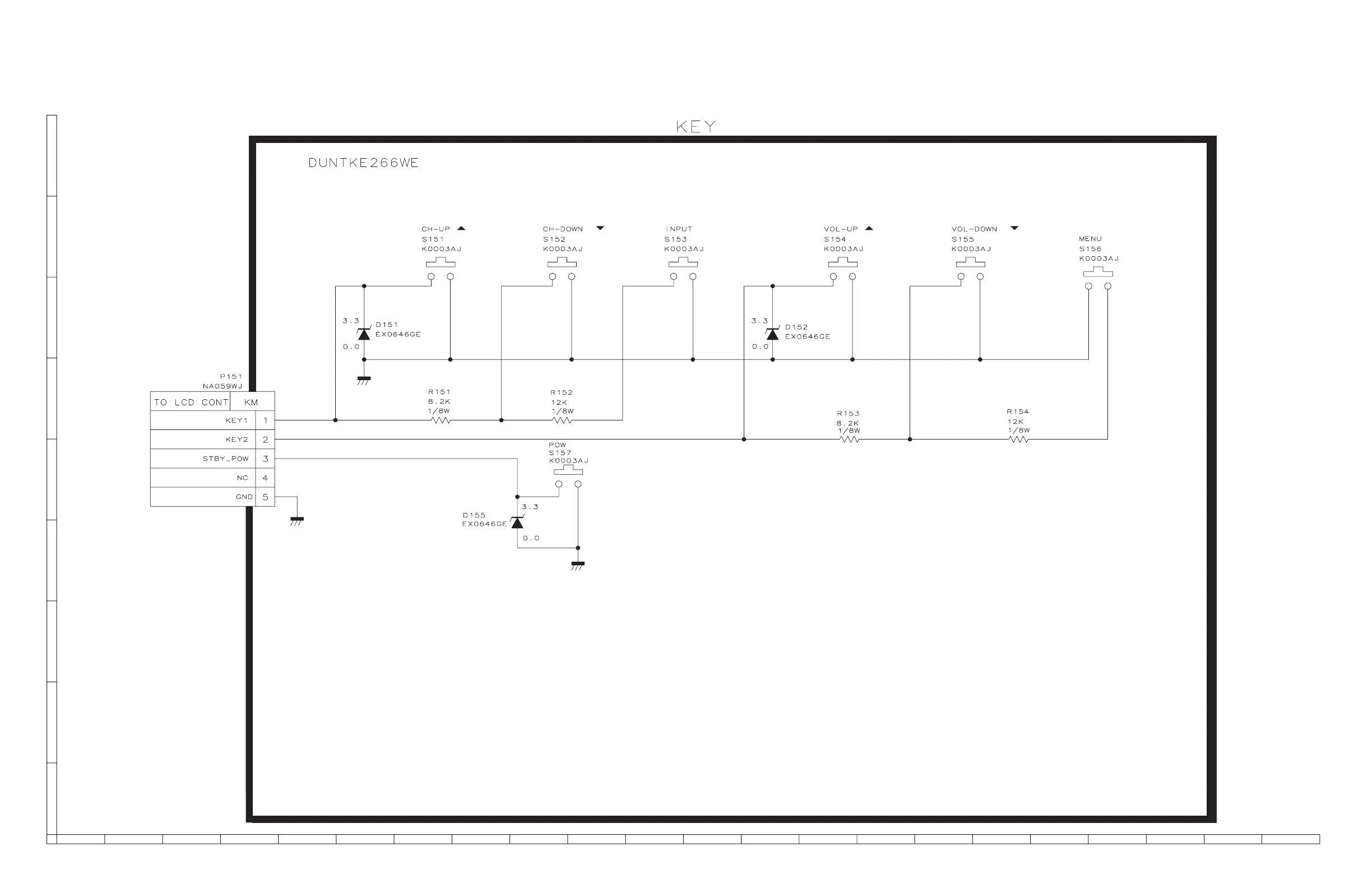
[4] KEY Unit
A
C
B
D
E
F
G
I
H
12345678910111213141516171819
20 21 22

Related product manuals