EasyManua.ls Logo

Sharp MX-M550 - Operation Panel

Sharp MX-M550
200 pages
Print Icon
To Next Page IconTo Next Page
To Next Page IconTo Next Page
To Previous Page IconTo Previous Page
To Previous Page IconTo Previous Page
Loading...
PART NAMES AND FUNCTIONS
1-13
1
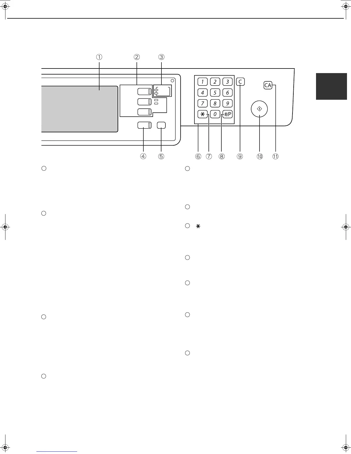
Operation panel
Touch panel
The machine status, messages and touch keys are
displayed on the panel. The document filing, copy,
network scanner*
1
, and fax*
2
, Internet fax*
3
functions are used by switching to the screen for
the desired function. See the following page.
Mode select keys and indicators
Use to change modes and the corresponding
display on the touch panel.
[DOCUMENT FILING] key
Press to select the document filing mode. (See
page 7-5.)
[IMAGE SEND] key/LINE indicator/DATA
indicator
Press to change the display to network scanner
mode*
1
, fax mode*
2
or Internet fax mode*
3
. (See
the "Operation manual (for image send)") and
"Operation manual (for facsimile)".)
[COPY] key
Press to select the copy mode.
PRINT mode indicators
READY indicator
Print data can be received when this indicator is
lit.
DATA indicator
Lights up or blinks when print data is being
received. Also lights up or blinks when printing is
being performed.
[JOB STATUS] key
Press to display the current job status. (See page
1-15.)
[SYSTEM SETTINGS] key
This is used to store, edit, and delete user names
and folder names for the document filing function,
and to configure the administrator settings and
printer configuration settings. (See page 7-24)
Numeric keys
Use to enter numeric values for various settings.
[ ] key ([LOGOUT] key)
This key is used in copy mode, document filing
mode, network scanner mode*
1
, fax mode*
2
, and
Internet fax mode*
3
.
[#/P] key
This is used as a program key when using the copy
function, and to dial when using the fax function*
2
.
[C] key (Clear key)
This key is used in copy mode, document filing
mode, network scanner mode*
1
, fax mode*
2
, and
Internet fax mode*
3
.
[START] key
Use this key to start copying in copy mode, scan a
document in network scanner mode*
1
, or scan a
document for transmission in fax mode*
2
or
Internet fax mode*
3
.
[CA] key (Clear all key)
This key is used in copy mode, document filing
mode, network scanner mode*
1
, fax mode*
2
, and
Internet fax mode
*
3
. Use the key to cancel settings
and perform an operation from the initial machine
state.
*1 When the network scanner option is installed.
*2 When the fax option is installed.
*3 When the Internet fax option is installed.
LOGOUT
DOCUMENT
FILING
IMAGE SEND
COPY
JOB STATUS
SYSTEM
SETTINGS
LINE
DATA
PRINT
READY
DATA
1
2
3
4
5
6
7
8
9
10
11
dragonII_copy_sec.book 13 ページ 2006年10月18日 水曜日 午後7時39分

Table of Contents

Related product manuals