EasyManua.ls Logo

Sharp R-3E54 - Schematics; Oven Schematic - OFF Condition; Oven Schematic - ON Condition

Sharp R-3E54
36 pages
Print Icon
To Next Page IconTo Next Page
To Next Page IconTo Next Page
To Previous Page IconTo Previous Page
To Previous Page IconTo Previous Page
Loading...
R-3A54
R-3E54
7
5 !52?
03
az
v%
b$t
.f”
0
2
0
! 6 G? 9 16
i; r
‘I- v
p; %
f&i
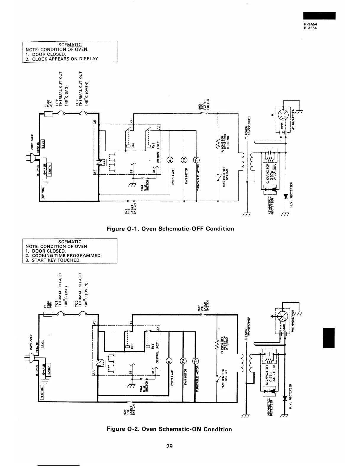
Figure O-l. Oven Schematic-OFF Condition
SCEMATIC
NOTE: CONDITION OF OVEN
I
1. DOOR CLOSED.
2. COOKING TIME PROGRAMMED.
3. START KEY TOUCHED.
5 !sz?
vc
$2
v
5 -*
ag
5 -0
..-
..-
F GF
3
I;: 9 cc c
p; s
.$
&I SW
- -
I-
!-, 3- - --e-w- ----- _ I - -3
I
I
,I
1
I
I
!!!J
I
I&;
A: q
‘. ‘c P 4 I
BP$
s
I
$f[$
!I
l!t
1
0 d it
> (
m 4
2
4
!,c
J
8
I3
B..- ----- 8 ---- Ki 3 i)
b
-
a- 6
p
v%L
!i!
f
8 , aim
L
J-6
a-i-t;
52 2
4
!------y
m
i---i
%
2
L 0
Y ,“;;
4 90
u 0a
cd
L--l
8
1
ffi
i
&
Figure O-2. Oven Schematic-ON Condition
29

Related product manuals