EasyManua.ls Logo

Sharp SJ-63L-A2G - WIRING DIAGRAM

Sharp SJ-63L-A2G
36 pages
Print Icon
To Next Page IconTo Next Page
To Next Page IconTo Next Page
To Previous Page IconTo Previous Page
To Previous Page IconTo Previous Page
Loading...
6
SJ-58L-A2
SJ-63L-A2
SJ-68L-A2/R2
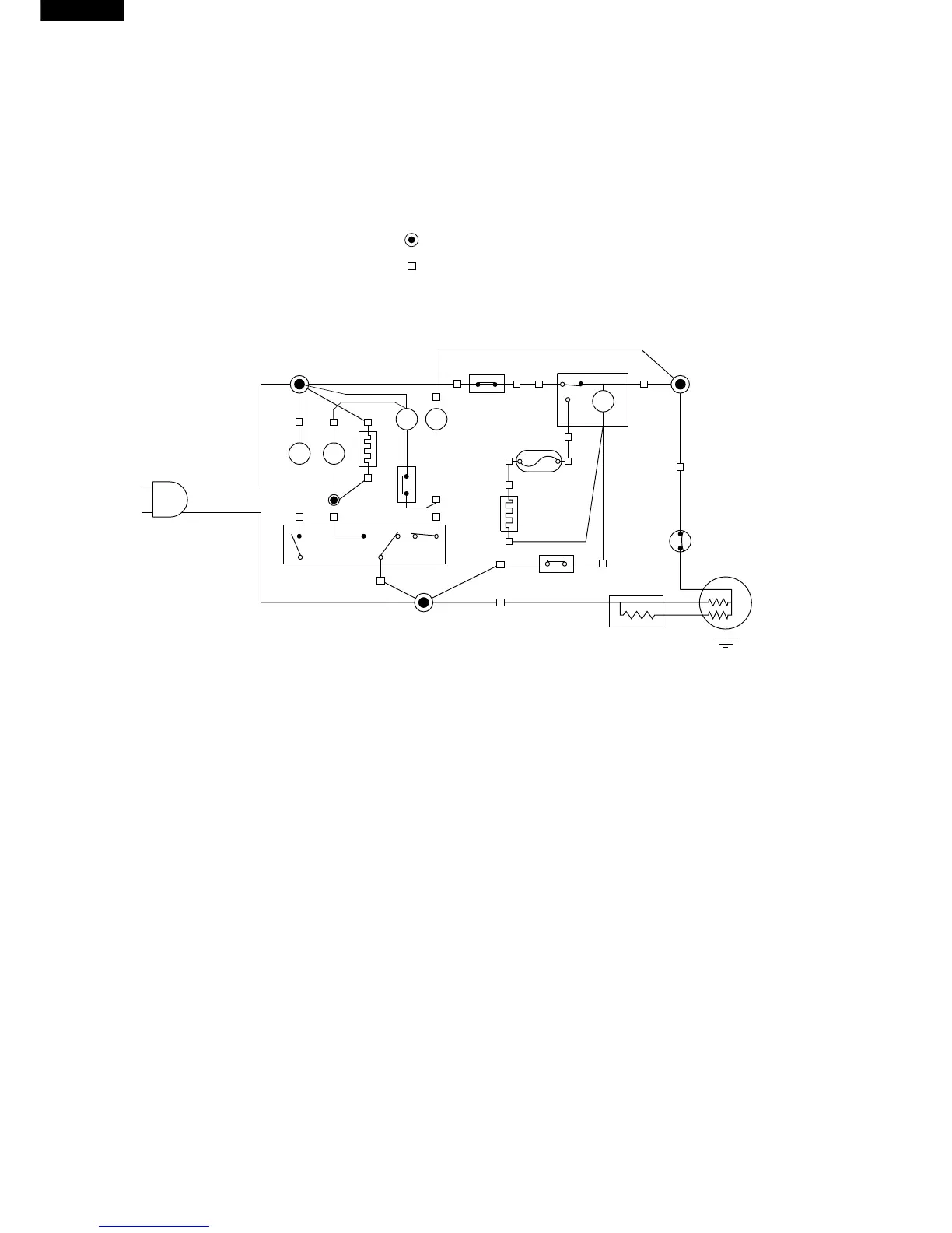
WIRING DIAGRAM
Be sure to replace the electrical parts with specified ones for maintaining the safety and performance of the set.
Figure W-1. Wiring Diagram
F-THERMOSTAT
(R)
DEFROST
TIMER
TM
THERMO.
FUSE
FMFM
DEFROST
HEATER
DEFROST
THERMOSTAT
STARTING RELAY
C
M
A
COMPRESSOR
PROTECTOR
(B)
DOOR SWITCH
SOURCE CORD
1
2
4
(S-B)
R-FAN THERMO.
HEATER
R-FAN
THERMO.
L
L
3
(O)
(BR)
(W)
(Y)
(G)
4
12
3
CONNECTED IN TERMINAL BOX
CONNECTOR
G
Br
O
Y
R
P
B
Bk
S-B
G-Y
W
: GRAY
: BROWN
: ORANGE
: YELLOW
: RED
: PINK
: BLUE
: BLACK
: SKY-BLUE
: GREEN-YELLOW
: WHITE
R
R
F
F
(BK)

Related product manuals