EasyManua.ls Logo

Sharp SM-SX100 - Schematic Diagram (2;9)

Sharp SM-SX100
76 pages
Print Icon
To Next Page IconTo Next Page
To Next Page IconTo Next Page
To Previous Page IconTo Previous Page
To Previous Page IconTo Previous Page
Loading...
SM-SX100
– 28 –
A
B
C
D
E
F
G
H
1
23456
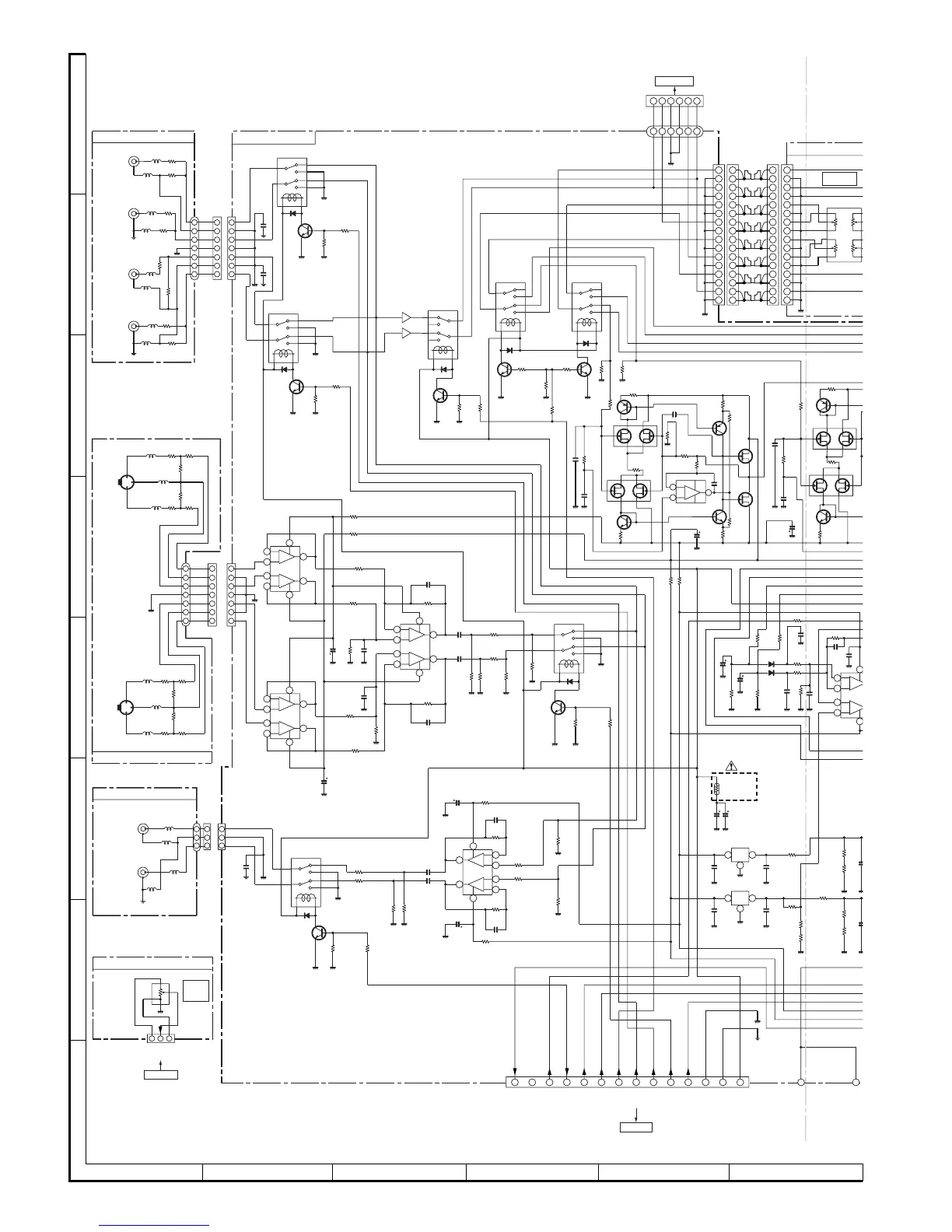
Figure 28 SCHEMATIC DIAGRAM (2/9)
• NOTES ON SCHEMATIC DIAGRAM can be found on page 26.
-
-
+
+
-
+
+
+
-
-
+
+
-
-
-
+
-
-
+
+
-
-
+
+
CNP903
1
Q2
1
+B
–B
+B
+B
–B
+B
–B
–B
+B
+B
+B
P32 4 - H
TO DEGITAL
SECTION
P32 4
TO MA
SECTI
O
DIG 5V
12
D+5V
D_GND
LED_GND
IC_RESET
AUX3
AUX2
AUX1
DIG/ANA
SP_RLY
POWER
PROTECT
YOBI_OUT
WARR
LMUTE
P27 6 - E
TO SYSTEM
MICROCOMPUTERPWB
14
13
12
11
10
9
8
7
6
5
4321
CNS905
32
1
3
2
1
–B
+B
+B
–B
–B
+15V
+B
8
6
5
4
3
2
-15V
–B
+B
+B
+B
+B
1
2
3
+B
S
D
G
S
D
G
+B
Q605~Q614,Q617,Q618,Q621~Q624:ANALOG AMP.
16
15
14
13
12
11
10
9
8
7
6
5
4
3
2
1
16
15
14
13
12
11
10
9
8
7
6
5
4
3
2
1
16
15
14
13
12
11
10
9
8
7
6
5
4
3
2
1
16
15
14
13
12
11
10
9
8
7
6
5
4
3
2
1
GND
GND
R+
R-
L-
L+
6
5
4321
6
5
4321
P33 12 - F
TO DIGITAL PWB
CNP808
MAIN VOLUME
P
–B
+B
+B
+B
+B
+B
+B
+B
+B
A
A
R
L
+B
+B
+B
+B
6
7
5
4
3
2
1
6
7
5
4
3
2
1
6
7
5
4
3
2
1
MAIN PWB-A1(1/3)
+B
+B
JACK PWB-A10(1/2)
+
1
G
3
2
+B
D+5V
-15V
+15V
+B
+B
+B
+B
–B
7
6
5
4
3
2
1
1
2
3
4
5
6
7
1
2
3
4
5
6
7
1
2
3
4
5
6
7
8
–B
+B
+B
8
7
6
5
4
3
2
1
–B
+B
+B
+B
+B
8
7
6
5
4
3
2
1
+B
+
G
1
2
3
LINE2 PWB-A6
JACK PWB-A10(2/2)
1
2
3
1
2
3
1
2
3
+B
D+5V
+B
+B
+B
+B
1
2
3
4
5
6
7
8
+B
+B
VOL
D+5V
GND
CNS903
P27 1 - E
TO SYSTEM
MICROCMPUTER PWB
123
+B
+B
DISPLAY VOLUME PWB-A8
R239
270
C222
100/10
R238
270
R243
1.5K
R240
270
R241
270
C223
100/10
C220
1000/10
C215
0.01
IC202
M5279L05
VOLTAGE REGULATOR
C209
0.01
R242
1.5K
C216
0.01
IC203
M5278L05
VOLTAGE REGULATOR
C210
0.01
R245
1K
R244
4.7K
R249
680
R250
15
POSISTOR
C221
470/10
IC201
NJM4558M
MOTOR
DRIVER
C613
001
R207
47K
C202
0.01
VOL601
20K
CNP601
CNS601A
CNS601B
Q613
2SK389 BL
Q61
7
2SJ109
R607
390
R611
390
Q605
2SA1036 KR
C603
47P(CH)
R605
100
R609
1M
C611
10/25
Q609
2SC2412 KR
R613
390
C605
0.0047
D204
DA119
D206
DA119
R214
10K
R213
10K
R211
4.7K
R210
47K
R209
4.7K
R208
4.7K
R639
4.7K
C205
0.01
C204
0.01
C203
0.01
C219
47/25
R212
4.7K
C218
47/25
R164
4.7K
R163
100K
R627
10
R628
10
R632
15K
Q612
2SC2412 KR
Q610
2SC2412 KR
C612
10/25
Q624
2SJ74 BL
R622
220
IC601(B)
R614
390
Q606
2SA1036 KR
R630
15K
R608
390
Q618
2SJ109 BL
Q614
2SK389 BL
R612
390
R637
27K
R638
27K
R620
220
Q608
2SA1036 KR
R626
180
C608
220P
R616
820
R618
1M
C610
0.0047
Q622
2SK170-BL
R606
100
CNP105
BI108
CNS108
RLY602
D602
DA119
R604
1K
Q604
2SC2412 KR
R603
4.7K
C606
0.0047
C604
47P(CH)
R610
1M
Q108
2SC1740 SR
D104
1SS133
R125
8.2K
RLY104
R152
1.5K
R155
100K
R151
1.5K
R156
100K
R150
10K
C164
2.2
C163
2.2
IC104
ANALOG AMP.
C110
10/25
C112
100P
C111
100P
R148
10
R149
10K
R145
560K
R146
560K
C109
10/25
R147
10
C162
2.2
C161
2.2
R126
8.2K
R142
6.8K
R136
4.7K
R138
4.7K
IC103
ANALOG AMP.
R140
560K
R139
560K
R141
6.8K
C106
100P
C105
100P
R137
4.7K
C102
100P
R133
4.7K
R131
4.7K
R182
10
R181
10
R234
100K
Q208
2SC2412 KR
R235
4.7K
RLY201
D201
DA119
R601
1K
Q602
2SC2412 KR
D601
DA119
RLY601
Q102
2SC2412KR
D101
1SS133
R158
4.7K
RLY101
CNP116
BI101
C144
0.001
C142
0.001
R157
100K
L101
R101
3.3K
J101
L-CH
L103
R103
560K
L102
R102
3.3K
J102
R-CH
AUX-1
L104
R104
560K
L105
R105
3.3K
L107
J103
L-CH
J104
R-CH
R107
560K
R108
560K
L108
L106
R106
3.3K
AUX-2
R121
1.5K
R113
1K
L111
J106-1
L-CH
L115
R117
560K
R119
560K
L113
R123
1.5K
R115
1K
CNP117
CNS102
C101
100P
R135
4.7K
C107
10/25
R132
4.7K
R134
4.7K
C108
10/25
R144
100
R143
100
RLY105
Q110
2SC1740 SR
D105
1SS133
R165
100K
R166
4.7K
VOL602
L120
L118
J108
R-CH
L119
J107
L-CH
L117
C148
0.001
BI103
CNS103
CNP118
R120
560K
R124
1.5K
R116
1K
L114
L116
R118
560K
R122
1.5K
R114
1K
L112
J106-2
R-CH
J106
BALANCE
CANON
TERMINAL
CNS101
D102
1SS133
R159
100K
R160
4.7K
Q104
2SC1740 SR
IC101
ANALOG AMP.
IC102
ANALOG AMP.
CNP106
R602
100K
RLY102
BI102
LINE
OUT
–B
ANALOG AMP.
DISPLAY
SIGNAL
DETECT
MAIN
VOLUME
IC101~104: OPA2134 (220-240V)
IC101~104: IX2838AF (110-127V)
0.6V(0V)
0.6V(0V)
0.6V(0V)
0.6V(0V)
0.6V(0V)
5V
14.1V
13.5V
0V
0V
0V
0V
0V
0V
0V
0.475V
0.328V
–14.1V
–13.5V
14.5V
14.5V
–14.5V
–14.8V
0V
0V
0V
0V
0V
14.8V
–14.8V
0V
0V
14.8V
0V
0V
0V
0V
–14.8V
0V
0V
14.8V
0V
0V
0V
0V
5V
0.6V(0V)
–14.8V
0V
0V
0V
0V
0V
0V
14.8V
0.6V(0V)
15V
5V
–15V
–5V
0V
0V
0V
0
0
0V
0V
0V
0V
0V
14.1V
13.52V
0V
0V
0.475V
0.328V
–14.1V
–13.5V
4.8V
0V
3.6V
3.8V
3.1V(0V)
3.7V(0V)
3.7V(0V)
3.7V(0V)
5V
0V
0V
5V

Related product manuals