EasyManua.ls Logo

Sharp WF-971T - Page 10

Sharp WF-971T
20 pages
Print Icon
To Next Page IconTo Next Page
To Next Page IconTo Next Page
To Previous Page IconTo Previous Page
To Previous Page IconTo Previous Page
Loading...
WF-971T
-------:-----------
l:L~
TAPEMECHANISM WH ,
at
,'!)""
, "
'"
EAASE(6B)
HERAD
""~
330HZl
VR253 c:
1kHz
ll~
~;ij!
VR252
ffi
§
''"'
J
VR261
10kHz
CNS251
,
a
a
s
+'''*-+-''4
e
IGRAPHICEQUALIZERPWB-B I
CNS103
nc
CN5~
SW503
TAPE2
PCAY
M501
TAPE
MOTOR
AECDROIPLA
YBACK(B6)
',",0
SWS02
TAPEl
""'"
SW501
TAPE2
MAIN
8
A
C
"
?
8
7
(246)
-------------------------------RO---------------.,------------
7
EB
(2~5)
f
8
(246)
T601
POWgR
TRANSFORMER
p,
S0601
"~_
KCP~~~:PC'
O.
0 AC220V 230V
t~
'"',
(232)
.~--...=---{o::::::::J---u---------u------------
BATTERIES
DC,2V['O'size(UMlSUM·l,
R20or HP·2jBATTEAY X 5]
o
o
SW601
VOLTAGESELECTOR
AC220V-240V ACt lQV-127V
COLOR TABLE
BR
BROWN
AD
,EO
0,
RANGE
H YELLOW
BR
GREEN
at. BLUE
H VIOLET
GY GRAY
W,
WHITE
ax BLACK
PK PINK
o
F
H
E
G
2 3 4
5 6
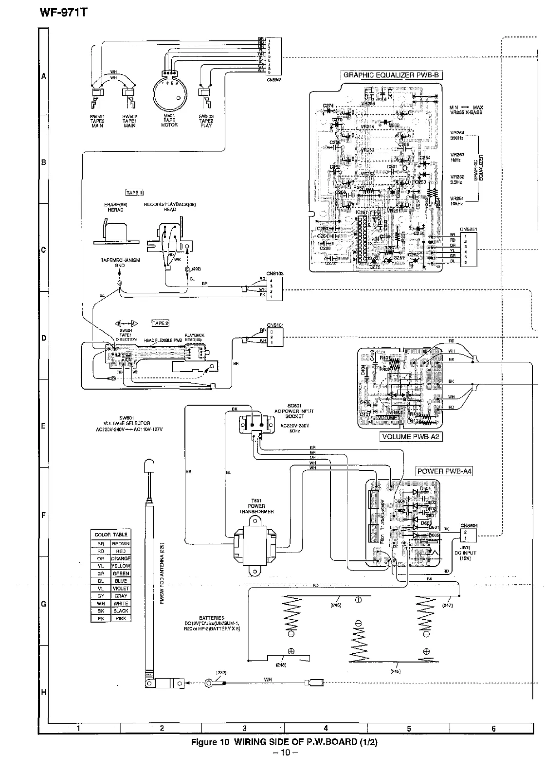
Figure 10 WIRING SIDE OF P.W.BOARD (1/2)
-10-

Related product manuals