EasyManua.ls Logo

Sharp WF-971T - Page 20

Sharp WF-971T
20 pages
Print Icon
To Previous Page IconTo Previous Page
To Previous Page IconTo Previous Page
Loading...
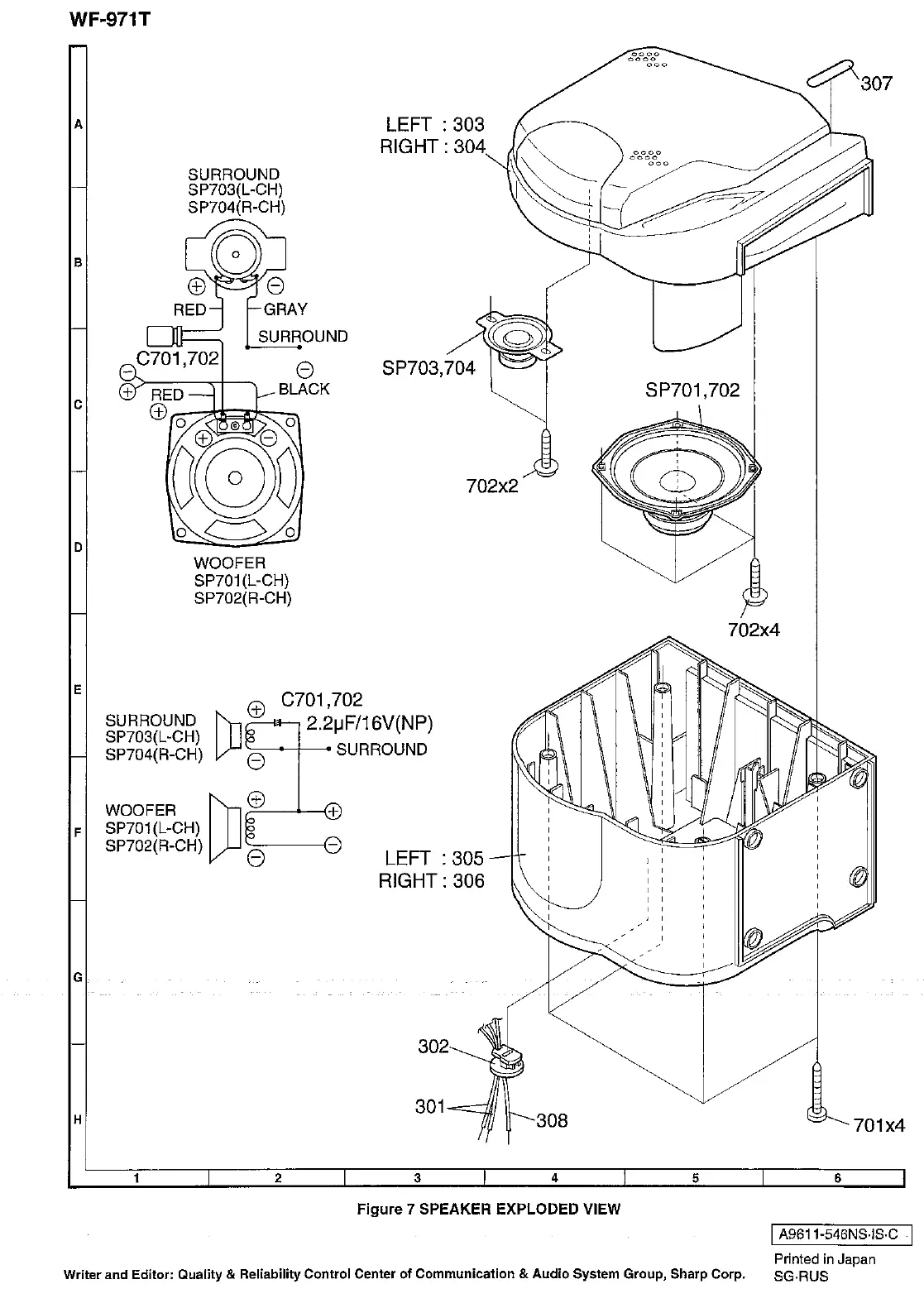
WF·971T
701x4
~
702x4
SP701,702
308
302
301-=o::1Al
702x2
SP703,704
LEFT:
303
RIGHT: 304
LEFT:
305
RIGHT: 306
C701,702
SURROUND
[JJr@'--<I--'2.2I.J
F
/
16V(NP)
SP703(L-CH)
SP704(R-CH)
S SURROUND
WOOFER
~@
SP701(L-CH)
SP702(R-CH)
'=S:-----{
WOOFER
SP701(L-CH)
SP702(R-CH)
C701,702
D
SURROUND
SP703(L-CH)
SP704(R-CH)
A
F
c
E
B
G
H
2 3
4
5 6
Figure 7 SPEAKER EXPLODED VIEW
IA9611-546NS·IS·C I
Printed
in
Japan
Writer and Editor: Quality & ReliabilityControl Center of Communication & Audio System Group. Sharp Corp. SG.RUS

Related product manuals