WF-971T
A
r-----------------------------------------
-
-
"
SW40'O
~1l
~~~~J~~~
SW401C
•
"
".
'"
STAND·BY
flAPE
R1tB
'"
rc'b
WER O
RADIO
~~W-B,(
.W
0504,
M010R
CONTROl.
'"
;.J~
'00'
I()§-
".-
10K(B)
.~~
~JR
<:Joe
-
"
,
~o
POWER ON/CD
r-s
RADIO
STANO-8m-APE
SW401A
FUNCTION
SW103A
FM MONOIFMSTEREO
"
0120
4.7150
R120
."
l103
R119
2.7mli
."
C119
411
50
-a
~~~~
R157
'"
~;!
~~
R158
'<
'"
~§
"'
ud
"
05020503:
SWITCHING
'"
470K
C117
0,015
(MLI
, .
"
"
1N4145
tat
'"'
,I>
1N4148
"
05
•
042
1~4.7150
!"'Coo
"
'"
'00
HI·SPEED DUBBING: ( )
NORMAL SPEED OTHER
"
SW10l RECORD/PLAYBACK
'"
1/50
,~
100110
SW101F
F'~I'
_F======:'J
p~?~Ab'l(
~
FMIF
112 CFl
~3
I~
~~1
I
~
~
i;3E
i
HI-
2
- - ,I
O?kll
nci
,+-----.,-"---+---1-----'-+----""'--"
,,~
0.02
9~2
'"
•
silE~~
'"
'"
"
•
,
sYn
Bp
1r
1A
I-
I
~"'"'
~
IC1
MIX
~~.£J
TA737BP
GNOr--
~
vee
FM
FRONT END
R150
."
R151
."
MAIN PWB A1
I
CNP10~
i
i
,
I
,
I
i
'"
Te7 ;
FMBANDPASS
FinER
BPF'
,
""
L·CH
I@~-":;o;,
GDILINE
I~j-~-;~f::t::::==:::;;~;;;:=========f::=====f================il
R-CK
I~
wctot
,i
BUILT-IN
MICROPHONE
II
Jl01
MIXING
MICROPHONE
"
lN4148
i
'M
,
OOANTENNAI
y,
F
D
8
E
c
G
H
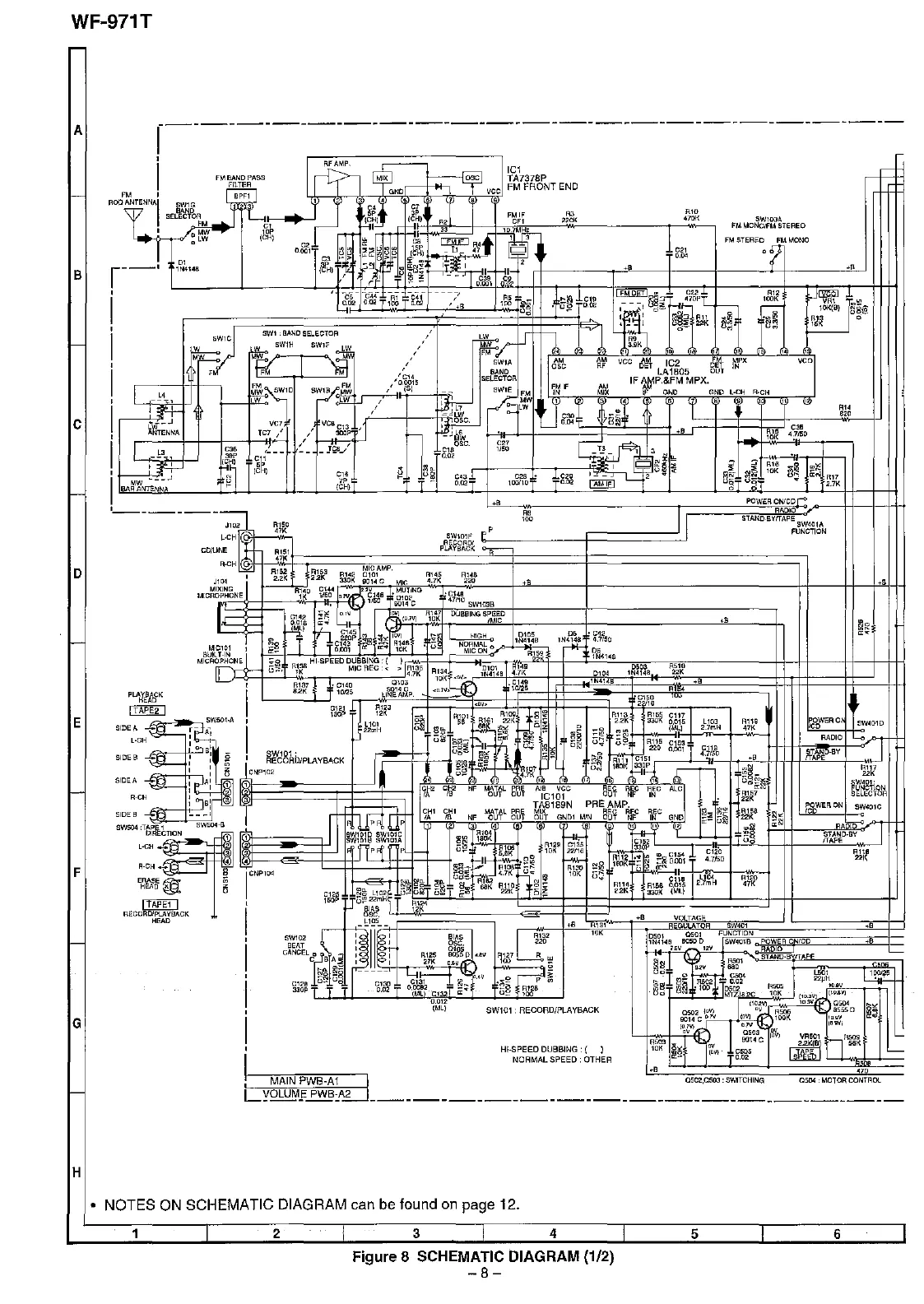
NOTES ON SCHEMATIC DIAGRAM can be found on page 12.
1 2 3 4
5 6
Figure 8 SCHEMATIC DIAGRAM (1/2)
-8-