EasyManua.ls Logo

Siemens Argus 7SR21 - Typical Connection: 7 SR22 Directional OC;EF and NVD; Figure 7.4-1 7 SR22 Applied to Feeder

Siemens Argus 7SR21
22 pages
To Next Page IconTo Next Page
To Next Page IconTo Next Page
To Previous Page IconTo Previous Page
To Previous Page IconTo Previous Page
Loading...
7SR21 & 7SR22 Argus Installation Guide
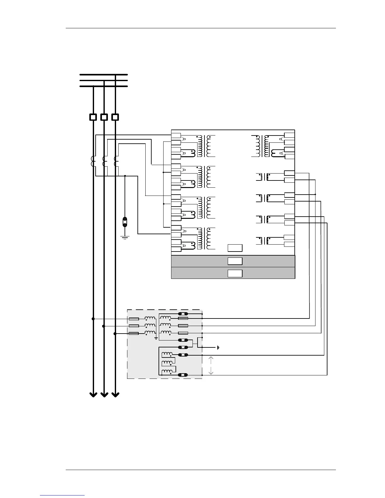
7.4 Typical Connection: 7SR22 Directional OC/EF and NVD
V
L
V
N
L1 L2 L3
3Vo
S1
S2
P1
P2
I
L1
(I
A
)
1
2
5
6
9
10
13
14
A
17
18
19
20
21
22
23
24
25
26
27
28
1A
5A
1A
5A
1A
5A
1A
5A
15
16
11
12
1A
5A
3
4
7
8
B
C
V
4
(V
X
)
V
L3
(V
C
)
V
L2
(V
B
)
V
L1
(V
A
)
I
L2
(I
B
)
I
L3
(I
C
)
I
4
(I
G
)
I
5
(I
SEF
)
NOTES
1) CT circuits are shown connected to 1A tap – use alternative tap for 5A rated CTs.
2) CT and Earth connections are typical only.
3) Voltage Config:-V
ab
, V
bc
, 3V
0
Figure 7.4-1 7SR22 Applied to Feeder
©2010 Siemens Protection Devices Limited Chapter 5 Page 20 of 22

Table of Contents

Other manuals for Siemens Argus 7SR21

Related product manuals