EasyManua.ls Logo

Siemens CPU 315-2 DP - Page 141

Siemens CPU 315-2 DP
252 pages
Print Icon
To Next Page IconTo Next Page
To Next Page IconTo Next Page
To Previous Page IconTo Previous Page
To Previous Page IconTo Previous Page
Loading...
Technical data of CPU 31xC
6.6 Technical data of the integrated I/O
CPU 31xC and CPU 31x, Technical Data
Manual, 01/2006 Edition, A5E00105475-06
6-29
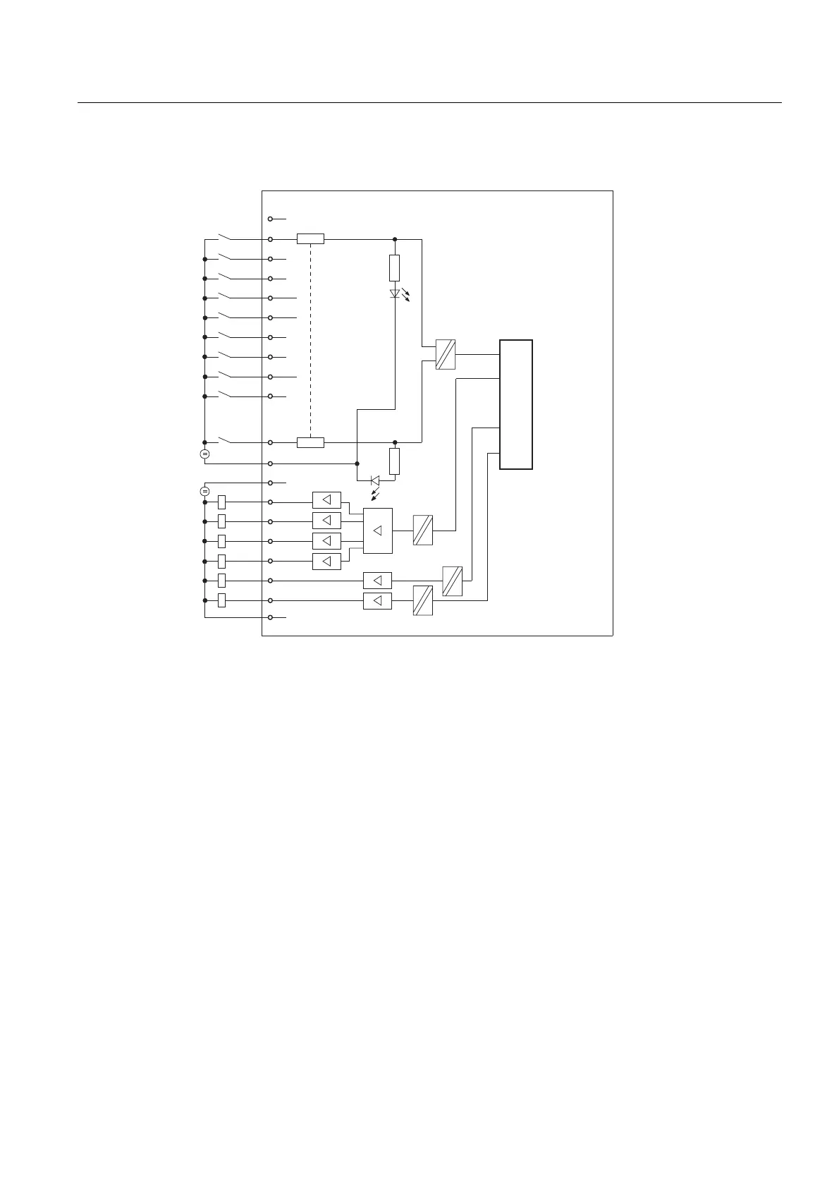
Block diagram of the integrated digital I/O
&38LQWHUIDFH
/
0
0












Table of Contents

Other manuals for Siemens CPU 315-2 DP

Related product manuals