EasyManua.ls Logo

Siemens OpenAir GEB141.1P - Page 18

Siemens OpenAir GEB141.1P
18 pages
To Previous Page IconTo Previous Page
To Previous Page IconTo Previous Page
Loading...
Technical Instructions OpenAir GEB Series Enhanced Rotary Non-Spring Return Damper Actuators
Document Number A6V12029156
December 16, 2021
Information in this publication is based on current specifications. The company reserves the right to make changes in specifications and models as
design improvements are introduced. OpenAir is a trademark of Siemens Schweiz AG. Other product or company names mentioned herein may be
the trademarks of their respective owners. © 2021 Siemens Industry, Inc.
Siemens Industry, Inc.
Smart Infrastructure
1000 Deerfield Parkway
Buffalo Grove, IL 60089-4513
USA
+1 847-215-1000
Your feedback is important to us. If you have
comments about this document, please send
them to technical.editor@sbt.siemens.com
Document No. A6V12029156
Printed in the USA
Page 18
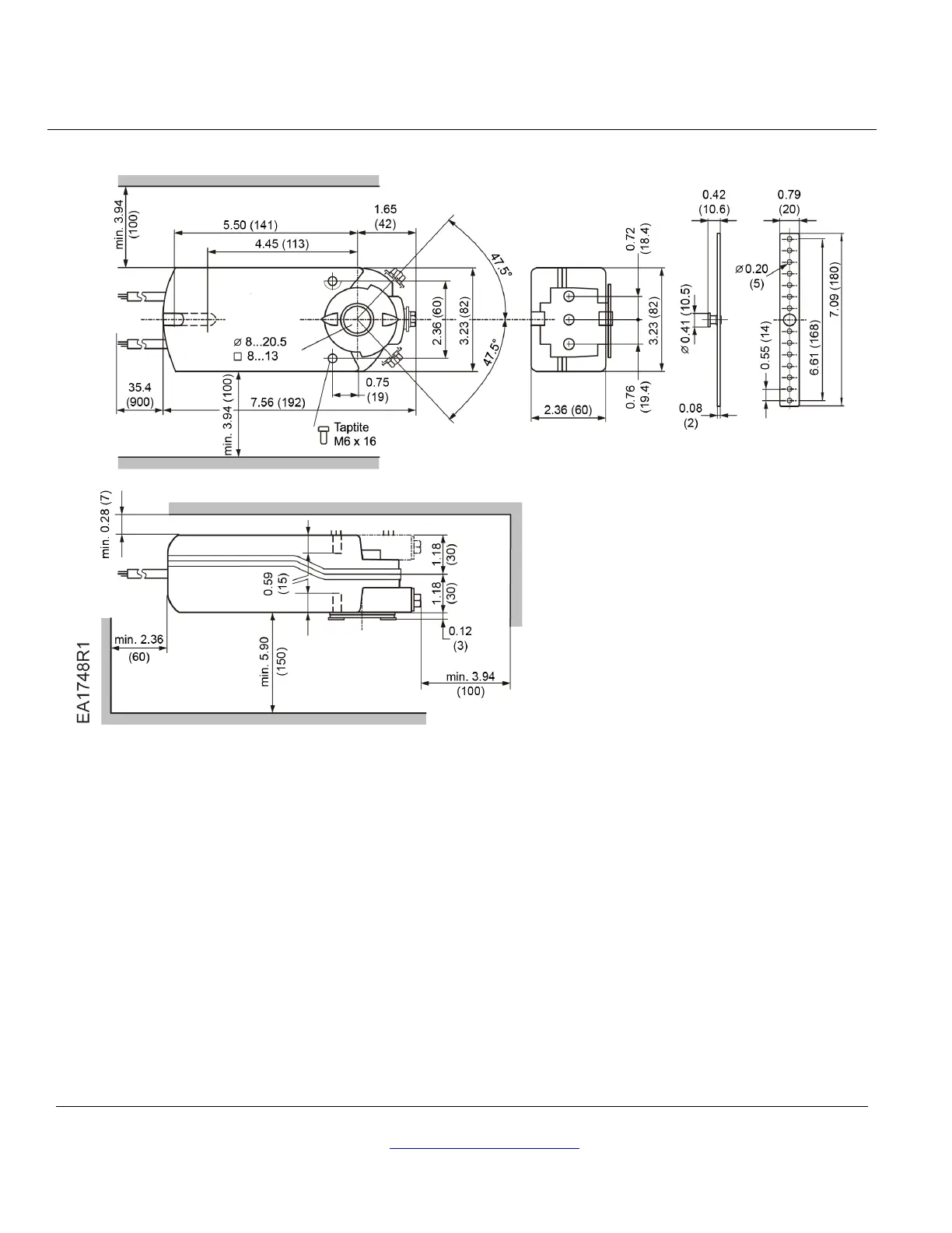
Dimensions
Figure 23. Dimensions of the GEB Actuator and Mounting Bracket in inches (mm).

Related product manuals