EasyManua.ls Logo

Siemens SGIM-3258C

Siemens SGIM-3258C
52 pages
To Next Page IconTo Next Page
To Next Page IconTo Next Page
To Previous Page IconTo Previous Page
To Previous Page IconTo Previous Page
Loading...
25
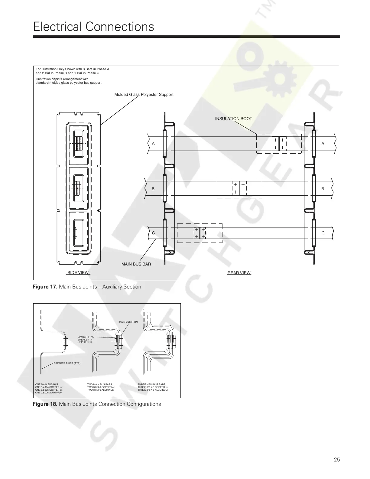
Figure 17. Main Bus JointsAuxiliary Section
Figure 18. Main Bus Joints Connection Configurations
SPACER IF NO
BREAKER RISER (TYP.)
ONE MAIN BUS BAR
ONE 1/4 X 4 COPPER or
THREE MAIN BUS BARS
THREE 3/8 X 6 COPPER or
TWO MAIN BUS BARS
TWO 3/8 X 6 COPPER or
MAIN BUS (TYP.)
ONE 3/8 X 6 COPPER or
ONE 3/8 X 6 ALUMINUM
TWO 3/8 X 6 ALUMINUM
THREE 3/8 X 6 ALUMINUM
BREAKER IN
UPPER CELL
C
B
A
SIDE VIEW
MAIN BUS BAR
REAR VIEW
INSULATION BOOT
For Illustration Only Shown with 3 Bars in Phase A
and 2 Bar in Phase B and 1 Bar in Phase C
B
A
C
Molded Glass Polyester Support
Illustration depicts arrangement with
standard molded glass polyester bus support.
Electrical Connections
Courtesy of NationalSwitchgear.com

Table of Contents

Related product manuals