EasyManua.ls Logo

Siemens SINAMICS DCM - Page 131

Siemens SINAMICS DCM
758 pages
To Next Page IconTo Next Page
To Next Page IconTo Next Page
To Previous Page IconTo Previous Page
To Previous Page IconTo Previous Page
Loading...
Connecting
6.4 Power connections
SINAMICS DCM DC Converter
Operating Instructions, 12/2018, A5E34763375A
129
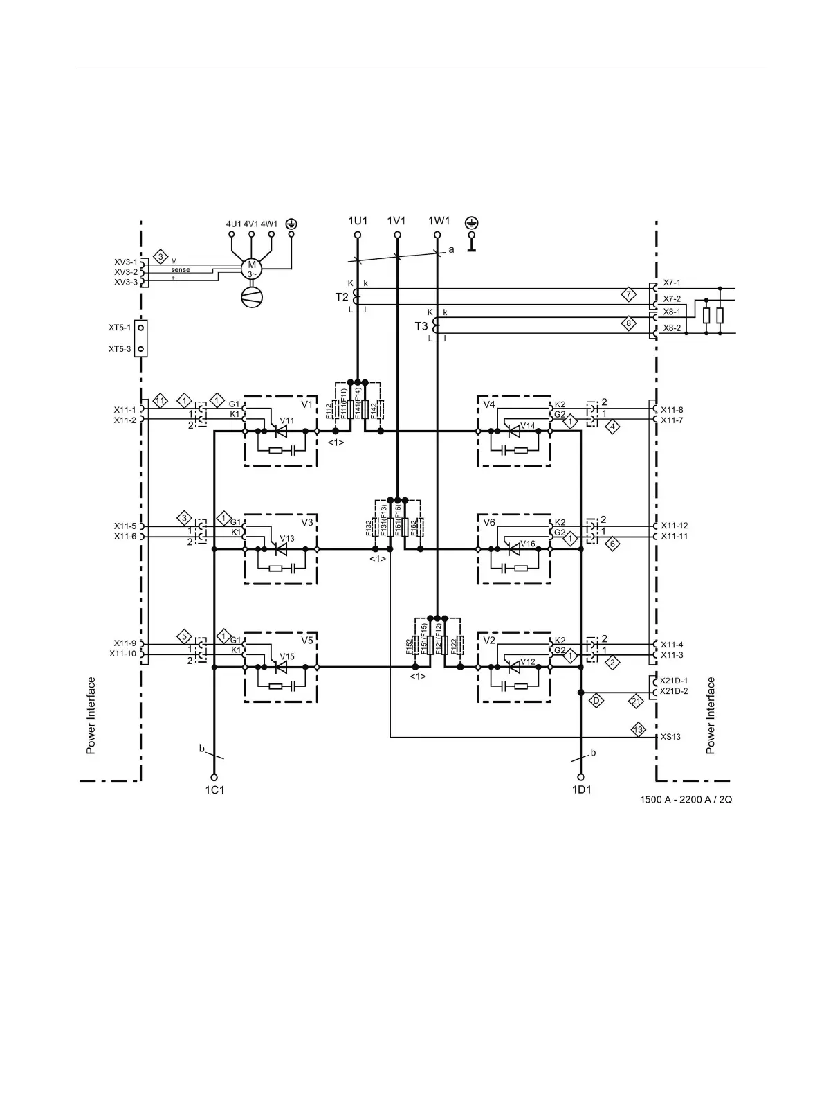
1500 to 2000 A and 575 V/2200 A/2Q devices
6RA8093-4DS22-0AA0, 6RA8093-4GS22-0AA0, 6RA8093-4KS22-0AA0,
6RA8093-4LS22-0AA0, 6RA8095-4DS22-0AA0, 6RA8095-4GS22-0AA0,
6RA8095-4KS22-0AA0, 6RA8095-4LS22-0AA0, 6RA8096-4GS22-0AA0
<1> For number of fuses, refer to the chapter "Fuses"
a = 120 x 10 mm, b = cross-section 60 x 10 mm / width 323 mm
Figure 6-30 Power connections for 1500 to 2000 A and 575 V/2200 A/2Q devices

Table of Contents

Other manuals for Siemens SINAMICS DCM

Related product manuals