EasyManua.ls Logo

Siemens SINAMICS DCM - Operating Modes

Siemens SINAMICS DCM
758 pages
Print Icon
To Next Page IconTo Next Page
To Next Page IconTo Next Page
To Previous Page IconTo Previous Page
To Previous Page IconTo Previous Page
Loading...
Descriptions of functions
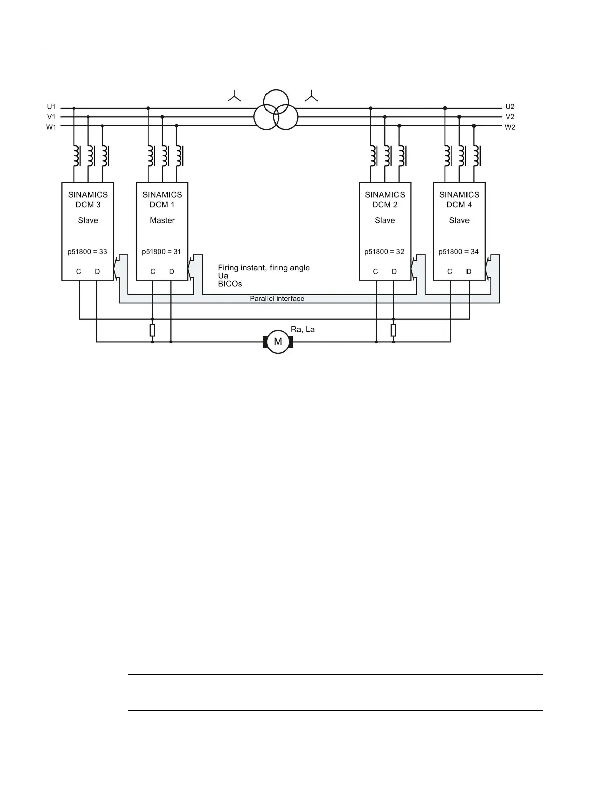
10.28 Connecting units in parallel and in series
SINAMICS DCM DC Converter
612 Operating Instructions, 12/2018, A5E34763375A
Figure 10-80 6-pulse series connection (2)
The instructions for dimensioning the balancing resistors can be found in an FAQ (for the
link, see the Preface).
Operating modes
There are 2 operating modes:
Operation with the same firing pulses (p51799 = 0 or p51799 = 31):
Both partial converters are fired at precisely the same point. The master calculates the
firing point and this is transferred to the slave via the parallel interface. Synchronization to
the line supply is exclusively performed by the master. The slave must be connected to
the line supply with the same phase sequence as the master.
Operation with sequence control (p51799 = 32):
Both partial converters synchronize to the line supply and generate their own firing points.
The firing angle for the master and the firing angle for the slave are calculated by the
master and the firing angle and the torque direction for the slave are transferred to the
slave via the parallel interface. The firing angle for the master and slave are generated so
that the reactive power load of the line supply is as low as possible. This is the case if
one of the two partial converters is at a control limit and the other carries-out the closed-
loop control. This type of closed-loop control is only possible for continuous current.
Operation with the same firing points is automatically selected in the discontinuous
(pulsating) current range.
Note
The phase sequence at the master and the slave must be the same.

Table of Contents

Other manuals for Siemens SINAMICS DCM

Related product manuals