EasyManua.ls Logo

Siemens SINAMICS DCM - Connection Examples

Siemens SINAMICS DCM
758 pages
Print Icon
To Next Page IconTo Next Page
To Next Page IconTo Next Page
To Previous Page IconTo Previous Page
To Previous Page IconTo Previous Page
Loading...
Additional system components
7.3 Sensor Module Cabinet-Mounted SMC30
SINAMICS DCM DC Converter
214 Operating Instructions, 12/2018, A5E34763375A
7.3.4
Connection examples
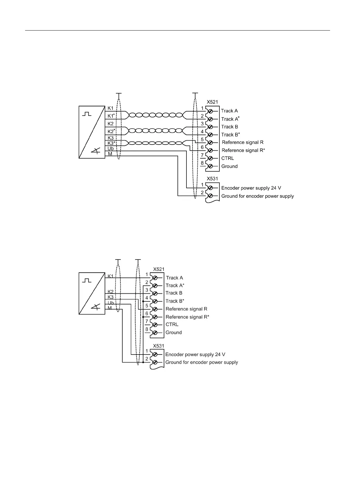
Connection example 1: HTL encoder, bipolar, with reference signal
Figure 7-8 Connection example 1: HTL encoder, bipolar, with reference signal
Signal cables must be twisted in pairs in order to improve resistance to induced interference.
Connection example 2: HTL encoder, unipolar, with reference signal
Figure 7-9 Connection example 2: HTL encoder, unipolar, with reference signal
1)
1)
Because the physical transmission properties are more robust, the bipolar connection
should always be used. The unipolar connection should only be used if the encoder type
does not output push-pull signals.

Table of Contents

Other manuals for Siemens SINAMICS DCM

Related product manuals