EasyManua.ls Logo

Siemens SINAMICS DCM - Page 140

Siemens SINAMICS DCM
758 pages
Print Icon
To Next Page IconTo Next Page
To Next Page IconTo Next Page
To Previous Page IconTo Previous Page
To Previous Page IconTo Previous Page
Loading...
Connecting
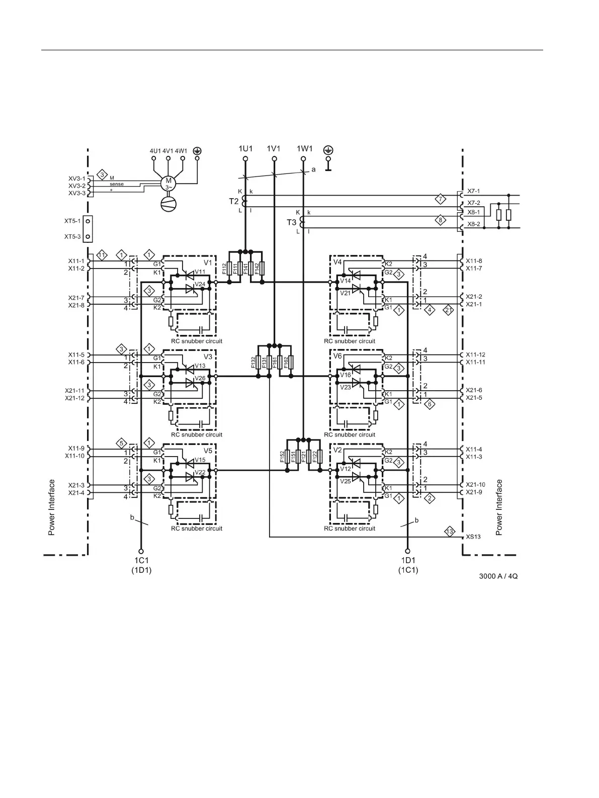
6.4 Power connections
SINAMICS DCM DC Converter
138 Operating Instructions, 12/2018, A5E34763375A
400 V/3000 A, 575 V/2800 A, 690 V/2600 A, 950 V/2200 A/4Q devices
6RA8096-4MV62-0AA0, 6RA8097-4GV62-0AA0, 6RA8097-4KV62-0AA0,
6RA8098-4DV62-0AA0
a = 120 x 10 mm, b = cross-section 60 x 10 mm / width 323 mm
Figure 6-39 Power connections for 2200 to 3000 A/4Q devices

Table of Contents

Other manuals for Siemens SINAMICS DCM

Related product manuals