EasyManua.ls Logo

Siemens SINAMICS DCM - Page 722

Siemens SINAMICS DCM
758 pages
Print Icon
To Next Page IconTo Next Page
To Next Page IconTo Next Page
To Previous Page IconTo Previous Page
To Previous Page IconTo Previous Page
Loading...
Functional safety
13.5 Application examples
SINAMICS DCM DC Converter
720 Operating Instructions, 12/2018, A5E34763375A
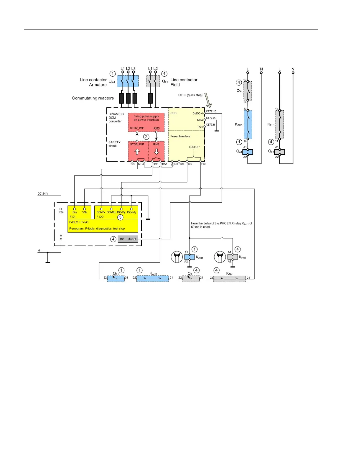
SS1 application with line contactor and F-PLC
First channel (blue): Line contactor armature + armature auxiliary contactor
Second channel (red): Firing pulse circuit, SAFETY circuit
Safety components (yellow)
Contact blocks for field excitation (gray): Line contactor field + field auxiliary contactor (also as the field contactor is
usually controlled as well)
Figure 13-7 SS1 application with line contactor and F-PLC

Table of Contents

Other manuals for Siemens SINAMICS DCM

Related product manuals