EasyManua.ls Logo

Siemens SINUMERIK 880 - Page 105

Siemens SINUMERIK 880
291 pages
Print Icon
To Next Page IconTo Next Page
To Next Page IconTo Next Page
To Previous Page IconTo Previous Page
To Previous Page IconTo Previous Page
Loading...
07.90 4 Measuring Cycles for Turning Machines
4.3.3 L974 1-point measurement with reversal
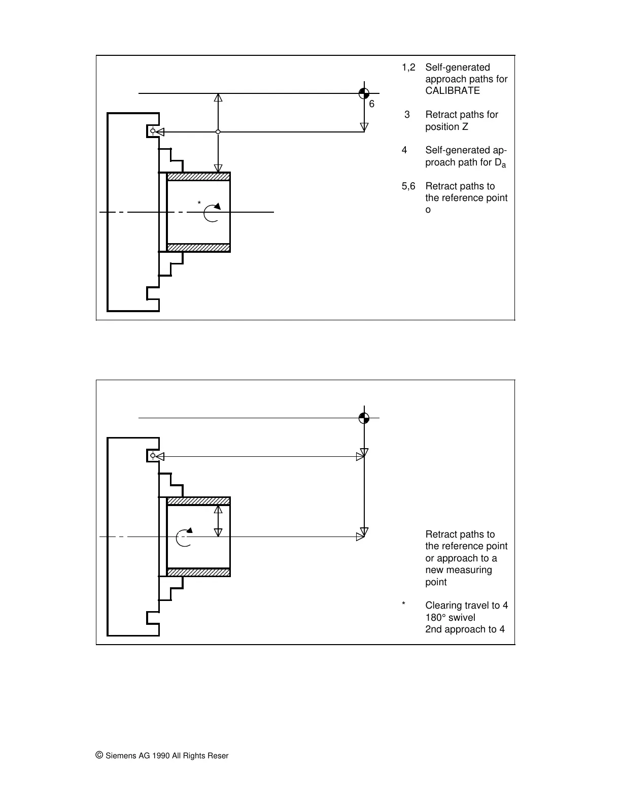
Fig. 4.13 1-point measurement with reversal on outside diameter
with CALIBRATE
F
Start CALIBRATE
4
5
3
2
Start MEASURE
a
a
a
a
a
a
a
a
a
a
a
a
a
a
a
a
a
a
a
a
a
a
a
a
a
a
a
a
a
a
a
a
a
a
a
a
a
a
a
a
a
a
a
a
a
a
a
a
a
a
a
a
a
a
a
a
a
a
a
a
a
a
a
a
a
a
a
a
a
a
a
a
a
a
a
a
a
a
a
a
a
a
a
a
a
a
a
a
a
a
a
a
a
a
a
a
a
a
a
a
a
a
a
a
a
a
a
a
a
a
a
a
a
a
a
a
a
a
a
a
a
a
a
a
a
a
a
a
a
a
a
a
a
a
a
a
a
a
a
a
a
a
a
a
a
a
a
a
a
a
a
a
6
*
1,2 Self-generated
approach paths for
CALIBRATE
3 Retract paths for
position Z
4 Self-generated ap-
proach path for D
a
5,6 Retract paths to
the reference point
or approach to a
new measuring
point
* Clearing travel to 4
180° swivel
2nd approach to 4
automatically by
cycle
Fig. 4.14 1-point measurement with reversal on inside diameter
with CALIBRATE
3'
6
1
3
F
Start CALIBRATE
7
X75
5
4
Start MEASURE
2
a
a
a
a
a
a
a
a
a
a
a
a
a
a
a
a
a
a
a
a
a
a
a
a
a
a
a
a
a
a
a
a
a
a
a
a
a
a
a
a
a
a
a
a
a
a
a
a
a
a
a
a
a
a
a
a
a
a
a
a
a
a
a
a
a
a
a
a
a
a
a
a
a
a
a
a
a
a
a
a
a
a
a
a
a
a
a
a
a
a
a
a
a
a
a
a
a
a
a
a
a
a
a
a
a
a
a
a
a
a
a
a
a
a
a
a
a
a
a
a
a
a
a
a
a
a
a
a
a
a
a
a
a
a
a
a
a
a
a
a
a
a
a
a
a
a
a
a
a
a
a
a
3''
*
1,2 Self-generated
approach paths for
CALIBRATE
3 Retract paths
for position Z
3' for position X
3'' for position Z
4 Self-generated ap-
proach path for D
i
5,6 Retract paths to
the reference point
or approach to a
new measuring
point
* Clearing travel to 4
180° swivel
2nd approach to 4
© Siemens AG 1990 All Rights Reserved 6FC5197- AB70 4–31
SINUMERIK 840/850/880 (BN)

Table of Contents

Other manuals for Siemens SINUMERIK 880

Related product manuals