EasyManua.ls Logo

Siemens SINUMERIK 880 - 1.9.2.4 Description of Transfer Parameters

Siemens SINUMERIK 880
291 pages
Print Icon
To Next Page IconTo Next Page
To Next Page IconTo Next Page
To Previous Page IconTo Previous Page
To Previous Page IconTo Previous Page
Loading...
10.91 1 Introduction
1.9.2 Logging via CP315 with the SINUMERIK 840/880
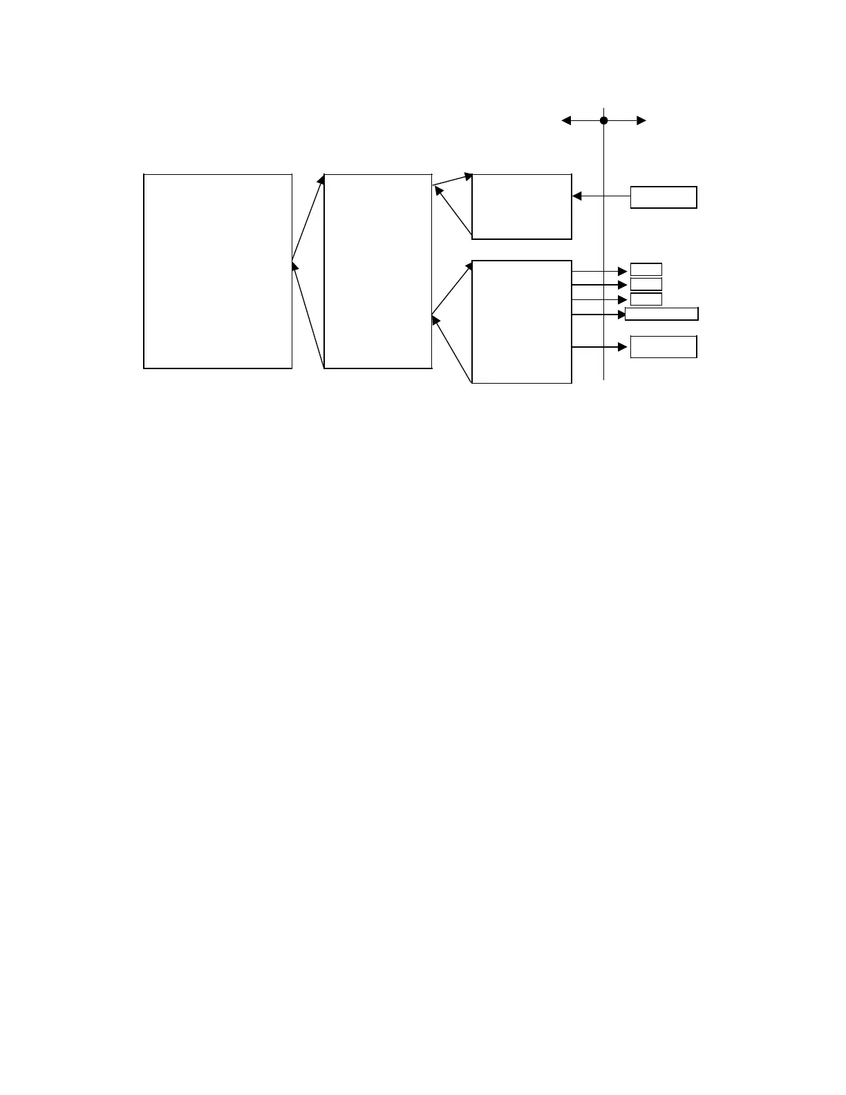
Initiation for transfer of measurement results
(internal call of L988)
MPF <Workp. progr.> L988
NC PLC
L <Measuring cycle>
.
.
R39=xxxxx2xx
R45=
<Measuring No.>
1)
L <Measuring cycle>
.
.
L988
.
.
Perform mea-
suring function
Calculate mea-
suring result
Process R38
.
.
L988
.
.
.
R39
R38
R45
Channel<No.>
2)
1)
Coordina-
tion bit
Coordina-
tion bit
L988
Wait until coor-
dination bit=0.
Transfer R39
Transfer R38
Transfer R45
Transfer channel
No.
Initiate transfer
1.9.2.4 Description of transfer parameters
When using Siemens measuring cycles, the R parameters R38 to R45 are used as transfer
parameters for logging output, protocol header information, measuring point numbers and
tolerance violations. The values stored in the R parameters are transferred and not the R
parameter numbers. This enables the R parameters to be freely chosen.
The R parameters R38 and R39 are control parameters (for Siemens measuring cycles).
The parameter addresses may have a maximum of 3 digits. The R parameter values may have
a maximum of 8 digits with additional sign and decimal point. Leading zeros in R parameters
can be ignored. In decimal-point notation, trailing zeros need not be written either.
With values less than 1, a 0 precedes the decimal point, e.g. 0.999 or 0.98.
Only negative signs are printed, positive signs are omitted. The sign is always printed in the
same column irrespective of the succeeding number of decimal places of the value to be
printed.
Control parameter R39
R39 is an 8 digit control parameter.
Configuration of R39
Digit 7 unassigned
Digit 6 unassigned
Digit 5 end of protocol
Digit 4 unassigned
Digit 3 specification of measuring point number
Digit 2 type of data to be transferred
Digit 1 modification of protocol
Digit 0 number of protocol lines of measuring point or number of space lines
_______
1) R45 is required only if the measuring point number is preselected by the NC.
2) R38 is transferred only if the supplementary lines are marked with * (tolerance exceeded).
© Siemens AG 1990 All Rights Reserved 6FC5197- AB70 1–35
SINUMERIK 840/850/880 (BN)

Table of Contents

Other manuals for Siemens SINUMERIK 880

Related product manuals