EasyManua.ls Logo

Siemens SINUMERIK 880 - Page 107

Siemens SINUMERIK 880
291 pages
Print Icon
To Next Page IconTo Next Page
To Next Page IconTo Next Page
To Previous Page IconTo Previous Page
To Previous Page IconTo Previous Page
Loading...
08.96 4 Measuring Cycles for Turning Machines
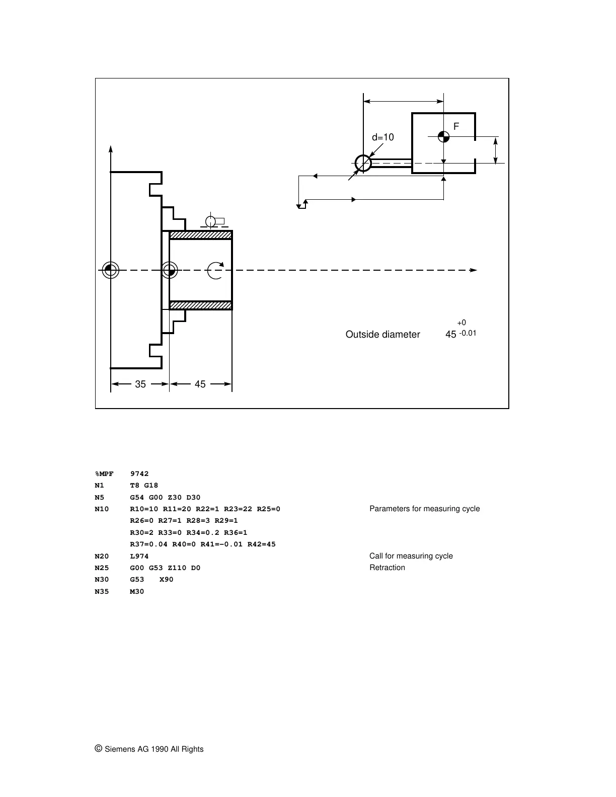
4.3.3 L974 1-point measurement with reversal
Example: 1-point measurement with reversal on outside diameter (probe calibrated)
Fig. 4.15 1-point measurement with reversal on outside diameter
X
PF
=25
N25
N30
X
M
Z
N20
N5
X
PF
=50
MP1
W
a
a
a
a
a
a
a
a
a
a
a
a
a
a
a
a
a
a
a
a
a
a
a
a
a
a
a
a
a
a
a
a
a
a
a
a
a
a
a
a
a
a
a
a
a
a
a
a
a
a
a
a
a
a
a
a
a
a
a
a
a
a
a
a
a
a
a
a
a
a
a
a
a
a
a
a
a
a
a
a
a
a
a
a
a
a
a
a
a
a
a
a
a
a
a
a
a
a
a
a
a
a
a
a
a
a
a
a
a
a
a
a
a
a
a
a
a
a
a
a
a
a
a
a
a
a
a
a
a
a
a
a
a
a
a
a
a
a
a
a
a
a
a
a
a
a
a
a
a
a
a
a
a
a
a
a
a
a
a
a
a
a
a
a
a
a
a
a
a
a
a
a
a
a
a
a
a
a
a
a
a
a
a
a
a
a
a
a
a
a
a
a
a
a
a
a
a
a
a
a
a
a
a
a
a
a
a
a
a
a
a
a
a
a
a
a
a
a
a
a
a
a
a
a
a
a
a
a
a
a
a
a
a
a
a
a
a
a
a
a
a
a
a
a
a
a
a
a
a
a
a
a
a
a
a
a
a
a
a
a
a
a
a
a
a
a
a
a
a
a
a
a
a
a
a
a
a
a
a
a
a
a
a
a
a
a
a
a
a
a
a
a
a
a
a
a
a
a
a
a
a
a
a
a
a
a
a
a
a
a
a
a
a
a
a
a
a
a
a
a
d=10
35 45
+0
Outside diameter 45
-0.01
F
%MPF 9742
N1 T8 G18
N5 G54 G00 Z30 D30
N10 R10=10 R11=20 R22=1 R23=22 R25=0 Parameters for measuring cycle
R26=0 R27=1 R28=3 R29=1
R30=2 R33=0 R34=0.2 R36=1
R37=0.04 R40=0 R41=-0.01 R42=45
N20 L974 Call for measuring cycle
N25 G00 G53 Z110 D0 Retraction
N30 G53 X90
N35 M30
© Siemens AG 1990 All Rights Reserved 6FC5197- AB70 4–33
SINUMERIK 840/850/880 (BN)

Table of Contents

Other manuals for Siemens SINUMERIK 880

Related product manuals