EasyManua.ls Logo

Siemens SINUMERIK 880 - Page 155

Siemens SINUMERIK 880
291 pages
Print Icon
To Next Page IconTo Next Page
To Next Page IconTo Next Page
To Previous Page IconTo Previous Page
To Previous Page IconTo Previous Page
Loading...
5 Measuring Cycles for Milling Machines and Machining Centres 07.90
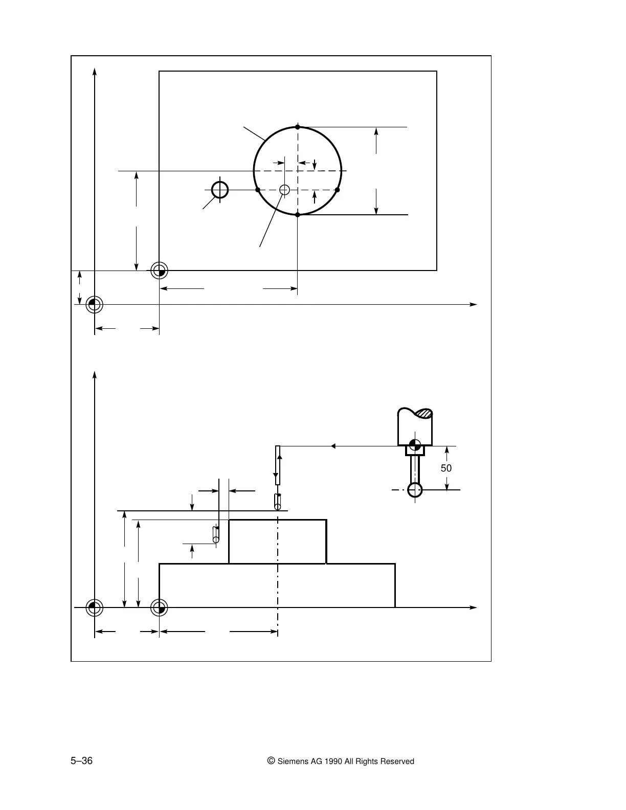
5.2.6 L977 ZO determination on shaft
Fig. 5.12 ZO determination at shaft
Y(R214
X
R213
R19
R28
N15
N30
P3
P4
P2P1
N10
W
180
Z
X
M
100
(Applicate)
Y
X
M
100
(Ordinate)
W
X
act
(R210)
30
Set
centre point
Shaft
Shaft
diameter
R32
Y
act
(R211)
(Abscissa)
Probe
100
101
F
a
a
a
a
a
a
a
a
a
a
a
a
a
a
a
a
a
a
a
a
a
a
a
a
a
a
a
a
a
a
a
a
a
a
a
a
a
a
a
a
a
a
a
a
a
a
a
a
50
5–36 © Siemens AG 1990 All Rights Reserved 6FC5197- AB70
SINUMERIK 840/850/880 (BN)

Table of Contents

Other manuals for Siemens SINUMERIK 880

Related product manuals