EasyManua.ls Logo

Siemens SINUMERIK 880 - Page 188

Siemens SINUMERIK 880
291 pages
Print Icon
To Next Page IconTo Next Page
To Next Page IconTo Next Page
To Previous Page IconTo Previous Page
To Previous Page IconTo Previous Page
Loading...
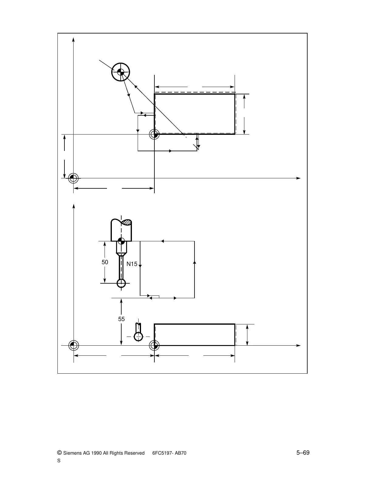
07.90 5 Measuring Cycles for Milling Machines and Machining Centres
5.4.1 L978 ZO determination on surface (1-point measuring cycle)
Fig. 5.24 ZO determination on surface
N55
50
(Abscissa)
N40
N35
N30
N65
N25
W N50
50 Workpiece
100
Spindle
Y
X
M
(Ordinate)
100
F
N60
N65
N40N30
N25
20
N10
W
Z
X
M
(Applicate)
100 100
F
a
a
a
a
a
a
a
a
a
a
a
a
a
a
a
a
a
a
a
a
a
a
a
a
a
a
a
a
a
a
a
a
a
a
a
a
a
a
a
a
a
a
a
a
a
a
a
a
a
a
a
a
a
a
a
a
a
a
a
a
a
a
a
a
a
a
a
a
a
a
50
55
N15
© Siemens AG 1990 All Rights Reserved 6FC5197- AB70 5–69
SINUMERIK 840/850/880 (BN)

Table of Contents

Other manuals for Siemens SINUMERIK 880

Related product manuals