EasyManua.ls Logo

Siemens SINUMERIK 880 - Page 228

Siemens SINUMERIK 880
291 pages
Print Icon
To Next Page IconTo Next Page
To Next Page IconTo Next Page
To Previous Page IconTo Previous Page
To Previous Page IconTo Previous Page
Loading...
01.93 8 Automatic Workpiece Measurement in JOG Mode (SINUMERIK 840 SW2)
8.4.2 Measuring a shaft
P3
P4
P2P1
Y
X
M
(Ordinate)
W
X
act.
Probe
Shaft
Actual diameter
Y
ist
(Abscissa)
(Set diameter)
R42
Z
X
M
(Applicate)
W
F
a
a
a
a
a
a
a
a
a
a
a
a
a
a
a
a
a
a
a
a
a
a
a
a
a
a
a
a
a
a
a
a
a
a
a
a
a
a
a
a
a
a
a
a
a
a
a
a
a
a
a
a
a
a
a
a
a
a
a
a
a
a
a
a
a
a
a
a
a
a
a
a
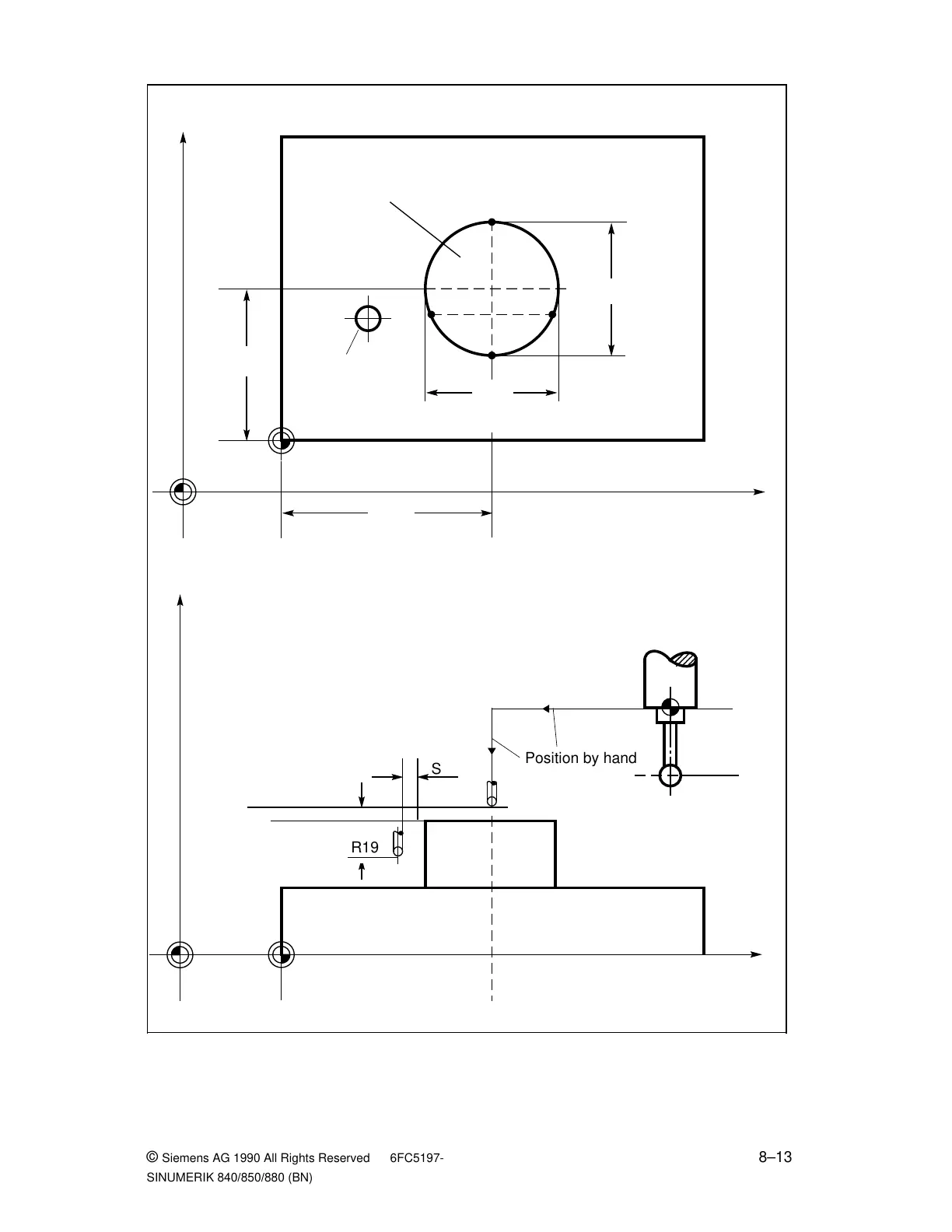
R19
S
a
a
a
a
a
a
a
a
a
a
a
a
a
a
a
a
a
a
a
a
a
a
a
a
a
a
a
a
a
a
a
a
a
a
a
a
a
a
a
a
a
a
a
a
a
a
a
a
a
a
a
a
a
a
a
a
a
a
a
a
a
a
a
a
a
a
a
a
a
a
a
a
a
a
a
a
a
a
a
a
a
a
a
a
a
a
a
a
a
a
a
a
a
a
a
a
a
a
a
a
a
a
a
a
a
a
a
a
a
a
a
a
a
a
a
a
a
a
a
a
a
a
a
a
a
a
a
a
a
a
a
a
a
a
a
a
a
a
a
a
a
a
a
a
a
a
a
a
a
a
a
a
a
a
a
a
a
a
a
a
a
a
a
a
a
a
a
a
a
a
a
a
a
a
a
a
Position by hand
© Siemens AG 1990 All Rights Reserved 6FC5197- AB70 8–13
SINUMERIK 840/850/880 (BN)

Table of Contents

Other manuals for Siemens SINUMERIK 880

Related product manuals